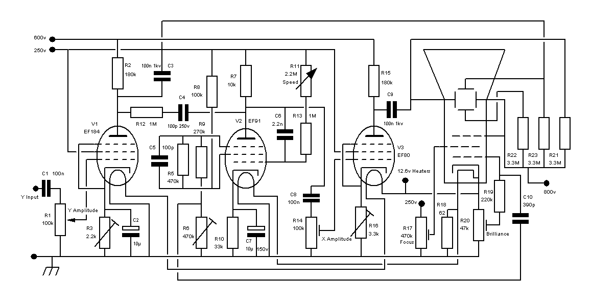
Urządzenie nie jest oczywiście pełnoprawnym oscyloskopem, lecz z powodzeniem może pełnić funkcję bardzo ciekawej dekoracji. Zastosowana została malutka lampa oscyloskopowa o średnicy 7cm. W układzie podstawy czasu pracuje lampa EF91.
Wybór lampy EF184 został podyktowany jej wysoką transkonduktancją więc spisuje się dobrze w funkcji wzmacniacza Y gdzie wymagane jest duże wzmocnienie. W roli wzmacniacza X zastosowano EF80.
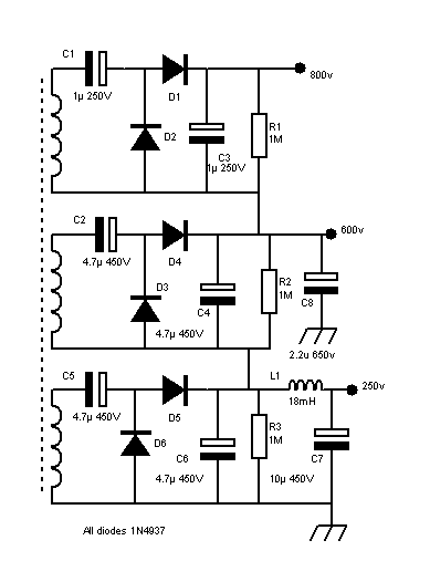
Wysokie napięcie potrzebne do pracy lamp, oraz lampy oscyloskopowej (800V) jest uzyskiwane z zasilacza impulsowego. Transformatorek dysponuje trzema uzwojeniami z których powielone napięcia łączone szeregowo dostarczają napięć koniecznych do prawidłowego działania układu (250, 600 oraz 800V)
Źródło: http://g4oep.atspace.com/toycro/toycro.htm
Fajne? Ranking DIY
