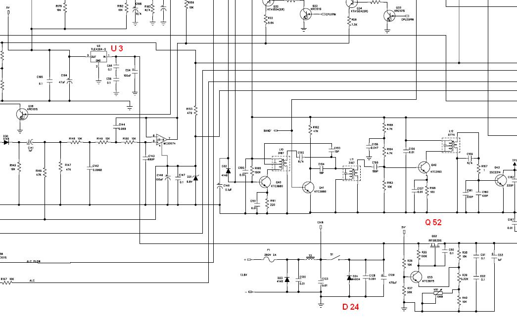
Na początku witam wszystkich. Mam dosyć duży problem z moim CB Radiem ALAN 121. Któregoś dnia spalił mi się na kablu bezpiecznik i wymieniłem na 15A bo innego nie miałem, później rozkręciłem cała instalację i jak chciałem coś powiedzieć to słyszałem się w głośnikach samochodowych ale działo się to tylko wówczas gdy miałem włączone radio samochodowe(zasilanie radia samochodowego i CB radia było połączone w jeden kabel), jakiś czas mi to nie przeszkadzało ale wczoraj chciałem to naprawić jakoś i pomyliłem podczas podłączania CB Radia plus z minusem i od tego momentu CB Radio wo gule się nie chce włączyć. Wymontowałem całe CB Radio i podłączyłem bezpośrednio pod akumulator ale wo gule nie reaguje (tutaj podłączałem bez anteny) nic się nie świeci i w głośniku nic nie słychać tak jak by radio było cały czas wyłączone. Rozkręciłem radyjko i chciałem coś wypatrzyć czy coś się spaliło, ale nic takiego nie zauważyłem jak i z góry tak i od spodu.
Proszę o pomoc w naprawieniu CB Radia, i proszę też powiedzieć jak pozbyć się tego efektu że jak nadawałem przez CB Radio to słyszałem się w głośnikach jak radio samochodowe było włączone(przedtem tez było razem połączone ale od kostek odchodziły po jednym kabelku i jakoś tam to było łączone.
Rozmawiałem o tym problemie z paroma znajomymi i oni powiedzieli że trzeba wymienić końcówkę mocy. I czy to jest prawda czy nie i co trzeba zakupić do takiej wymiany.
Dziękuje za odpowiedzi.

Proszę o pomoc w naprawieniu CB Radia, i proszę też powiedzieć jak pozbyć się tego efektu że jak nadawałem przez CB Radio to słyszałem się w głośnikach jak radio samochodowe było włączone(przedtem tez było razem połączone ale od kostek odchodziły po jednym kabelku i jakoś tam to było łączone.
Rozmawiałem o tym problemie z paroma znajomymi i oni powiedzieli że trzeba wymienić końcówkę mocy. I czy to jest prawda czy nie i co trzeba zakupić do takiej wymiany.
Dziękuje za odpowiedzi.