witam
Próbuję zrobić układ, który migał będzie diodkami. Program napisałem, jeśli podepnę diodę do układu poprzez rezystor wszystko działa OK.
Problem pojawia się gdy pod wyjścia podepnę tranzystor BUZ11, diodki nie zapalają się. Program jest prosty , po prostu miga diodkami w zmiennym tempie, bez PWM.
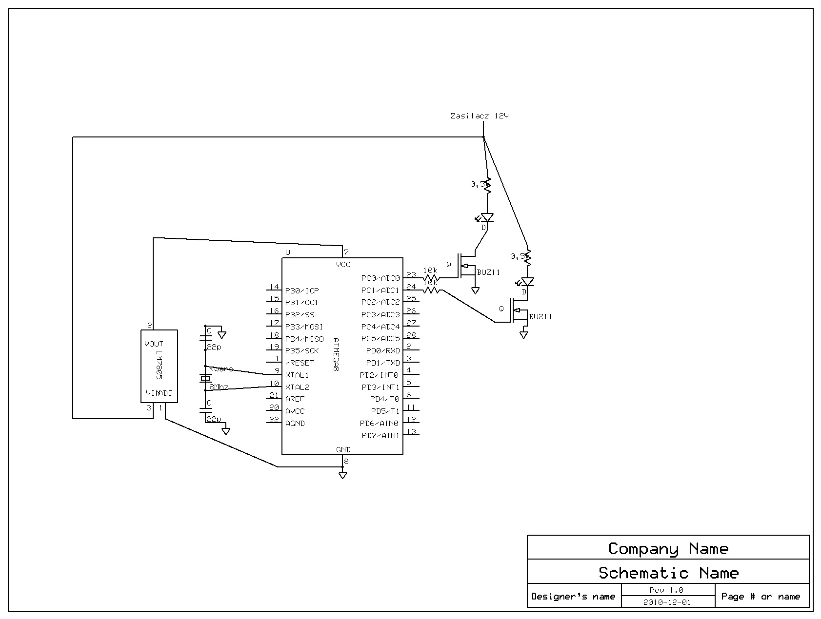
Dołączam schemat w jaki połączyłem elementy. Może mi ktoś podpowie co źle zrobiłem.

Próbuję zrobić układ, który migał będzie diodkami. Program napisałem, jeśli podepnę diodę do układu poprzez rezystor wszystko działa OK.
Problem pojawia się gdy pod wyjścia podepnę tranzystor BUZ11, diodki nie zapalają się. Program jest prosty , po prostu miga diodkami w zmiennym tempie, bez PWM.
Dołączam schemat w jaki połączyłem elementy. Może mi ktoś podpowie co źle zrobiłem.