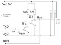
Witam, chciałbym sie dopytać bardziej doświadczonych forumowiczów, czego taka prosta rzecz nie chce mi działać. Mianowicie zakupiłem konwerter USB-rs232 oparty o znany chip FT232 RL i prosty schemat połączenia czujników ds18b20 po rs232 i sobie wymyśliłem że to razem połączę i będzie działać, a nie chce.
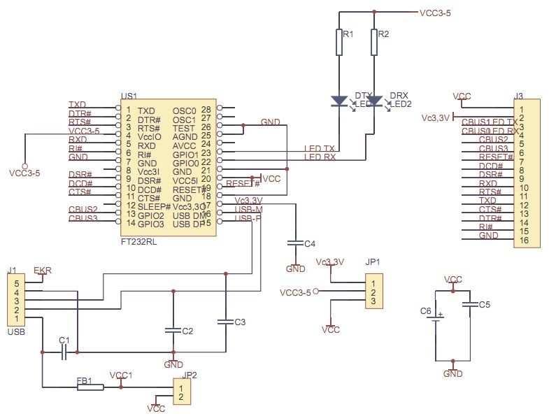
Pytanie, jakie są pomysły żeby to uruchomić, potrzebuje tego i stoję w miejscu. W załączeniu trochę zdjęć. Może napięcie pracy wejść / wyjść TTL przestawić z 3,3V na 5V. Z góry dziękuje za wszelką pomoc Robert
Update: 03.12.10 Uklad do połączenia ds18b20 z rs232, działa prawidłowo, więc sprawa leży po stronie przejściówki, tylko czemu nie działa :/
Pytanie, jakie są pomysły żeby to uruchomić, potrzebuje tego i stoję w miejscu. W załączeniu trochę zdjęć. Może napięcie pracy wejść / wyjść TTL przestawić z 3,3V na 5V. Z góry dziękuje za wszelką pomoc Robert
Update: 03.12.10 Uklad do połączenia ds18b20 z rs232, działa prawidłowo, więc sprawa leży po stronie przejściówki, tylko czemu nie działa :/


