logo elektroda
logo elektroda
X
logo elektroda
REKLAMA
REKLAMA
Adblock/uBlockOrigin/AdGuard mogą powodować znikanie niektórych postów z powodu nowej reguły.

[m8][Bascom] PWM + irlr2905 nie działa

Ficu 11 Gru 2010 14:24 4657 18
REKLAMA
  • #1 8854368
    Ficu
    Poziom 31  
    Witam,
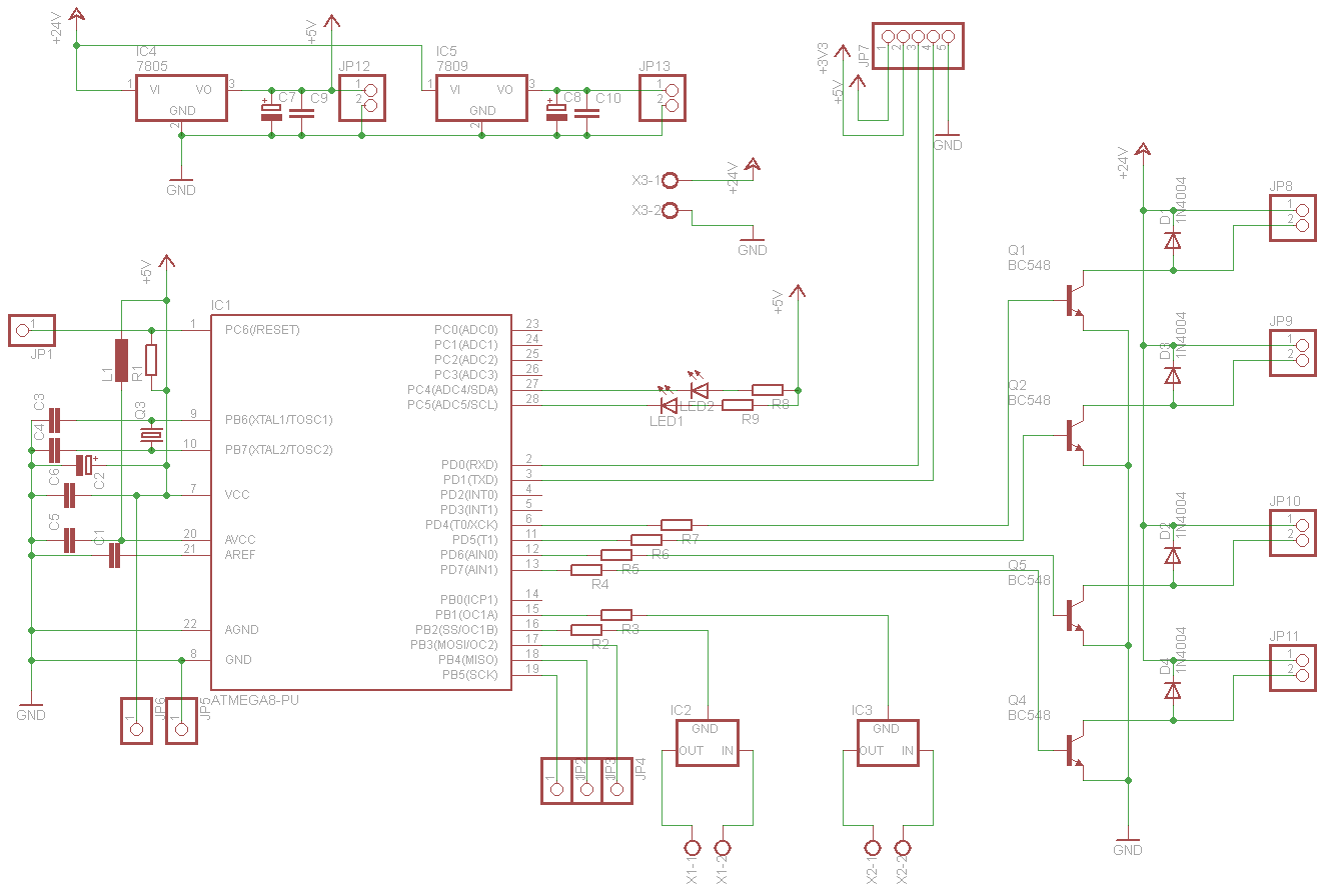
    buduje sterownik do robota i potrzebuje regulacje obrotów silnika 24V/250W. Wszystko mam podłączone jak na tym schemacie:
    [m8][Bascom] PWM + irlr2905 nie działa
    [m8][Bascom] PWM + irlr2905 nie działa
    R2 i R3 są zastąpione zworami, IC2 i IC3 są podłączone dobrze, wg pdfa, opis wyprowadzeń z innego układu w tej samej obudowie.

    Problem jest taki że obojętnie jaką ustawię wartość pwm to silnik zawsze kręci na maxa. Użyłem mosfetów IRLR2905. Dodatkowo jak załączam przekaźnik to silnik kręci ok, jak wyłączę przekaźnik to silnik od razu staje - nie kręci się aż do swobodnego zatrzymania.
    $regfile = "m8def.dat"
    $crystal = 8000000
    
    
    Config Portd.4 = Output
    Config Portd.5 = Output
    Config Portd.6 = Output
    Config Portd.7 = Output
    Config Portc.4 = Output
    Config Portc.5 = Output
    Config Pinb.1 = Output
    Config Pinb.2 = Output
    
    Config Timer1 = Pwm , Pwm = 8 , Compare A Pwm = Clear Up , Compare B Pwm = Clear Up , Prescale = 1
    
    P1 Alias Portd.4
    P2 Alias Portd.5
    P3 Alias Portd.6
    P4 Alias Portd.7
    D1 Alias Portc.4
    D2 Alias Portc.5
    
    Dim Pw1 As Byte
    Dim Pw2 As Byte
    
    Reset P1
    Reset P2
    Reset P3
    Reset P4
    
    Pwm1a = 20
    Pwm1b = 20
    
    D1 = 0
    Waitms 100
    D2 = 0
    Waitms 100
    D1 = 1
    Waitms 100
    D2 = 1
    
    Set P1
    
    Do
    Loop
  • REKLAMA
  • #2 8854581
    janbernat
    Poziom 38  
    Co to za sterowniki mosfetów?
    Na pewno są sterowane z pinu GND?
    A input tych sterowników jest wyprowadzony na złącze?
    A to że silnik zatrzymuje się natychmiast- to normalne w tym schemacie.
    Przekażniki zwierają uzwojenie silnika po zatrzymaniu.
  • #3 8854634
    Ficu
    Poziom 31  
    Napisałem że biblioteka jest z innego elementu, bo akurat tego co potrzebowałem nie było, w ogóle oznaczenia są inne ale jest dobrze podłączone.
  • Pomocny post
    #4 8854739
    asembler
    Poziom 32  
    To ze silnik sie zatrzymuje or razu to dlatego ze zwierasz przekaźnikami jego wyprowadzenia.
    Mnie sie wydaje ze właczanie i regulacja obrotów powinna sie odbywac za pomoca tranzystora a zmiana obrotów za pomocą jednego przekaźnika czyli drugi nie jest potrzebny wtedy osiagniesz Tzw. "wolne koło"
  • Pomocny post
    #5 8854932
    janbernat
    Poziom 38  
    Zmierz napicie na bramce- średnie, miernikiem.
    Jak masz oscyloskop- to użyj.
    Znień wpis do rejestru Pwm1a/b na 127.
    Potem na 250.
    Ipo każdej zmianie sprawdź napięcie na bramce.
    Może sterownik odwraca fazę.
    Swoją drogą- czy nazwa sterownika jest tajna?
    No i to jest tranzystor o niskim napięciu bramki- przy 5V daje 25A- więc użycie sterownika może nie jest konieczne.
    Chociaż na pewno poprawia czas przełączania.
    No ale jest to tylko ok.130Hz.
  • REKLAMA
  • #6 8855546
    Ficu
    Poziom 31  
    2 schemat to właśnie mój sterownik. Założenia są proste: regulacja obrotów silnika oraz możliwość zmiany kierunku kręcenia silnika prawo/lewo. Do pierwszego zadania wykorzystałem mosfet IRLR2905, do drugiego - 2 przekaźników. Docelowo sterownik ma obsługiwać 2 takie silniki. IRLR2905 został polecony gdzieś na forum. Silnik pobiera max 15A przy 24V.
    Oscyloskopu nie mam, ale zaraz będę próbował coś pomierzyć.
  • REKLAMA
  • Pomocny post
    #7 8855642
    asembler
    Poziom 32  
    Pisałem ze przy takim układzie przekaźniki bedą pracować w momencie wyłaczenia/włączenia obu naraz jak hamulce. Przygotuj sie na to ze bedziesz musial zastosowac styki wytrzymujące 100A lub cos koło tego
  • #8 8855845
    Ficu
    Poziom 31  
    Ok, jak mi padną przekaźniki to wtedy będę się martwił. Albo zrobię w programie łagodne hamowanie po przez wyłączanie masy.
  • #9 8855932
    asembler
    Poziom 32  
    Ale poco stosowac dwa przekaźniki skoro wystarczy jeden?
  • #10 8856079
    Ficu
    Poziom 31  
    Czyli bym sterował jednym prawo/lewo a mosfetem bym zamykał/otwierał masę?

    Chyba mam uwalone mosfety bo wcześniej je źle wlutowałem i zamieniłem G z D, kiedy to zauważyłem to już dostały napięcie.

    Kiedy wpiszę wartość 255 = 0V, przy 127 = 2,5V.

    EDIT:
    Coś nie potrafi sobie wyobrazić sterowania silnikiem prawo/lewo na jednym przekaźniku.
  • Pomocny post
    #11 8859276
    janbernat
    Poziom 38  
    [m8][Bascom] PWM + irlr2905 nie działa
    Jak w monencie przełączania tranzystor będzie zamknięty to silnik swobodnie zacznie zmniejszać obroty.
    Jak będzie otwarty to dostanie potężnego kopa prądowego.
    Nie chciał bym być na jego miejscu.
    P.S.
    Nie napisałeś że działasz na zepsutych tranzystorach.
    A napięcia na bramce są dobre- wstaw dobre tranzystory.
  • #12 8859384
    Ficu
    Poziom 31  
    Silnik będzie rzadko ruszał z full mocy - zbyt duże prawdopodobieństwo zerwania łańcucha i brak przyczepności podczas ruszania.
    Dzięki za schemat, jak będę miał nowe mosfety to podłącze jak na schemacie.
  • REKLAMA
  • #13 8873170
    Ficu
    Poziom 31  
    Zmieniłem tranzystory, silnik zmniejszał obroty ale tranzystor się mega grzał. Chyba będę musiał zastosować BUZ11 na większym radiatorze.
    Do
    For I = 20 To 255
    Pwm1a = I
    Pwm1b = I
    Waitms 50
    Next I
    Loop
    End
  • #14 8873827
    janbernat
    Poziom 38  
    A Mosfet driwer dalej ściśle tajny.
  • #15 8873910
    Ficu
    Poziom 31  
    Nie czaje ;c Przecież napisałem wszystko, podałem schematy ;P

    EDIT:
    Problem ogarnięty przy pomocy BUZ11.
  • #16 8903723
    Ficu
    Poziom 31  
    Prawie wszystko ok tylko ze jak zmienię szybko obroty prawo-lewo to mosfety padają :/ można jakoś temu zapobiec oprócz nie zmieniania szybko obrotów?
    Podłączone mam jak na schemacie kolegi janbernat.
  • Pomocny post
    #17 8903776
    janbernat
    Poziom 38  
    Bo to uproszczony schemat- tylko zasada działania.
    Potrzebna jest jeszcze dioda najlepiej szybka między drenem a +12V.
    No i opornik między bramką a masą w celu wyłączania mosfeta gdy nie jest sterowany- ok.1kom.
  • #18 8903938
    Ficu
    Poziom 31  
    Katodą w stronę +12V? Diody mam pod ręką 1n4148, 1n4004 - nada się któraś?
  • Pomocny post
    #19 8904103
    janbernat
    Poziom 38  
    1N4148 powinna być dobra.
    Tak, katoda do +.
REKLAMA