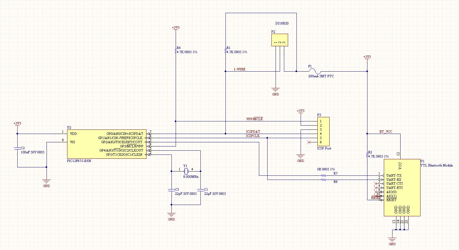
Przedstawiony termometr uwalnia nas od ciągłego biegania do okna, gdyż pozwala on zdalnie odczytywać temperaturę za pomocą łącza Bluetooth. Komunikacja z komputerem pozwala również na tworzenie statystyk, wykresów temperaturowych. Sercem układu jest mikroprocesor PIC12F675 w obudowie SO8. Z lewej strony płytki znajduje się moduł bluetooth Sure GP-GC021. Czujnik temperatury to popularny DS18B20. Układ zasilający jest zbudowany na stabilizatorze low-drop LP2950 i zapewnia napięcie 3,3V.
Wszystkie potrzebne schematy, wzory płytek, wsady znajdują się w załączonym archiwum.
Źródło: https://sites.google.com/site/jamiemaloway/projects/bluetooth-thermometer
Fajne? Ranking DIY
