Witam wszystkich,
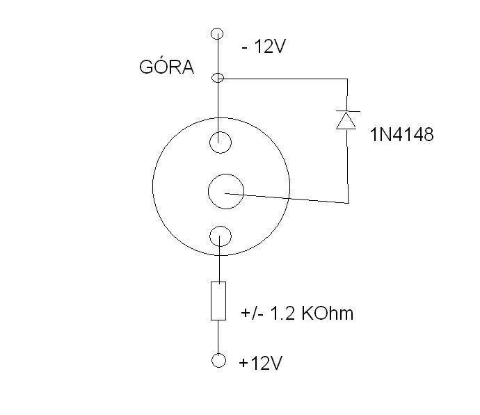
Ostatnio dostałem taki oto wskaźnik łądowania(zdjęcia poniżej), pochodzi z audi a6 96r. Wskaźnik ten posiada dwa styki: "+" i"-" . Chciaiłbym go zamontować w swoim własnym samochodzie. Mój kłopot polega na tym, że po podłączeniu do akumulatora wskazówka pokazuje ledwo powyżej 8 V. Podejrzewam, że potrzebny jest jakiś dodatkowy układ, może dzielnik napięcia? Z góry dziękuję za wszystkie rady i wskazówki.
Rezystancja wewnętrzna wskaźnika 537 Ohm

Ostatnio dostałem taki oto wskaźnik łądowania(zdjęcia poniżej), pochodzi z audi a6 96r. Wskaźnik ten posiada dwa styki: "+" i"-" . Chciaiłbym go zamontować w swoim własnym samochodzie. Mój kłopot polega na tym, że po podłączeniu do akumulatora wskazówka pokazuje ledwo powyżej 8 V. Podejrzewam, że potrzebny jest jakiś dodatkowy układ, może dzielnik napięcia? Z góry dziękuję za wszystkie rady i wskazówki.
Rezystancja wewnętrzna wskaźnika 537 Ohm