logo elektroda
logo elektroda
X
logo elektroda
REKLAMA
REKLAMA
Adblock/uBlockOrigin/AdGuard mogą powodować znikanie niektórych postów z powodu nowej reguły.

Wzmacniacz w.cz na 27Mhz z 25mW na 4W (CB)

piotrekweb 13 Gru 2010 21:02 4048 2
REKLAMA
  • #1 8864956
    piotrekweb
    Poziom 10  
    Witam wszystkich
    Złożyłem mini nadajnik z AVT 2406. ( http://sklep.avt.pl/photo/_pdf/AVT2406.pdf )
    Po złożeniu wszystko zadziałało ale pojawił się problem z mocą. Chciałbym wykorzystać go do swojego auta. Mam już odbiornik wraz ze wzmacniaczem, a teraz przyszedł czas na ten mini nadajnik. Potrzebuję schemat wzmacniacza o mocy do 4W na 3-4 stopni. Moc wyjściowa tego AVT to zaledwie 25mW. Tranzystory jakie posiadam do BF966 oraz KT902B i KT920A, oczywiście zawsze można dokupić jak coś.
  • REKLAMA
  • #2 8865192
    mkpl
    Poziom 37  
    Oj ciężko będzie. W Twoim układzie modulacja następuje w generatorze dalej już trzeba wzmacniacze liniowe budować (nie jest to takie proste) a w normalnym CB wszystko pracuje w klasie C natomiast modulacja już w samym stopniu końcowym
  • #3 8866905
    marek_34
    Poziom 18  
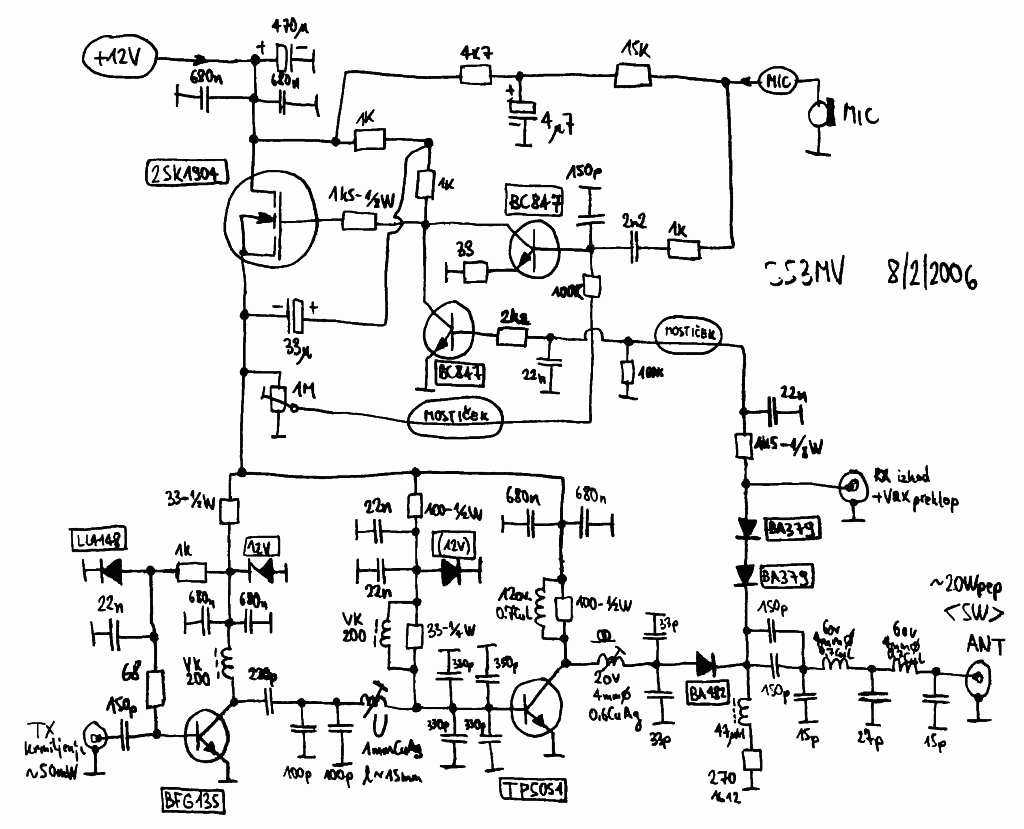
    wprawdzie jest to schemat wzmacniacza na pasmo lotnicze, zaczerpnięty ze strony s53mv jednak po przeliczeniu cewek będzie ok. Musiałbyś wyrzucić układ modulujący z Twojego kitu, pobrany sygnał z f2 dajesz na wzmacniacz, ew można dołożyć kolejny stopień pomiędzy wzmacniaczem a generatorem również na 2n2369. bfg135 smd jest dostępny, tranzystor motoroli tp5051 już nie tak łatwo, można by zamienić na jakiś radziecki i oczywiście przeliczyć. materiał wyjściowy do skonstruowania takiego wzmacniacza już masz.
    pozdrawiam


    Wzmacniacz w.cz na 27Mhz z 25mW na 4W (CB)


    Moderowany przez c2h5oh:

    Post był raportowany:
    "Kolega podaje rozwiazania z pasma 110mhz które w żaden sposób nie da sie adoptowac do pasma 27 Mhz .... bo na to pasmo inaczej buduje się układy...
    Chciał dobrze ale trochę niewyszło..."

REKLAMA