logo elektroda
logo elektroda
X
logo elektroda
REKLAMA
REKLAMA
Adblock/uBlockOrigin/AdGuard mogą powodować znikanie niektórych postów z powodu nowej reguły.

Cb Gamma nie słychać stacji.

zbych77 18 Gru 2010 12:39 2801 6
REKLAMA
  • #1 8883143
    zbych77
    Poziom 10  
    Mam problem z CB Gamma.
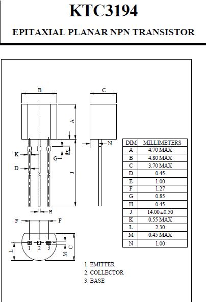
    W czasie wymiany końcówki mocy, niechcący zwarłem rezystor R68, spowodowało to uszkodzenie tranzystora 2SC 3194 /Q16/.
    Po wymianie na zamiennik BF 241, nic nie słychać, tylko cichy szum. Po wyjęciu tranzystora, słychać, lecz nie nadaje.
    Może ktoś ma jakiś pomysł?
    Proszę o pomoc.

    Poprawiłem. /Olek II/
  • REKLAMA
  • REKLAMA
  • #3 8890358
    gregorio27
    Poziom 31  
    Cytat:
    W czasie wymiany końcówki mocy, niechcący zwarłem rezystor R68
    pomijając fakt jak to zrobiłeś, nie wnikam, Q16 to KTC3194 i BF241 owszem może być jego zamiennikiem ale nie w sensie stricte montażu mechanicznego, kolega zadał sobie trud i sprawdził wyprowadzenia tranzystorów?
  • REKLAMA
  • #4 8896369
    Konto nie istnieje
    Poziom 1  
  • #5 8896710
    SP5ANJ
    Spoczywaj w Pokoju
    Witam.

    Różnica jest znaczna :

    Cb Gamma nie słychać stacji.

    Cb Gamma nie słychać stacji.


    Pozdrawiam.
  • REKLAMA
  • #6 8901118
    zbych77
    Poziom 10  
    Wybaczcie ale jestem początkujący w elektronice i po sprawdzeniu waszych rad czyli zamianie emiter z kolektorem radio zaczęło działać dziękuję wszystkim za pomoc tylko zmiejszyła się moc nadawania o jakieś 0.5w cóż mógłbym sprawdzić?, wszystkie tranzystory sprawne!
REKLAMA