logo elektroda
logo elektroda
X
logo elektroda
REKLAMA
REKLAMA
Adblock/uBlockOrigin/AdGuard mogą powodować znikanie niektórych postów z powodu nowej reguły.

Układ na Attiny 2313 i niska temperatura

smalski 19 Gru 2010 10:05 2110 14
REKLAMA
  • #1 8886726
    smalski
    Poziom 17  
    Witam!!!!
    Przeglądam karty katalogowe i trudno mi wyciągnąć wnioski.

    Mam dwa takie same układy.
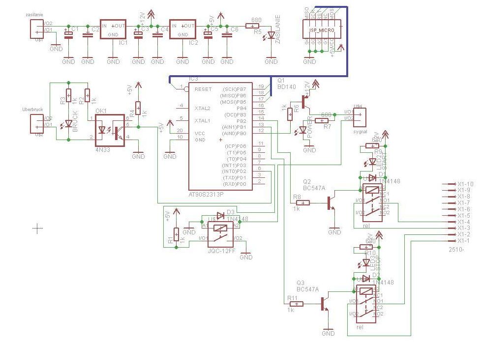
    Oto jeden z nich:
    Układ na Attiny 2313 i niska temperatura

    Widoczne 12V zasila inny układ.

    Procek zajmuje się reakcją na wyjście transoptora i wytwarza odpowiednią sekwencję włączenia przekaźników.( kilka reakcji na dzień). Wszystko pracuje w plastikowej obudowie na zewnątrz.

    Układy pracowały bez zarzutu od kwietnia do listopada.

    Jak temperatury zaczęły spadać poniżej -10 stopni C zaczęły pojawiać się fałszywe reakcje procka, mimo braku napięcia na wejściu transoptora procek zaczął generować sekwencje przekaźników.

    Co więcej jak ogrzeje obudowę wszytko wraca do normy.

    Wszystkie elementy użyte w układzie powinny spokojnie radzić sobie z niskimi temperaturami. Co może być przyczyną?
    Nie mam możliwości przetestowania urządzenia w niskich temperaturach.

    Pozdrawiam/smalski
  • REKLAMA
  • #2 8886801
    mirekk36
    Poziom 42  
    smalski napisał:
    Nie mam możliwości przetestowania urządzenia w niskich temperaturach.


    Jak to nie masz? ;) wystarczy sobie kupić zwykłe powietrze sprężone do czyszczenia w aerozolu. Potem odwracasz je do góry nogami i bardzo powoli naciskając spust z rurki wylewa się aerozol, którym spokojnie kapiesz na scalaki i otoczenie. Wszystko pięknie się zmraża nawet do -20st C. Wprawdzie nie na długo no ale można to powtarzać i spokojnie w tym czasie testować. Ja tego zawsze używam np do testów z czujnikami temperatury DS18x20 itp ;)
  • #3 8886853
    11111olo
    Poziom 42  
    Najprawdopodobniej kondensatory elektrolityczne nie chcą działać poprawnie w temperaturze poniżej -10*C. Sprawdź jakie napięcie dociera do 2313 przy temperaturze w której przestaje poprawnie pracować.
  • REKLAMA
  • #4 8886877
    kemot55
    Poziom 31  
    Zdecydowanie trzeba pomrozić i wyeliminować ewentualny wpływ wilgoci. U mnie ATMEGA16 pracuje w temperaturach poniżej -15st bez problemu. A jakie masz ustawienia oscylatora?
  • #5 8886939
    smalski
    Poziom 17  
    Cytat:
    Najprawdopodobniej kondensatory elektrolityczne nie chcą działać poprawnie w temperaturze poniżej -10*C. Sprawdź jakie napięcie dociera do 2313 przy temperaturze w której przestaje poprawnie pracować.


    To jakie zastosować w takim razie? (fakt mam pewne przypuszczenia, że to problem z zasilaniem, bo są wahnięcia zasilania).

    Cytat:
    Zdecydowanie trzeba pomrozić i wyeliminować ewentualny wpływ wilgoci. U mnie ATMEGA16 pracuje w temperaturach poniżej -15st bez problemu. A jakie masz ustawienia oscylatora?

    Oscylator wewnętrzny 8MHz/ dzielony na 8.

    Ok, zapomniałem o sprayu....dzięki.
  • #6 8887036
    11111olo
    Poziom 42  
    Oscylator nie zmienia aż tak dużo parametrów więc on nie ma wpływu. Nic nie napisałeś o zastosowanych stabilizatorach. Jakie tam pracują?
  • #7 8887099
    smalski
    Poziom 17  
    Standartowe 7812 i 7805. Napięcie wejściowe to 16V.
  • #8 8887459
    11111olo
    Poziom 42  
    Jak bardzo "siada" napięcie na mrozie?
  • REKLAMA
  • #9 8887903
    smalski
    Poziom 17  
    na VCC procka mam góra 0,5 V mniej, czyli 4,4V.
    Chodzi jednak o to, że tylko czasami procek fiksuje.
    dzięki/smalski
  • REKLAMA
  • #10 8887913
    11111olo
    Poziom 42  
    A próbowałeś go wymienić na inny?
  • #11 8888213
    smalski
    Poziom 17  
    Nie próbowałem, ale problem istnieje w obu takich samych płytkach.
    Cóż zawsze pozostaje wymiana obu:).
  • #12 8893500
    victoriii
    Poziom 19  
    Odpowiedzią na problem zamarzających elektrolitów jest zastosowanie typów na zakres temp -40/+105 stopni lub na taki zakres ale dodatkowo lowESR. Można też zastosować tantalowe. Co do testowania w niskich temperaturach to koledzy pomyśleli o zamrażalniku lodówki? Jest tam grubo poniżej zera ;).
  • #13 8896165
    Freddy
    Poziom 43  
    mirekk36 napisał:
    smalski napisał:
    Nie mam możliwości przetestowania urządzenia w niskich temperaturach.


    Jak to nie masz? ;) wystarczy sobie kupić zwykłe powietrze sprężone do czyszczenia w aerozolu. ...

    Nie powietrze, tylko jest specjalny aerozol "zamrażacz". Poza tym, powietrze do czyszczenia, to nie powietrze, ale łatwopalny gaz i trzeba bardzo uważać.

    Układ na Attiny 2313 i niska temperatura
  • #14 8896637
    mirekk36
    Poziom 42  
    Freddy napisał:
    Nie powietrze, tylko jest specjalny aerozol "zamrażacz". Poza tym, powietrze do czyszczenia, to nie powietrze, ale łatwopalny gaz i trzeba bardzo uważać.


    Jakie tam "Nie powietrze" ? Sprężone powietrze także posiada podobne właściwości jak "zamrażacz" tzn schładzające tyle, że zamrażacz potrafi schłodzić do sporo niższej temperatry np -40 - 50st albo i więcej (co i tak nie jest zwykle aż tak pożądane), a powietrze zwykle do -20 - 30st góra (zresztą zależy jakie).

    Jeśli więc ktoś ma cokolwiek takiego pod ręką to spokojnie można użyć.

    A jeśli chodzi o łatwopalność to też zależy jakie się kupi bo są wersje łatwopalne i nie palne. Ja zwykle używam tych łatwopalnych i jeszcze nigdy mi nic się nie stało ani nie stanie.

    Pewnie, że trzeba uważać ale nie przesadzajmy, tylko dziecko może niezrozumieć tego co znaczy łatwopalny i rozpylać takie coś nad otwartym ogniem czy iskrzącymi stykami - tylko po co?

    Mówimy tu przecież o układach elektronicznych, a nie stykach i ogniu ;)
  • #15 9613824
    smalski
    Poziom 17  
    Ok. Zamykam temat!
REKLAMA