logo elektroda
logo elektroda
X
logo elektroda
Adblock/uBlockOrigin/AdGuard mogą powodować znikanie niektórych postów z powodu nowej reguły.

Konwerter RCA jak podłaczyc

muchamati2 19 Gru 2010 20:44 24764 10
  • #1 8889767
    muchamati2
    Poziom 9  
    Witam mam problem otóz kupiłem ostatnio konwerter RCA (z wyjsc głosnikowych na chinche) No i konwerter z jednej strony ma 2 chcinche a z drugiej 4 przewody na głosniki no i jeden czarny dodatkowy przewód pytanie na co??
  • #2 8889818
    powalla
    Moderator CarAudio
    Opisu nie dostałeś? Pytałeś sprzedawcę?
  • #3 8890075
    Kłosiol
    Poziom 29  
    Nie możliwe, że masz 5 kabli ... muszą być 4 i opis taki jak ten ....

    Zobacz aukcje nr 1271773478

    Chyba, że masz jakiś wynalazek dziwny.

    Ewentualnie zobacz na taki konwerter firmy Hollywood bo faktycznie ma 5 kabli ale 1 to remote ...
  • #4 8890087
    muchamati2
    Poziom 9  
    Chyba umiem liczyć ;p A no wynalazek troche inny.
  • #5 8892751
    SynDmx
    Poziom 25  
    Czarny kabel podłącza się do masy karoserii. To takie niby zabezpieczenie przed zakłóceniami
  • #6 8893596
    muchamati2
    Poziom 9  
    A mam pytanie jeszcze. Jest jakaś różnica podłączenia: dla systemow z minusem glosnikow polaczonych z minusem instalacji elektrycznej
    i dla systemow z minusem glosnikow odseparowanym od minusa ( masy ) instalacji elektrycznej??? Konwerter RCA jak podłaczyc
  • #7 8893703
    SynDmx
    Poziom 25  
    Głośniki podłączone pod masę instalacji?? Szczerze to nie spotkałem się jeszcze z czymś takim
  • #8 8893729
    muchamati2
    Poziom 9  
    Koleś na innym forum napisał mi cos takiego:
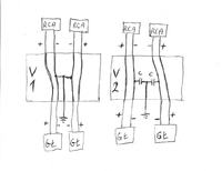
    Konwerter RCA jak podłaczyc
    V1 - dla systemow z minusem glosnikow polaczonych z minusem instalacji elektrycznej
    V2 - dla systemow z minusem glosnikow odseparowanym od minusa ( masy ) instalacji elektrycznej

    Jak to sprawdzic bez miernika:

    Konwerter -
    podlaczasz obydwa przewody (-) minus od strony glosnikow w uklad szeregowy z akumulatorem i mala zarowka.
    - zarowka sie swieci masz wersje V1
    - zarowka sie nieswieci masz wersje V2

    Radio -
    wlaczasz radio CICHO max. 1/3 glosnosci (inaczej mozesz spalic koncowke mocy radia) podlaczasz jakis glosnik jednym przewodem do masy radia, a drugim do (+) jednego z kanalow wyjscia glosnikowego (glosnik powinien grac). Robisz to samo z (-) TEGO SAMEGO KANALU.
    - jesli glosnik nie gra masz radio wersji V1
    - jesli glosnik gra masz radio wersji V2
    Dla pewnosci mozesz ten "test" powtorzyc z pozostalymi kanalami (LR, RR, LF, RF)



    Radio V1 bedzie poprawnie wspolpracowac z konwerterem V1 i V2.
    Radio V2 bedzie poprawnie wspolpracowac TYLKO z konwerterem V2!!!
    Radio V2 polaczone z Konwerterem V1 w najlepszym wypadku bedzie gralo w mono, najprzedzej skonczy to sie spaleniem koncowki mocy radia.


    W konwerterach V2 najczesciej stosuje sie kondensatory "C" o watrosci od kilku do kilkuset nanofaradow (1,5nF~160nF do max. 220nF)

    W obu przypadkach ten piaty przwod podlacza sie do masy (-) instalacji elektrycznej auta.

    Jezeli istnieje mozliwosc otworzenia obudowy konwertera i zdemontowania tego piatego przewodu, oraz odseparowania od siebie (-) minusa lewego i prawego kanalu od siebie, to zrob to. Zapomnij o wszystkim co wypocilem w tym poscie, podlacz ustrojstwo i ciesz sie muzyczką.


    A i pasek na kablu od głosników to jest (+) czy (-) ??? ;p

    A jak nie podepne tej masy to też bedzie grało??

    Koleś zrobił mi wode z mózgu
  • Pomocny post
    #9 8893908
    SynDmx
    Poziom 25  
    Tego czarnego nie musisz podpinać, szkoda czasu i zdrowia na takie dziwne kombinacje. Pasek jest minus (przynajmniej ja tak mam)
  • #10 10445585
    lukaszkusmierczak
    Poziom 11  
    no dobrze może pytanie głupie ale dla mnie istotne. otóż czy mogę podłączyć taki konwerter rca i jednocześnie z tego samego wyjścia zasilać tylne głośniki (oczywiście konwerter wpięty w kable do tylnych głośników)?
  • #11 10447698
    powalla
    Moderator CarAudio
    Możesz.
REKLAMA