logo elektroda
logo elektroda
X
logo elektroda
REKLAMA
REKLAMA
Adblock/uBlockOrigin/AdGuard mogą powodować znikanie niektórych postów z powodu nowej reguły.

Wentylator chłodnicy jednobiegowy do instalacji dwubiegowej

jac81 20 Gru 2010 06:30 2473 7
REKLAMA
  • #1 8890971
    jac81
    Poziom 11  
    Mam samochód gdzie oryginalnie instalowany był elektryczny wentylator dwu biegowy low speed - high speed.

    Jak zainstalować jednobiegowy wentylator do takiej instalacji?

    puszka z bezpiecznikami ma dwa przekaźniki (jeden przekaźnik na każdy bieg) Z tego co wiem jeden bieg jest do klimatyzacji a drugi się włącza gdy woda ma wysoko temperaturę.

    Czy mogę połączyć dwa plusowe kable (instalacja samochodu bieg 1 i 2 wentylatora) z jednym plusowym wentylatora(tylko jeden jest) i wtedy niezalezienie czy klimatyzacja czy wysoka temperatura wody by się włączał. będzie to działało czy raczej uszkodzi instalacje?

    Czy lepiej dać dodatkowy przekaźnik- przełącznik gdzie podczas pracy pierwszego biegu drugi bieg się włącza odłączając pierwszy bieg?

    Dzięki za wszelkie informacje.
  • REKLAMA
  • Pomocny post
    #2 8890985
    ajpier
    Poziom 36  
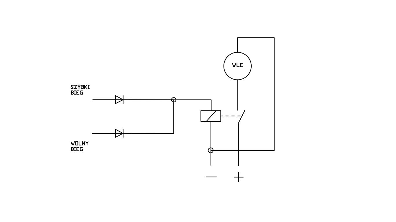
    Nie wiem jak miało by się to do instalacji, wszak to tylko styki przekaźników, ale można do pewności zastosować przekaźnik z dwiema diodami który na pewno spełni twoje oczekiwania.
    Wentylator chłodnicy jednobiegowy do instalacji dwubiegowej
  • REKLAMA
  • #3 8891011
    Miracle Woman SM
    Poziom 19  
    Koleo pochwal się jaki to samochód.
  • REKLAMA
  • #4 8891425
    jac81
    Poziom 11  
    smochod to jeep wrangler tj 2006 silnik 2.4 4 cyl, prawie wszystkie wranglery mialy wentylator na elektromagnes(chyba nie wiem jak to sie nazywa) ten akurat mial instalowany elektryczny, mam problem dostac taki sam i zamontowalem uniwersalny tylko nie jestem pewien jak to polaczyc,
  • #5 8935663
    radekklimat
    Poziom 21  
    A co te diody daja bo nie bardzo rozumiem a w wentylatorze biegi wymusza sie opornikiem na zasilaniu w plus daje sie go rownolegle i to jest pierwszy bieg a drugi kablem bezposrednio.
  • REKLAMA
  • #6 8936235
    milejow
    Poziom 43  
    radekklimat napisał:
    A co te diody daja bo nie bardzo rozumiem a w wentylatorze biegi wymusza sie opornikiem na zasilaniu w plus daje sie go rownolegle i to jest pierwszy bieg a drugi kablem bezposrednio.

    Taaaaaa, z oporem równolegle napewno zadziała:D
  • #7 15563690
    revolt2
    Poziom 17  
    milejow napisał:
    radekklimat napisał:
    A co te diody daja bo nie bardzo rozumiem a w wentylatorze biegi wymusza sie opornikiem na zasilaniu w plus daje sie go rownolegle i to jest pierwszy bieg a drugi kablem bezposrednio.

    Taaaaaa, z oporem równolegle napewno zadziała:D


    |piwo|
  • #8 15572923
    radekklimat
    Poziom 21  
    no szeregowo, małe niedopatrzenie
REKLAMA