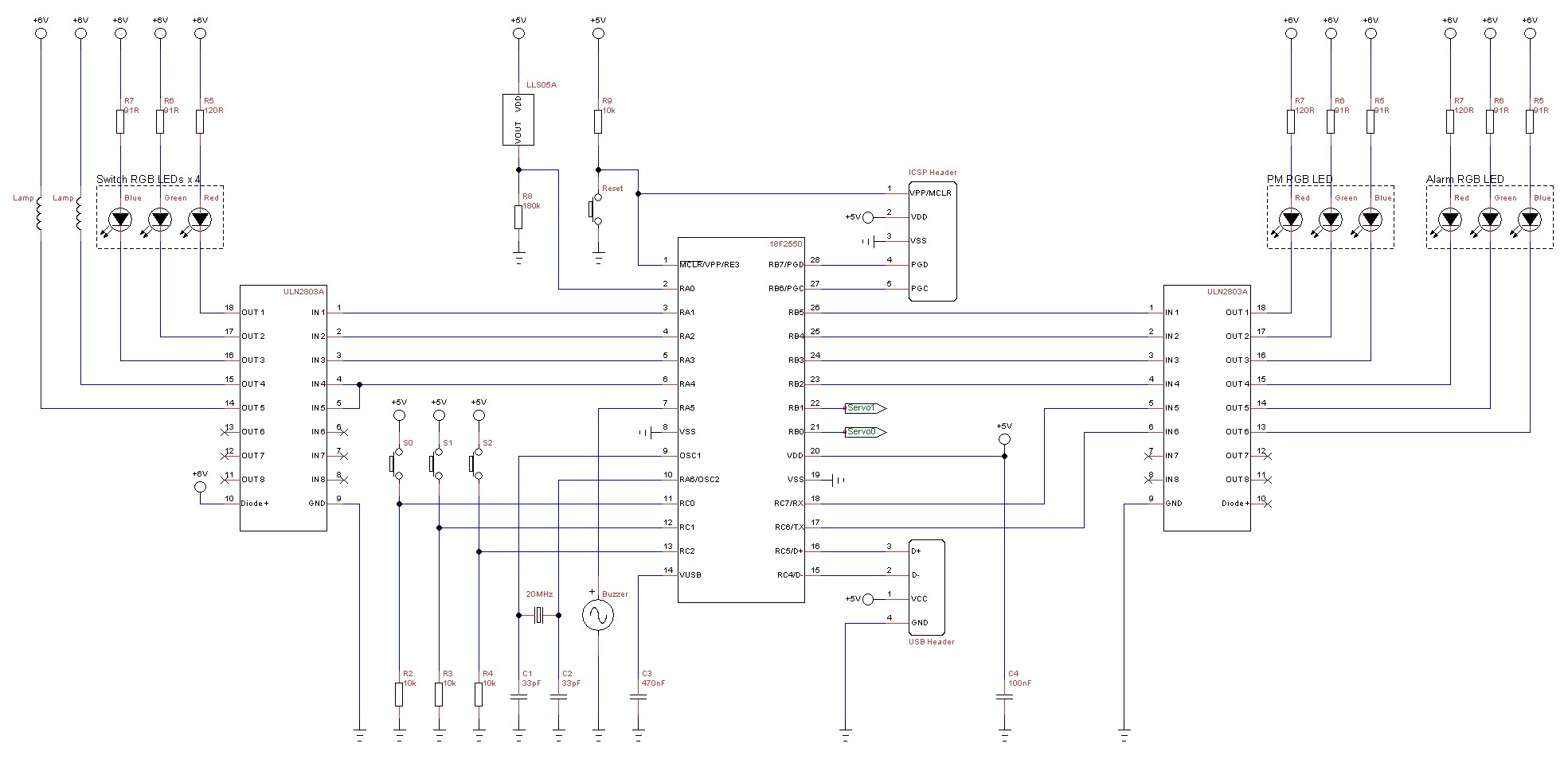
Przedstawiony zegar do wyświetlania aktualnej godziny wykorzystuje dwie oddzielne wskazówki, które wychylają się o kąt 90*. Do poruszania wskazówkami zastosowano serwomechanizmy sterowane z mikrokontrolera PIC18F2550. Na tym układzie zrealizowano również alarm, oraz pełne sterowanie przez port USB. Zegar posiada dużo mniej lub bardziej przydatnych gadżetów, lecz na zainteresowanie zasługuje sam pomysł, realizacja układowa oraz sterowanie z komputera
Na stronie znajduje się pełen listing programu.
Źródło: http://digital-diy.com/Swordfish-Projects/andys-geeky-clock.html
Fajne? Ranking DIY
