logo elektroda
logo elektroda
X
logo elektroda
REKLAMA
REKLAMA
Adblock/uBlockOrigin/AdGuard mogą powodować znikanie niektórych postów z powodu nowej reguły.

Cobra 200 GTL DX, ustawienie VCO.

ardnet 26 Gru 2010 21:45 1935 11
REKLAMA
  • #1 8916572
    ardnet
    Poziom 14  
    Posiadam Cobrę jak w temacie i problem jest taki, że jest w niej VCO rozlegulowane. W Manualu znalazłem jak to ustawić, napisane jest gdzie zmierzyć napięcie które nalezy ustawić na 2,8 V. Teraz tak, należy to zmierzyć sonda w.cz. podłączoną do multimetru?
    Jak podłączałem multimetr z końcówkami takimi jak w zestawie to napięcię zmniejszało się w funkcji mierzenia czasu o 0,1.
  • REKLAMA
  • #2 8917448
    SP5ANJ
    Spoczywaj w Pokoju
    Witam.
    ardnet napisał:
    ... napięcie które nalezy ustawić na 2,8 V. Teraz tak, należy to zmierzyć sonda w.cz. podłączoną do multimetru?.

    Należy zmierzyć napięcie multimetrem w pozycji V (w przedziale 20V) .

    Napięcie pomiędzy masą/minusem/GND a punktem pomiarowym i najlepiej jest ustawić rdzeniem w VCO tak, aby napięcie przestrajania varikapem (na kanale 20) było w przedziale +2V (+/- 0,5V) .


    Pozdrawiam.
  • #3 8919066
    ardnet
    Poziom 14  
    Ok. To co napisałeś to wiem, konkretnie mi chodzi o to czy do pomiaru urzyć samego multimetru (z kabelkami pomiarowymi ) czy sondy w.cz. zamiast kabelków pomiarowych?
  • #4 8920031
    SP5ANJ
    Spoczywaj w Pokoju
    Witam.
    ardnet napisał:
    ... konkretnie mi chodzi o to czy do pomiaru urzyć samego multimetru (z kabelkami pomiarowymi ) ...

    Sam Multimetr z jego kabelkami pomiarowymi. :D
    Pomiar V na napięcie 20V.

    Pozdrawiam.
  • REKLAMA
  • #5 8920538
    sq6ade
    Poziom 40  
    ardnet napisał:
    Posiadam Cobrę jak w temacie i problem jest taki, że jest w niej VCO rozlegulowane. .


    A skąd wiesz o tym skoro nie masz pojęcia jak to zmierzyć ?
    Lepiej napisz jakie masz objawy awarii.
  • REKLAMA
  • #6 8928519
    ardnet
    Poziom 14  
    Powiedział mi to kolega naprawiający sprzet CB w Szczecinie, pozatym trafila ona do mnie bez osłony metalowej VCO i z wyraznie naruszoną stearyną usztywniającą cewki w nim. Jak dotykoam punktu pomiarowego VCO to odczyt jest na poziomie 3,5 V i co około 1 sekunde spada 0,1 V.
    Mierzyłem już tak jak mówicie i jest tak jak napisałem.

    Dodano po 3 [minuty]:

    W VCO są dwa rdzenie do regulacji jeden od napięcia VCO a drugi od poziomu pracy, tak jest napisane w opisie, robiłem tak jak jest tam napisane.
  • #7 8928570
    sq6ade
    Poziom 40  
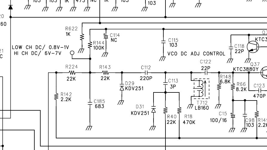
    W tym modelu ustawienie VCO może być dosyć istotne bo napięcie strojące generator stroi rónież obwody TX i RX.
    Po regulacji warto sprawdzić czułość RX i moc TX na całym paśmie.
    Regulacja rdzeniem w T712
    Cobra 200 GTL DX, ustawienie VCO.
  • #8 8928589
    ardnet
    Poziom 14  
    No, OK, ale możesz mi powiedzieć czemu moje odczyty na multimetrze pływają tak jak opisałem, czy tak poprostu ma być?
  • REKLAMA
  • #10 8928607
    ardnet
    Poziom 14  
    Sprawdzałem trzema, bo tyloma dysponuję. Nawet analogowym. Już kiedyś miałem taki przypadek, że pomiary były złe z powodu uszkodzonego miernika, to była pierwsza rzecz jaką sprawdziłem.
  • #11 8928636
    sq6ade
    Poziom 40  
    Raczej wskazanie powinno być stabilne - chyba że miernikiem zakłócasz działanie układu.
    Spróbuj zmierzyć to napięcie na C114.
  • #12 8928641
    ardnet
    Poziom 14  
    Po jutrze będę w domu to zmierzę tak jak mówisz.
REKLAMA