logo elektroda
logo elektroda
X
logo elektroda
REKLAMA
REKLAMA
Adblock/uBlockOrigin/AdGuard mogą powodować znikanie niektórych postów z powodu nowej reguły.

Programator ISP, Ponyprog, error -24

qba_wawa 01 Sty 2011 22:33 4490 14
REKLAMA
  • #1 8945208
    qba_wawa
    Poziom 11  
    Witam :)
    Po pierwsze chciałbym zaznaczyć iż pomimo jakiejś tam wiedzy z elektroniki to z programowania jestem kompletnie zielony, ale do rzeczy.
    Od pewnego czasu rośnie moje zainteresowanie mikrokontrolerami, lecz aby zacząć jakąkolwiek zabawę z nimi potrzebny jest programator. I tu się pojawia problem.
    Na początku starając się wgrać poprzez Ponyprog'a oprogramowanie mJoy16 (zgodnie ze wskazówkami), pojawiły się problemy przy zapisie (wyskoczył error). Programator do mJoy16 to w zasadzie pająk z taśmy i kilku rezystorów podłączany prosto pod port LPT komputera, który od samego początku wzbudzał moje wątpliwości.
    Testowany na kilku komputerach zawsze wywalał error -24 device is missing or unkown device.
    Po zaniechaniu dalszych prób postanowiłem zaopatrzyć się w prosty programator AVT-2550/p (oparty na buforze 74HCT244N), oraz kompatybilną z nim płytkę AVT-1452.
    Niestety, pomimo wszelkich prób na dwóch różnych komputerach nie udało mi się nawet odczytać zawartości flash z kości (posiadam 2 sztuki mega16).
    Również porty na obu komputerach są odblokowane, tak więc pytanie moje brzmi co się dzieje i czy da się mój problem jakoś rozwiązać :)

    Jeżeli potrzeba dodatkowych informacji to proszę pytać. Nie chciałbym się zrazić do mikrokontrolerów, ponieważ znam ich możliwości i chciałbym dążyć dalej ale bez możliwości ich zaprogramowania jest to raczej niemożliwe.
  • REKLAMA
  • #2 8945327
    bogi
    Poziom 29  
    Witam

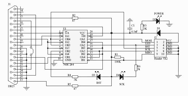
    mam pytanie czy podłaczyłeś zasilanie do programatora, bo z niego zasilany jest procesor? Na programatorze CON 3.
  • REKLAMA
  • #3 8945385
    qba_wawa
    Poziom 11  
    Przecież płytka z podstawkami (AVT-1452) posiada port USB z którego pobierane jest zasilanie + zasilacz AC+DC tak więc pełen wypas... A od niej zasilanie idzie poprzez złącze ISP1 do programatora.
    Tak, zasilanie na pewno dociera do programatora :) a wcześniej przy próbie programowania przez rezystory zasilanie było brane z płytki mJoy'a (również poprzez USB).

    EDIT:
    Zapomniałem dodać, że w PonyProg'u w interface setup po wybraniu LPT2 na parallel AVR ISP I/O i kliknięciu Probe wyskakuje Test Failed. Tak jakby zupełnie nie było połączenia na jakimś pinie przy porcie. Czy to może być uszkodzony port LPT? Choć to już byłoby dziwne ponieważ miałem taką sytuację na kilku komputerach...
  • #4 8949135
    bogi
    Poziom 29  
    A czemu korzystasz z LPT2 ? Coś takiego znalazłem o płytce na forum Elportalu:

    W sprawie tego kitu (AVT1452) - jest to kolejny bubel AVT. Twój problem wynika jednak z innej przyczyny. Co do bubla - MOSI dochodzi tylko do tiny DIP8. Z innymi życzę powodzenia - przyczyna - od pinu 5 (MOSI TINY DIP8) sygnał nie odchodzi już na pozostałe podstawki za sprawą przerwy w ścieżce przy samym pinie 5 ATTiny DIP8 (od strony elenentów). Trzeba tam zrobić małą zworkę.

    nie miałem nigdy więc nie mogę potwierdzić Sprawdź płytkę.

    powodzenia
  • REKLAMA
  • #5 8949948
    qba_wawa
    Poziom 11  
    Ok sprawdzę, ale to nie ma w sumie nic wspólnego z błędem -24 który mi się wyświetlał już na 3 różnych programatorach. LPT2 ponieważ aktualnie mam tak ustawione systemowo, wcześniej LPT1 dawało takie same rezultaty, czyli wspomniany error.
    Postaram się jutro wszystko dokładnie jeszcze sprawdzić, ale sam już nie wiem co to może być...
    Domyślam się że to jednak uszkodzony port drukarki, sądząc po teście portu którego nawet nie przechodzi w programie.

    Zostało mi jeszcze tylko wykonać jakiś najprostszy programator na porcie szeregowym, jak tylko dorwę końcówkę żeńską to zrobię pająka :)
  • REKLAMA
  • #7 8955895
    mastur1
    Poziom 2  
    Witam
    mam taki sam problem, przebadałem cala płytkę programatora i nie mogę znaleźć problemu, również sprawdzałem na innym komputerze i taki sam problem error -24. dziwne jest to że już kiedyś używałem tego programatora i programował bez problemu, ale przez kilka lat leżał w koncie nie używany a teraz nie chce ruszyć, ostatnia możliwość której nie zbadałem to HC244 ale czy od nie używania mógł się zepsuć? jak znajdę jakieś rozwiązanie lub przyczynę to napisze, chyba że ktoś opisze to wcześniej.
    pozdrawiam

    sprawdziłem wg schematu wyżej, mam takie zworki ale programator nie działa, zbudowałem najprostszy programator na złączu dsub25 i 4 rezystorach 330R jaki znalazłem w sieci. W pony prog test programatora wypada pozytywnie ale gdy próbuje wyczyścić, zapisać lub odczytać procka po chwili pojawia się znów ten komunikat. mam podłączone napięcia zasilania i wszystkie możliwości błędów sprawdzałem jakie znalazłem w necie. Zaczynam się zastanawiać czy to może wina systemu, ale na rożnych kompach jest ten sam efekt. brak słów.

    Aby sprawdzić czy port lpt działa poprawnie należy założyć zworkę na lpt na pin 2 i 12 uruchomić pony prog i test powinien być ok jeśli lpt nie jest uszkodzony. taką informacje znalazłem w opisie stk200/300. U mnie port Lpt przeszedł test pozytywnie. szukam dalej.
  • #8 8955964
    zumek
    Poziom 39  
    mastur1 napisał:
    ... i taki sam problem error -24.

    Spójrz na schemat załączony przez bogi i przyjrzyj się "mostkom" na wtyczce DB25 pomiędzy pinami 2-12 i 3-11. Zastosuj takie "mostki" również u siebie, a problem powinien ustąpić.

    Powodzenia :D
  • #9 8956167
    qba_wawa
    Poziom 11  
    W moim przypadku mostki nie pomogły, PonyProg tak jakby nie widzi podczepionego programatora...
    ISP Programmer nic nie widzi, wyskakuje "Bad signature or device not known".

    Mam jeszcze kilka sztuk 74HCT244, tak więc na szybko zrobię płytkę ze schematu który podał bogi.
  • #10 8958799
    bogi
    Poziom 29  
    Sprbuj podłączyc drukarkę lub coś innego pod LPT. Sprawd czy działa.

    A jeszcze w biosie masz włączony LPT ?

    Poszukaj programu do sterowania diodami led przez lpt może tak sprawdzisz przy braku drukarki.

    powodzenia
  • #11 8967124
    qba_wawa
    Poziom 11  
    Mój bios w zasadzie nie wie co to LPT... ogólnie jakiekolwiek porty :) Ale skoro windows takowe wykrył to zdaje się że są włączone.

    Drukarkę mam w sieci, nie mam centronics'a do podłączenia.

    Sztuczką z diodami led zajmę się jak tylko znajdę chwilę :)
  • #12 8967168
    kaczart
    Poziom 14  
    Osobiście z pony progiem miałem tak, że raz działał niezawodnie, a innym razem nie wykrywał programatora i za chiny nie szło go odpalić (tak jakby się coś zrypało), ciągle error. Resety biosu, komputera, zmiana dysku z innym systemem - nic. Najlepsze jest to, że sam potrafił się naprawić i jakiś czas chodził bez zarzutu. Z tego co zaobserwowałem najlepiej chodzi jak w biosie port LPT jest ustawiony na "EPP", jednak mimo to, potrafił kaprysić - nadal nie wiem dlaczego. Ja swoje testy przeprowadzałem na stk200. Przesiadłem się na avrdude i on jest niezawodny.

    pozdrawiam
  • #13 8980354
    mastur1
    Poziom 2  
    witam ponownie forumowiczów
    mój problem został rozwiązany, po sprawdzeniu wszystkiego co tylko przyszło mi do głowy, tzn płytki, połączeń, portu Lpt, napięć i różnych programatorów nie miałem już pomysłu co zrobić. dzisiaj pomyślałem ze może firewall blokuje port LPT, więc uruchomiłem komputer i wyłączyłem w nim sieć bezprzewodową i skype, uruchomiłem pony prog i spróbowałem zaprogramować procka. Poszło bez problemu, mam nadzieje że to pomoże także w innych przypadkach podobnych do mojego. Może któryś z programów używa tego samego przerwania.
    pozdrawiam:D
  • #14 9020263
    qba_wawa
    Poziom 11  
    Niestety po wielu próbach nie udało mi się nic zrobić, programator ze schematu który dał bogi również nie działa, obie diody do sygnalizowania pracy świecą się już po podłączeniu programatora pod port LPT, bez zewnętrznego zasilania.
    Póki co jednak chyba muszę sobie darować dalsze kroki w kierunku AVRów, pech mi sprzyja przy nich najwidoczniej.
    Pozdrawiam i dziękuję za szybkie odpowiedzi :)
  • #15 9025192
    bogi
    Poziom 29  
    Nie poddawaj się tak szybko.

    Na pół gwizdka może świecić D2 bo jest zasilana z LPT.
    Zrób doswiadczenie jeśli masz 74244 w podstawce wyciąg nic nie powinno świecić.

    I jeszcze sprawdzenie 74244:
    odłącz kabel lpt, zasil układ z 5v i na poszczególne wejścia podawaj odpowiednio
    0 lub 1 logiczne


    1G, 2G 0 0
    wej 0 1
    wyj 0 1

    Pozostanie sprawdzenie kabla lpt i portu w pc.

    Powodzenia
REKLAMA