Witam
Mam do wykonania zadanie, które nieco przewyższa moje umiejętności.
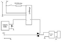
Muszę zaprogramować ATmega 8 do sterownika elektrozaworu. Schemat jest prosty, gorzej z programem. Ma to działać w ten sposób: mamy czujnik gazu, który gdy się załącza sygnalizuje niebezpieczeństwo czerwoną diodą mrugającą z częstotliwością 0,5Hz. Teraz jak zasilić z tego przekaźnik sterujący elektrozaworem? Wybrałem sposób z mikro procesorem i triakiem. Narysowałem schemat i teoretycznie powinno działać tylko, że jest problem. Nie potrafię programować. Po otrzymaniu sygnału z czujnika, At-mel ma włączyć przekaźnik aż do chwili zrestartowania. Oto schemat i proszę o pomoc.

Mam do wykonania zadanie, które nieco przewyższa moje umiejętności.
Muszę zaprogramować ATmega 8 do sterownika elektrozaworu. Schemat jest prosty, gorzej z programem. Ma to działać w ten sposób: mamy czujnik gazu, który gdy się załącza sygnalizuje niebezpieczeństwo czerwoną diodą mrugającą z częstotliwością 0,5Hz. Teraz jak zasilić z tego przekaźnik sterujący elektrozaworem? Wybrałem sposób z mikro procesorem i triakiem. Narysowałem schemat i teoretycznie powinno działać tylko, że jest problem. Nie potrafię programować. Po otrzymaniu sygnału z czujnika, At-mel ma włączyć przekaźnik aż do chwili zrestartowania. Oto schemat i proszę o pomoc.