logo elektroda
logo elektroda
X
logo elektroda
REKLAMA
REKLAMA
Adblock/uBlockOrigin/AdGuard mogą powodować znikanie niektórych postów z powodu nowej reguły.

[Bas][ATmega8]Regulacja obrotów silnika prądu stałego.

stoper17 07 Sty 2011 20:23 8917 23
REKLAMA
  • #1 8960223
    stoper17
    Poziom 20  
    Jeśli jeszcze mogę prosić o pomoc to nie mogę ugryźć tego problemu. Mam program:
    $regfile = "m8def.dat"
    $crystal = 8000000
    
    Config Portb = Output
    Config Timer1 = Pwm , Pwm = 8 , Compare A Pwm = Clear Up , Prescale = 1
    
    
    Dim I As Byte
    
    Do
       For I = 1 To 200
          Pwm1a = I
          Waitms 1
       Next I
    
        For I = 200 To 1 Step -1
          Pwm1a = I
          Waitms 1
       Next I
    Loop
    End


    Wyjście czyli PB1 podpinam pod bramkę mojego triaka(BTB16) przez potencjometr tak jak na schemacie, i cisza;/ co robie nie tak? wiem że temat wałkowany ale nie znalazłem odp dla siebie;/
    [Bas][ATmega8]Regulacja obrotów silnika prądu stałego.
    Proszę o pomoc

    Moderowany przez zumek:

    Następnym razem - jak kolega będzie tak "skakał" z tematu na temat - wszystko wyląduje w koszu. Temat podzieliłem.

  • REKLAMA
  • #2 8961938
    Konto nie istnieje
    Poziom 1  
  • #3 8970971
    stoper17
    Poziom 20  
    Mam zwykły silniczek,taki od pompki do pompowania pow. w samochodach, i chciałbym go generalnie na różne sposoby wysterować.
    Założenie było takie, by obroty zwiększały się i zmniejszały( bez większego celu, dla nauki).Na razie taki tylko wymóg, dlatego pod PWM, elektronikiem niestety nie jestem:( dlatego posłużyłem się triakiem z odkurzacza, i też wzorowałem się na tym ( miałem jeszcze ZO107, ale bardzo się grzał;/)

    CEL: uruchomienie silnika za pośrednictwem programu.
  • REKLAMA
  • #5 8976888
    stoper17
    Poziom 20  
    Czyli np BUZ11 nadawał by się do tego celu?
  • #6 8976939
    Konto nie istnieje
    Poziom 1  
  • REKLAMA
  • #7 8976976
    stoper17
    Poziom 20  
    znalazłem chyba odpowiedni schemat dla siebie. Proszę tylko o weryfikację
    [Bas][ATmega8]Regulacja obrotów silnika prądu stałego.

    i czy dioda na pewno musi być?
  • #8 8977225
    Konto nie istnieje
    Poziom 1  
  • #9 8990420
    stoper17
    Poziom 20  
    No niestety układ nie działa poprawnie;/ silnik działa bez względu czy jest podłączony układ czy nie, tak jakby był cały czas otwarty:( Zastanawiam się czy przypadkiem nie powinien być połączony mój mosfet Gate z Source przez rezystor??
  • #10 8990465
    piotrva
    VIP Zasłużony dla elektroda
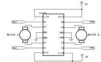
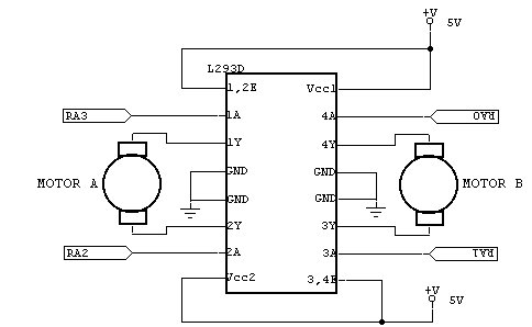
    zastosuj jakiś mostek h, np l293D, pod tym hasłem w googlach znajdziesz schematy podłączenia, np:
    [Bas][ATmega8]Regulacja obrotów silnika prądu stałego. [Bas][ATmega8]Regulacja obrotów silnika prądu stałego.
  • #11 8990659
    grala1
    Specjalista grupy V.A.G.
    Żeby zastosować mostek to trzeba wiedzieć wcześniej jaki prąd pobiera silnik.
    Schemat z diodą powinien działać.
  • #12 8990795
    stoper17
    Poziom 20  
    może problem tkwi w źródłach zasilania? Atmega z baterii zasilana a silnik z akumulatora??
  • Pomocny post
    #13 8990831
    Konto nie istnieje
    Poziom 1  
  • #14 8990953
    grala1
    Specjalista grupy V.A.G.
    stoper17 napisał:
    może problem tkwi w źródłach zasilania? Atmega z baterii zasilana a silnik z akumulatora??

    A czy połączyłeś razem minusy obu źródeł?
    Rezystor między uC a bramką by się przydał w celu ochrony portu atmegi ale bez niego też powinno chodzić.
    Rezystor między źródłem a bramką nie jest w tym przypadku potrzebny bo 0 pojawiające się na wyjściu uC powinno rozładować mosfeta.
    Podejrzewam że przyczyna tkwi w błędnym podłączeniu tranzystora lub jego ewentualnym uszkodzeniu - bez podania stanu wysokiego na bramkę tranzystora silnik nie powinien działać. Albo źle podłączyłeś tranzystor albo nie dałeś diody na początku i go uszkodziłeś.
    Dioda w tym przypadku służy do tłumienia przepięć generowanych przez silnik.
    Proponuje sprawdzić podłączenie tranzystora (bramka, dren, źródło) i zobaczysz czy silnik będzie działał bez podania + na bramkę, jeżeli zadziała to do wymiany tranzystor. Jeżeli nie zadziała to podać plusa z zasilania na bramkę i silnik powinien kręcić. Jak tak będzie działało to dopiero brać się za podłączanie do uC.
  • #15 8990977
    stoper17
    Poziom 20  
    Sprawdzałem i to było moim pkt wyjścia.Ominąłem te rezystory.
    Również zrezygnowałem z dwóch źródeł zasilania tak jak wcześniej pisałem. Zastosowałem rezystor na zasilaniu atmegi i reszta na silnik i... DZIAŁA :D



    Jeszcze chciałbym się dowiedzieć jedno: moją atmege mogę zasilić do 5.5V 3.6mA??
    Czy jak to zrobić by wykorzystać max moje urządzenie nie uszkadzając amtegi?
  • #16 8991103
    grala1
    Specjalista grupy V.A.G.
    stoper17 napisał:
    Zastosowałem rezystor na zasilaniu atmegi

    Zasilasz atmege z 12V przez rezystor?
  • #17 8992825
    stoper17
    Poziom 20  
    Tak też zrobiłem.Działało bez problemu.Sprawdziłem też sposób ze wspólnym minusem i też wszystko bez zarzutu funkcjonowało :) nie wiem czemu wcześniej był problem:( teraz uderzę o opcję zmiany kierunku obrotów jak wcześniej jedne z kolegów zasugerował :)

    -Czy na mostku H uzyskam efekt sterowania silnikem w dwóch kierunkach?

    -Jeśli może mi ktoś zobrazować sytuację,jak rozwiązywane są sytuacje zasilania jakiegoś niekoniecznie skomplikowanego układu gdzie wymagane jest zasilenie silnika przez 12V a zasilanie jakiegoś mikrokontrolera jest 5V( wnioskuje po wypowiedzi grala1 że zrobiłem coś niedopuszczalnego)
  • #18 8993482
    piotrva
    VIP Zasłużony dla elektroda
    Ten mostek h ma taką możliwość z tego co pamiętam może także mieć osobne, wyższe zasilanie dla silników, ale sprawdź to w karcie katalogowej
    Co do sterowania w dwie strony to patrz na moje schematy...
  • #19 8993886
    grala1
    Specjalista grupy V.A.G.
    stoper17 napisał:
    Jeśli może mi ktoś zobrazować sytuację,jak rozwiązywane są sytuacje zasilania jakiegoś niekoniecznie skomplikowanego układu gdzie wymagane jest zasilenie silnika przez 12V a zasilanie jakiegoś mikrokontrolera jest 5V( wnioskuje po wypowiedzi grala1 że zrobiłem coś niedopuszczalnego)

    Do zasilania uC proponuje stabilizator LM317 lub 7805. Ten pierwszy jest regulowany i trzeba policzyć do niego rezystory by na wyjściu uzyskać 5V. 7805 ma na wyjściu już 5V wiec nie trzeba nic kombinować. Trzeba jeszcze pamiętać o kondensatorach w obu przypadkach. Radze Ci jak najszybciej zmienić sposób zasilania uC.
    Co do sterowania w obie strony to do tego używa się mostków H.
    Tu masz opisane co i jak
    http://www.dioda.com.pl/forum/topics20/h-bridge-vt111.htm
    Przy zastosowaniu PWM i mostka można uzyskać łagodny start i stop silnika oraz regulację obrotów silnika.
    Zanim użyjesz mostka to proponuje zmierzyć prąd jaki pobiera silnik bez obciążenia a jaki przy zatrzymaniu wałka ręką.
  • #20 9032558
    stoper17
    Poziom 20  
    Dostałem już swój mostek H (L293D) i pytanie pod Vcc1 podpinam +5V natomiast pod Vcc2 zasilanie silników do 36V 600mA mogę podpiąć?? Dobrze wyczytałem??
  • #21 9032758
    grala1
    Specjalista grupy V.A.G.
    stoper17 napisał:
    Dostałem już swój mostek H (L293D) i pytanie pod Vcc1 podpinam +5V natomiast pod Vcc2 zasilanie silników do 36V 600mA mogę podpiąć?? Dobrze wyczytałem??

    Tak
  • #22 10454652
    xyz541
    Poziom 10  
    witam, robię sterowanie silnika dc12v (od komputera). zasilanie układu sterowania jest jak dla atmega8 - 5v. silnik jest 12 v.
    zrobiłem dwa zasilacze na lm317 jeden na 5v drugi na 12v.
    czy mogę połączyć masy obu zasilaczy ze sobą?
    napięcia przemienne do zasilaczy są z jednego trafo(tylko inne odczepy)
    sterowanie silnika wg opisu PWM w książce p.M.Wiązanii
    proszę o info
  • REKLAMA
  • #23 10469818
    SylwekK
    Poziom 32  
    @xyz541, a masz już jakiś szkic (schemat) tego co chcesz zrobić ? Logicznym i przede wszystkim niezbędnym zdaje się być połączenie wszystkich mas razem (masa mikrokontrolera i stopnia sterującego) dla typowego układu aczkolwiek są sytuacje gdzie wymagana jest separacja.
  • #24 10478621
    xyz541
    Poziom 10  
    podłączyłem masę obu obwodów i działa,dzięki za informację pozdrawiam i kończę temat
REKLAMA