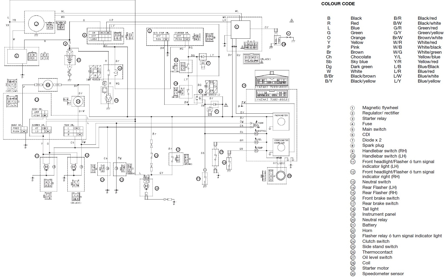
Witam chciałem podłączyć odpalanie z pilota w motocyklu yamaha, potrzebny jest do tego przekaźnik 30/40 więc takowy zakupilem i podłączyłem zgodnie ze schematem który wysłał mi producent, lecz po nacisnięciu guzika w pilocie w alarmie tylko słychać "pyknięcie" a rozrusznik nie reaguje. (w yamahach rozrusznik jest sterowany masą czy jakoś tak - nie znam sie na tym)
Wiem że ten bajer jest zbędny ale sprzedaje moto i chcę aby wszystko działało
Proszę o pomoc

Wiem że ten bajer jest zbędny ale sprzedaje moto i chcę aby wszystko działało
Proszę o pomoc


