logo elektroda
logo elektroda
X
logo elektroda
REKLAMA
REKLAMA
Adblock/uBlockOrigin/AdGuard mogą powodować znikanie niektórych postów z powodu nowej reguły.

AVR studio, ładowanie programu

korky 05 Lut 2011 08:29 4257 9
REKLAMA
  • #1 9105483
    korky
    Poziom 13  
    Witam. To mój drugi post na elektrodzie. Od mojego pierwszego pytania trochę poczytałem i trochę zrobiłem, jednak w końcu się muszę upewnić jak uwieńczyć dzieło jakim jest pierwszy program wgrany do mikrokontrolera. Będąc totalnym noobem, boję się , że jeśli zrobię coś nie tak to popsuję wszystko ...Tak więc o to co zrobiłem:
    -stworzyłem następujący układ:
    http://www.kursc.dioda.com.pl/img/art001_schemat1.png
    -zakupiłem programator ISP AVR - USB RoHS ATMEL FV
    http://allegro.pl/nowosc-programator-isp-avr-usb-rohs-atmel-fv-i1413301575.html
    -podłączyłem programator do układu- mam nadzieję, że zgodnie ze schematem :)
    -zainstalowałem WinAVR i AVR studio, stworzyłem nowy projekt wybierając przy tym odpowiedni mikrokontlorer
    i teraz wieńcząca sprawa ... jak wgrać program do mikrokontrolera, który mam sobie o tu w tym kursie: http://www.kursc.dioda.com.pl/str001.html
    Avr Studio jeszcze nie konfigurowałem w żaden sposób, poza tworzeniem odpowiedniego projektu. Chciałbym prosić o dokładną instrukcję jak wszystko po kolei zrobić. Starałem się znaleźć jasną instrukcję, niestety nie udało mi się...
    tutaj na przykład (https://www.elektroda.pl/rtvforum/topic1059204.html) nie wiem po co dodatkowe pliki .c i .h ... czy są konieczne ? po co są?
    Druga sprawa... Sprzedawca programatora niestety nie pomyślał o tym by dać mi instrukcję ... Może to zbyt oczywiste, ale nie dla mnie. Chodzi o 2 zworki .. przeczytałem gdzieś ze jedna odpowiada za prędkość a druga za zasilanie .. obserwując ścieżkę jednego ze zworków dochodzę do gniazda 2x5 -czyli rozumiem, że odpowiada za zasilanie z programowanego układu.. Czyli jeśli chcę, żeby programator był zasilany przez gniazdo USB, po prostu wyciągam tą zworkę ? Co z drugą zworką ? Za jaką prędkość dokładnie odpowiada i w jaki sposób ?

    Pozdrawiam i przepraszam ... Jak zostanie mi wytłumaczone powyższe, myślę, że nie będę już was wnerwiał mało ambitnymi pytaniami ...
  • REKLAMA
  • #2 9106050
    dawid512
    Poziom 32  
    Koniecznie zobacz tu Link.

    Odnośnie programatora wygląda to na USBasp.
    Co do zworek:
    - jedna służy do załączenia/wyłączenia zasilania układu docelowego czyli możesz zasilać swój układ z programatora lub nie
    - druga zworka służy do zmniejszenia częstotliwości ISP przydatne gdy procesor taktowany jest małym zegarem

    Jeżeli chcesz coś zaprogramować musisz użyć zewnętrznego programu np. avrdude lub podobnych żeby wgrać plik wynikowy z rozszerzeniem .hex bo z avrstudio nie ruszy.
  • #3 9107640
    korky
    Poziom 13  
    Czytałem posta który wymieniłeś w odpowiedzi (zresztą nadmieniłem to w treści mojego zapytania), tylko nie do końca wszystko czaję... dodatkowe pliki .c .h rozumiem, że nie są potrzebne, tylko potem przy bardziej rozbudowanych funkcjach wiec pomijam... czyli kompiluję, następnie robię build ... powstaje plik hex który w takim razie, jak napisałeś, mam wgrać programem avrdude... Moje kolejne pytanie ... po co te opcje w avr studio odnoście programatora (connect dialog, ikonka nad obszarem roboczym) jeśli program mam wgrać przez avrdude ?
  • REKLAMA
  • #4 9107715
    dawid512
    Poziom 32  
    Bo avrstudio nie obsługuje twojego programatora.
  • REKLAMA
  • #5 9107746
    korky
    Poziom 13  
    a w jaki sposób stworzyć plik makefile ? Ponieważ bez niego nie skompiluję ... Stworzyć za pomocą WINAVR-makefile ? Zostawić w katalogu projektu i będzie ok ?

    Dodano po 1 [godziny] 20 [minuty]:

    do tego AVRdude się nie uruchamia, znaczy się, włącz się i wyłącza od razu . Przez ten ułamek sekundy łapię następującego screenshota

    AVR studio, ładowanie programu

    Mam windowsa 7 64x ...

    Może jeszce inaczej ... Może ściągam złego avrdude'a ...
    Skąd najlepiej ściągnąć wersję pod Windows ? Bo znalazłem tutaj
    http://download.savannah.gnu.org/releases/avrdude/ ale to chyba ma pliki linuxe czy co, bo nic z tym nie mogę zrobić ...
  • #6 9108798
    dawid512
    Poziom 32  
    Możesz spokojnie korzystać z avrstudio by napisać i skompilować program, oczywiście musisz mieć zainstalowane winavr. Później po kompilacji w folderze twojego projektu jest folder "default" gdzie znajdziesz plik z rozszerzeniem .hex. Włśnie ten plik wgrywasz do uc.

    Zamiast czystego avrdude możesz skorzystać z jego nakładek bądź np. z khazama avr programmer i wielu innych.
  • #7 9110142
    korky
    Poziom 13  
    mam już wszystko, gotowy plik hex, program khazama tylko, problem w tym, że Windows nie widzi mojego programatora, znaczy się, coś nie do końca z nim pasuje. Przeczytałem w jednym temacie, żebym zainstalował sterowniki w trybie uruchomienia windowsa, który umożliwia instalowanie sterowników bez podpisów cyfrowych. Fajnie ... zainstalowałem . W danym trybie Windows widzi programator bez błędnie, uruchamiam khazame, chce załadować hexa a tu tym razem nie pisze mi, że nie wykrywa programatora, ale :

    AVR studio, ładowanie programu

    co to do cholery ma znaczyć !?
  • #8 9111896
    szpicus
    Poziom 10  
    Problem moze byc w 64 bitach
    testowalismy z znajomym inny programator (stk500) i o ile u mnie na Viscie 32 bitowej dzialal bez problemu to na 7-ce 64 bitowej nie chcial dzialac.
  • #9 9114716
    dawid512
    Poziom 32  
    Działa na win7 64bit bo sam mam:).

    W czym może być problem? hmmm
    -połączenia miedzy programatorem sprawdzić co najmniej 10 razy
    - uruchomić system w trybie pominięcia sprawdzania podpisów sterowników
  • REKLAMA
  • #10 9124766
    korky
    Poziom 13  
    hmmm jestem już bilsko, ale nie wiem już co mogę wykluczyć ... Avrdude widzi programator, ale przy programowaniu dioda świeci przez ułamek seukndy na czerwono (programuje... ) i wyskakuje:

    avrdude.exe: error: programm enable: target doesn't answer. 1
    avrdude.exe: AVR device initialized and ready to accept instructions

    Reading | ################################################## | 100% 0.00s

    avrdude.exe: Device signature = 0x000000
    avrdude.exe: Yikes! Invalid device signature.
    Double check connections and try again, or use -F to override
    this check.

    avrdude.exe done. Thank you.

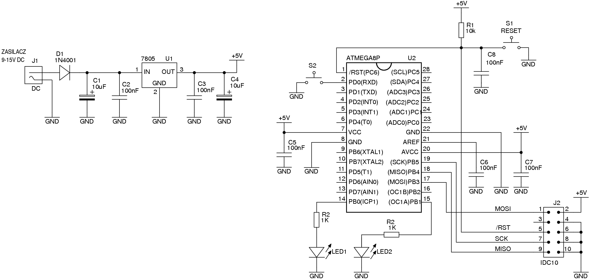
    programuje taki układ:

    AVR studio, ładowanie programu

    odłączyłem diody na wyjściach i przycisk na wejściu, żeby zostało już tylko to co jest potrzebne do samego zaprogramowania, czy coś jeszcze nie jest potrzebne ?
    Czy możliwe ze uszkodziłem atmege8 w jakiś sposób, czy AVRy są debilo-odporne ?
REKLAMA