logo elektroda
logo elektroda
X
logo elektroda
REKLAMA
REKLAMA
Adblock/uBlockOrigin/AdGuard mogą powodować znikanie niektórych postów z powodu nowej reguły.

Bardzo słaby odbór Johnny II ASC

mikun 08 Lut 2011 16:04 4157 5
REKLAMA
  • #1 9121683
    mikun
    Poziom 12  
    Zanim napisałem posta przeczytałem podobne tematy ale tam królował problem z filtrem 455kHz który wymieniłem na samym początku, jednak okazało się że to nic nie dało. Uszkodzony filtr 455kHz objawia się całkowitym brakiem odbioru u mnie ten odbiór jest ale tak jakbym miał RF Gain na minimum. Co silniejsze mobile słychać (są bardzo blisko) praktycznie zero szumu z eteru nawet na antenie bazowej. Sprawdzałem (co było sugerowane w innych postach) od mikrofonu przez przewód antenowy po samą antenę jednak nie tym tkwi problem. Pożyczyłem od znajomego generator funkcyjny ustawiłem go na 10,7MHz i gdy dotykam nóżek filtrów L3 i L4 słychać szum oraz zapalają się wszystkie diody na s-meterze. Mój znajomy miał taki sam problem ale z harrym II i poddał się. Sprawdziłem wszystkie filtry (cewki) testem ciągłości żadna nie ma przerwy. Nie wiem jakie jeszcze elementy są wadliwe zaraz za filtrem 455kHz gdzie tu znaleźć punkt zaczepienia, gdzie jeszcze mogę szukać uszkodzonego elementu? Może któremuś z kolegów przytrafił się taki przypadek?
  • REKLAMA
  • #2 9121783
    gregorio27
    Poziom 31  
    A nadaje ? Obstawiam D2 lub C1, w dalszej kolejności D1, Q1. Lub jeśli problem z nadawaniem to prozaiczny brak kontaktu gniazda z płytą.
  • REKLAMA
  • #3 9121868
    SP5ANJ
    Spoczywaj w Pokoju
    mikun napisał:
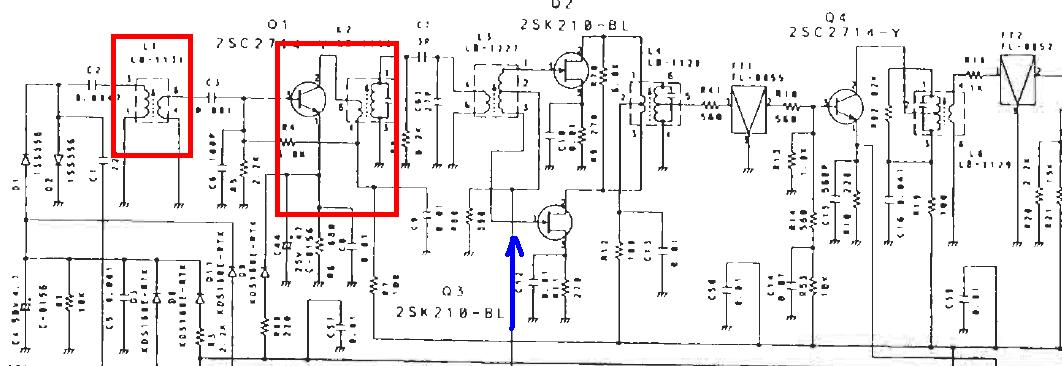
    Pożyczyłem od znajomego generator funkcyjny ustawiłem go na 10,7MHz i gdy dotykam nóżek filtrów L3 i L4 słychać szum oraz zapalają się wszystkie diody na s-meterze.

    "Słychać szum" i "zapalają się wszystkie diody ..." .
    A jakim poziomem w uV podawałeś ten sygnał z generatora - to ważne. ???

    I dlaczego jak podłączałeś generator 10,7MHz na wejście filtru L3, również miałeś sygnał taki sam jak przy podłączeniu na L4. ???

    L3 to I mieszacz odbiornika a L4 to II mieszacz odbiornika.

    Bardzo słaby odbór Johnny II ASC

    To co opisujesz, to może być :
    - w I mieszaczu odbiornika, za mały sygnał z VCO (zaznaczyłem na niebiesko)
    - we wzmacniaczu wejściowym odbiornika (zaznaczyłem na czerwono) . Dość często ulega zniszczeniu L1 (rozwarciu elektrycznym) w uzwojeniu pierwotnym i/lub wtórnym oraz kondensatory C2.
    Cytat:
    Sprawdziłem wszystkie filtry (cewki) testem ciągłości żadna nie ma przerwy.

    Sprawdź czy i jakie są napięcia na D1 i D2 (ARW i blokada przy TX).

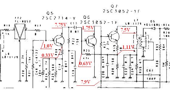
    Jakby co - tu masz jakie powinny być napięcia na wzm. II p.cz. odbiornika.

    Bardzo słaby odbór Johnny II ASC


    Pozdrawiam.
  • REKLAMA
  • #4 9150901
    mikun
    Poziom 12  
    gregorio27 nadaje i to bardzo czysto wiem że czasami uszkodzona końcówka mocy może tak zwierać że odsłuch jest minimalny sam miałem taki przypadek.
    SP5ANJ bardzo dziękuję za wskazówki i schematy próbuję ogarnąć o co chodzi ale na SMD są wybiórczo pozaznaczane elementy znalazłem diody D1 i 2 zmierzyłem i mają około 140-150mV C2 nie udało mi sie namierzyć L1 nie ma przerwy. Jutro postaram się wrzucić zdjęcie wątpliwych elementów. BTW ostatnio mój kolega też próbował naprawić swoje stabo xm3001(johnny II) i też nie mógł sobie poradzić.
  • REKLAMA
  • #5 9152410
    SP5ANJ
    Spoczywaj w Pokoju
    Witam.

    Pamiętaj, że Bardzo Częstą usterką w tego typu radiach są psujące się filtry ceramiczne na 455kHz .

    Dlatego podałem na drugim zdjęciu - jakie powinny być napięcia - , ponieważ filtr ten zwiera się na wyjściu co powoduje zmniejszenie się napięcia na 1-szej bazie TR .
    Poprawka - w tym modelu filtr jest na Q6 .


    Pozdrawiam.
  • #6 10484176
    mikun
    Poziom 12  
    Po ponad roku leżakowania zabrałem się ponownie za radio i znalazłem pękniętą (wytrawioną) ścieżkę trudno to ocenić. Leciałem testerem ciągłości, który jest w chyba każdym mierniku. Dziękuję wszystkim, którzy pomagali mi w rozwiązaniu problemu. Temat uważam za zamknięty :-)
REKLAMA