logo elektroda
logo elektroda
X
logo elektroda
Adblock/uBlockOrigin/AdGuard mogą powodować znikanie niektórych postów z powodu nowej reguły.
  • O autorze
    zaza
    VIP Zasłużony dla elektroda
    Offline 
    Specjalizuje się w: komputery
    zaza napisał 892 postów o ocenie 54, pomógł 8 razy. Mieszka w mieście NL. Jest z nami od 2002 roku.
  • #2 96979
    Tremolo
    Poziom 43  
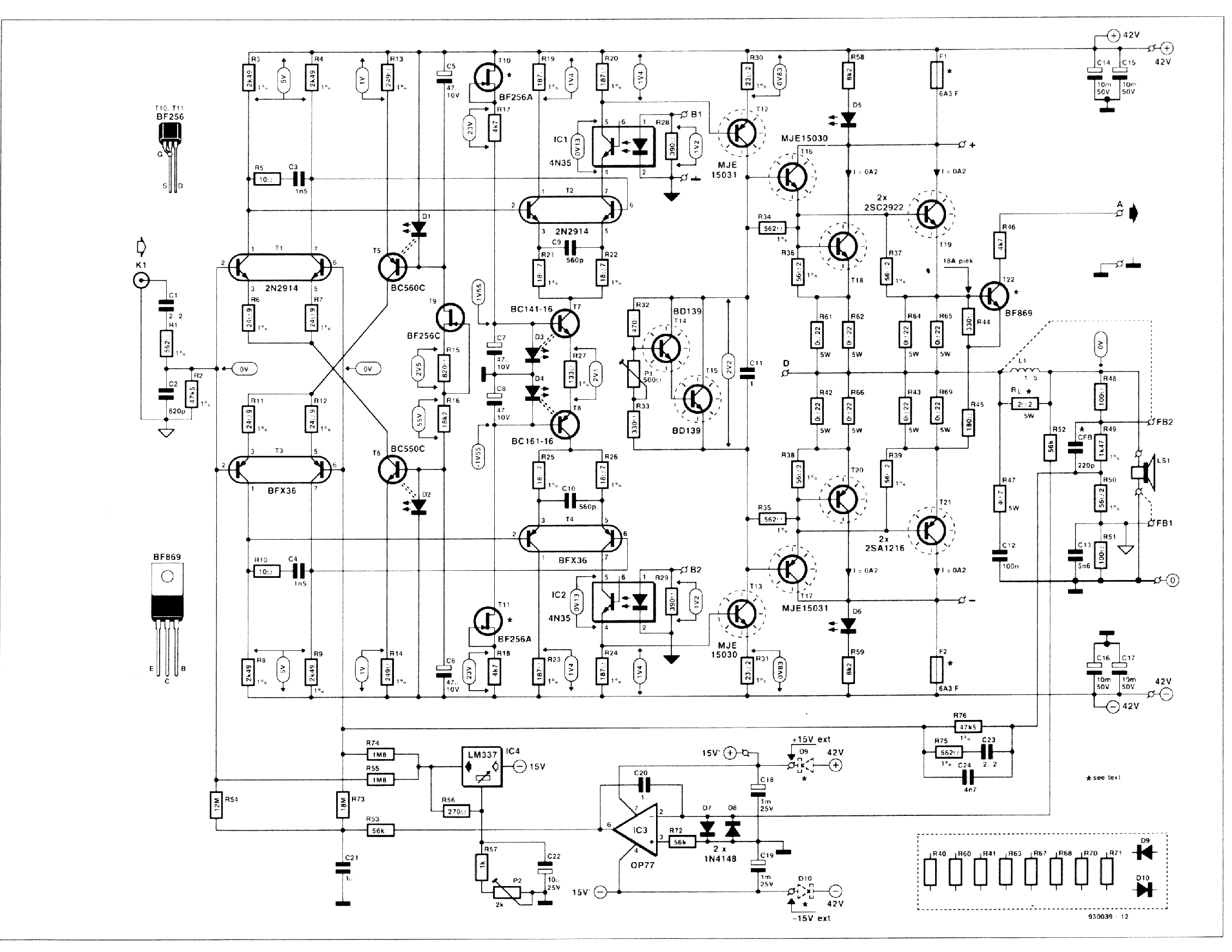
    bardzo nietypowe zastosowanie diod LED //sprzężenie termiczne z tranzystorami??//, i tranzystora JFET...(rezystor nieliniowy?)
    Pomogłem? Kup mi kawę.
  • #3 98278
    audioamp
    Poziom 12  
    A jak by ktoś chciał opis i rysunki płytek to są w Elektor 6 i 7/94
    Ja się dość często spotykałem się ze sprzężeniem termicznym led-a z tranzystorem i nie tylko we wzmakach
  • #4 360434
    norbi
    Poziom 16  
    no moze sie kto zlituje wreszcie i przynajmniej plytki wrzuci choc jakis opis by sie przydal
    :arrow: audioamp zapewne posiadasz ten artykul wiec moze sie podzielisz :D
  • #5 360681
    zn21
    Poziom 18  
    Płytki do wzmacniacz HI-End trawiłem parę lat temu w Z E "ELGRAF" w Cigacicach.
    Napewno właściciel tej firma ma wszystkie płytki na kliszy. Dodatkowo wiercił otwory z naprawdę rozsądną cenę.
    zn21
    zn21(_at_)poczta.onet.pl
  • #6 364408
    Redzi
    Poziom 12  
    Jak ktoś ma ochotę to można w protelu albo power PCB płytkę zaprojetować :wink:
    pzdrv
  • #7 365246
    norbi
    Poziom 16  
    to ma byc jak nazwa mowi wzmak HI-END ;) wiec przy projektowaniu plytki trzeba naprawde sie postarac a najlepiej wziasc ta z artykulu bo jak sie domyslam jest sprawdzona i przetestowana
  • #9 2498301
    krzysztof
    Poziom 11  
    jak na hi-endową koncówke mocy (170W) to chyba za niskie zasilanie.
    warto terz sie rozejrzec za dosyć szybkimi odpowiednikami tranzystorów
    mocy w przystępnej cenie, bo te typy to niezły wydatek. w sumie ciekawe
    wyzwanie dla audiokonstruktora, układzik wygląda dośc szybko
  • #10 2500965
    tomahawk_
    Poziom 18  
    hmm +- 42 dla 4 ohm to wystarczająco
  • #11 2576181
    terminus
    Poziom 17  
    Czy jest już ktoś, kto to zbudował ?
    Mam prośbę o kompletny skan tego artykułu lub link do niego, w innym wątku było coś na ten temat, ale bez konkretów.Kilkanaście lat lemu zbudowałem układ z RE 6'82 i teraz mam chęć na ten "hi-end".
    Z góry dziękuję.
    terminus666(_at_)o2.pl
REKLAMA