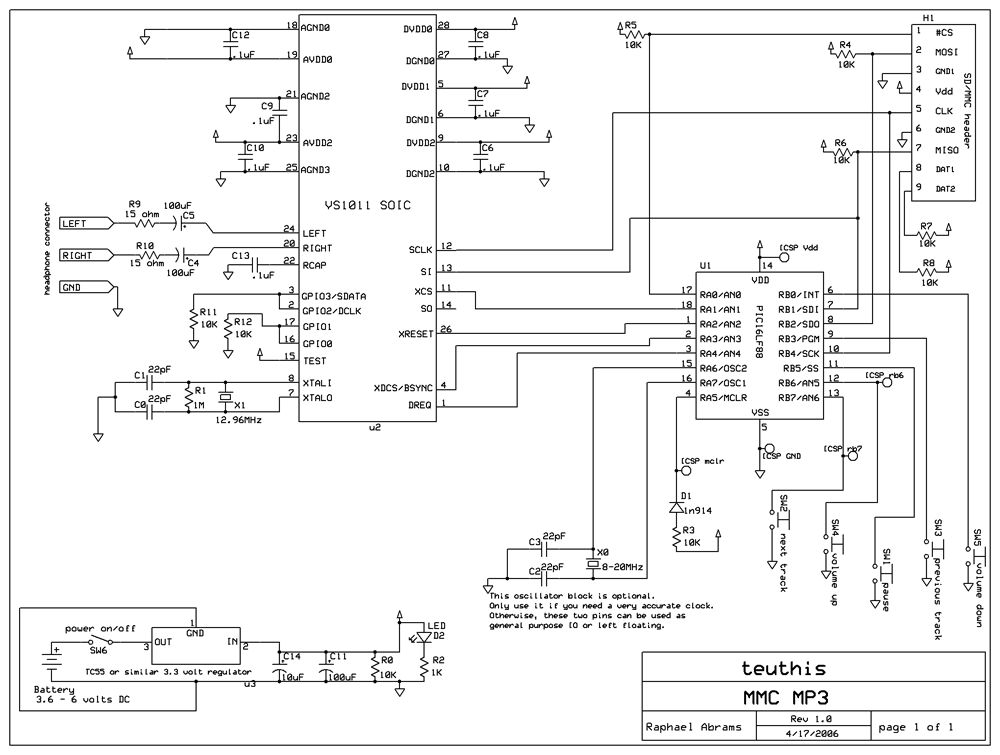
Odtwarzacz obsługuje podstawową nawigacje utworu, regulację głośności, i system plików FAT32. Pliki muzyczne są odtwarzane z wysoką jakością. Bez problemu odtwarza pliki muzyczne 256Kbps. Odtwarzacz obsługuje również pliki WAV, lecz muszą być niskiej jakości. Za sterowanie odtwarzacza odpowiada mikrokontroler PIC16LF88. Dekodowaniem plików mp3 zajmuje się układ VS1011b, który niestety jest trudno dostępny. Zamiast niego można zastosować VS1011E, ale trzeba będzie wtedy wprowadzić drobne zmiany.
Aby można było załadować pliki muzyczne na kartę pamięci niezbędny adapter do podłączenia do komputera. Niektórzy posiadacze laptopów mają już wbudowane takie czytniki. Po wrzuceniu plików muzycznych na kartę pamięci, włożeniu do odtwarzacza i podłączeniu zasilania powinno rozpocząć się odtwarzanie pierwszego utworu. Piosenki są odtwarzane w takiej kolejności jak są zapisane na karcie pamięci. Sterowanie odtwarzaczem odbywa się za pośrednictwem joysticka. .
Na stronie są dostępne pliki źródłowe i wzór płytki drukowanej. Kod źródłowy jest napisany w języku C. Zajmuje całą powierzchnie pamięci mikrokontrolera.
Odtwarzacz zasilany jest przez 3 akumulatorki Ni-MH AAA.
Źródło
Fajne? Ranking DIY
