Witam..
Ostatnio dostał mi się w posiadanie wyświetlacz od Noki, postanowiłem ze zaprojektuje sobie ładną płytkę do tego wyświetlacza, lecz natrafiłem na problemy a mianowicie w internecie jest wiele schematów jedni podłączają tak a drudzy inaczej i chciałbym zasugerować się waszą pomocą.
Jak wiadomo wyświetlacz od Noki ma zalecane napięcie 3.3V a u mnie z przymusu (płytka uniwersalna) muszę zasilać atmege z 5V poniżej podaje parę schematów i kilka pytań:
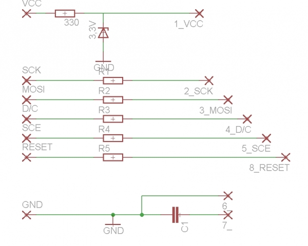
Sch. 1
- czy potrzebne są tu rezystory ograniczające prąd?
- czy potrzeba aż tyle diod zenera w przypadku zasialania atmegi z 5v?
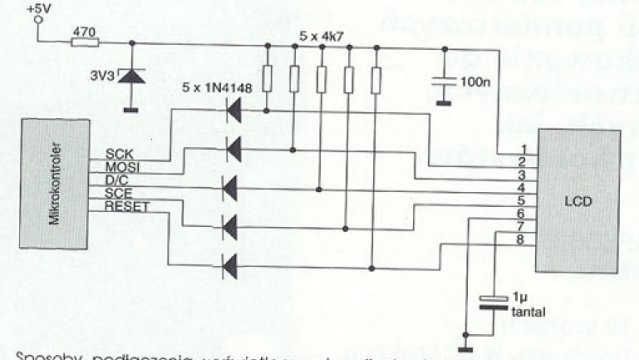
Sch. 2
- na tym schemacie jak widać wyświetlacz działa przy napięciu 5V
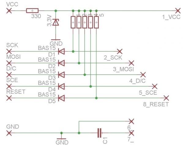
Sch. 3
- czy w tym schemacie w przypadku procesora Atmega32 potrzebna są diody i Pullupy ?
Ogólnie który schemat polecacie i co w nim byście zmienili ?
Pozdrawiam..
Ostatnio dostał mi się w posiadanie wyświetlacz od Noki, postanowiłem ze zaprojektuje sobie ładną płytkę do tego wyświetlacza, lecz natrafiłem na problemy a mianowicie w internecie jest wiele schematów jedni podłączają tak a drudzy inaczej i chciałbym zasugerować się waszą pomocą.
Jak wiadomo wyświetlacz od Noki ma zalecane napięcie 3.3V a u mnie z przymusu (płytka uniwersalna) muszę zasilać atmege z 5V poniżej podaje parę schematów i kilka pytań:
Sch. 1
- czy potrzebne są tu rezystory ograniczające prąd?
- czy potrzeba aż tyle diod zenera w przypadku zasialania atmegi z 5v?
Sch. 2
- na tym schemacie jak widać wyświetlacz działa przy napięciu 5V
Sch. 3
- czy w tym schemacie w przypadku procesora Atmega32 potrzebna są diody i Pullupy ?
Ogólnie który schemat polecacie i co w nim byście zmienili ?
Pozdrawiam..


