logo elektroda
logo elektroda
X
logo elektroda
REKLAMA
REKLAMA
Adblock/uBlockOrigin/AdGuard mogą powodować znikanie niektórych postów z powodu nowej reguły.

Szukam schematu Solomon/Pensol SL-30

spacjer 17 Lut 2011 11:26 3980 3
REKLAMA
  • #1 9163374
    spacjer
    Poziom 10  
    Jak w temacie - poszukuje schematu stacji lutowniczej Solomon/Pensol SL-30. Będę wdzięczny za pomoc.
  • REKLAMA
  • REKLAMA
  • #3 14955465
    dzimi
    Moderator
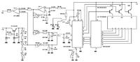
    Znalazłem coś takiego , może się nada: Szukam schematu Solomon/Pensol SL-30
  • #4 14959485
    Mirek Z.
    VIP Zasłużony dla elektroda
    Zaraportowano przez Edisan:
    "Serdeczne dzięki za pomoc. Częściowo się przydaje.. Dotyczy to części wejściowej. Co prawda wartości elementów są inne, ale zasada jest b. podobna. Moja stacja ma scalaki LM 358. ( wzm. wejściowy), 4069 (generator napięcia ujemnego), ICL 7107 ( miliwoltomierz). Wygląd identyczny z SL30 i ZD 929. Nosi nazwę SilverLine model 265829. Jest produkowana dla Niemiec. Piszę w tej formie, bo temat jest zamknięty. Pozdrawiam".
REKLAMA