Sonda logiczna Plus
Stworzona przez: Manel Navarro - Manelelectronik.es - www.Electronik.es
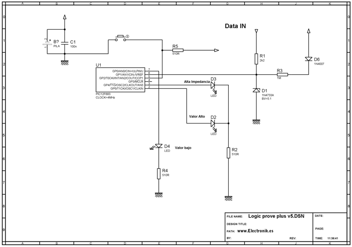
Projekt ten opisuje sondę stanów logicznych, potrafiącą pokazać poziomy logiczne poczynając od poziomów TTL (5v) a na poziomach logicznych sterowników programowalnych kończąc (24v). W sondzie tej zastosowano mikrokontroler PIC 12F683, który potrafi pracować przy niskich napięciach zasilających, w przypadku tego projektu 3vcc, a poza tym posiada wejścia analogowe i wewnętrzny oscylator.
Mikrokontroler jest uzupełniony o stopień wejściowy, dopasowujący sygnały do takich poziomów, jakie może przyjąć mikroprocesor, oraz o stopień wyjściowy, który służy do wizualnego pokazania stanu mierzonego sygnału..
Stopień wejściowy zawiera dzielnik napięcia zbudowany na elementach R3 D5 i D1, jego zadaniem jest ustanowienie stałej wartości napięcia (/ - 2.80) na wejściu mikrokontrolera, co oznacza, że będzie ono w stanie wysokiej impedancji, tzn. bez sygnału wejściowego. Gdy na wejście DATA IN podany zostanie sygnał, spowoduje to zmianę spadku napięcia w punkcie H, a zatem i odczytu.
Stopień wyjściowy wykonany jest z trzech diod LED (żółta = wysoka impedancja, Zielona = Czerwona = logiczne 1 i logiczne 0).
Istnieje wewnętrzny zegar, wprowadzający mikrokontroler po trzech minutach w stan uśpienia, w którym pobór energii jest minimalny i w ten sposób oszczędzana jest bateria. Mirkrokontroler zostanie ponownie uaktywniony gdy naciśnięty zostanie przycisk zezwalający na ponowne odliczanie czasu i dokonywanie pomiarów.
Program mikrokontrolera jest przystosowany do pracy z wewnętrznym zegarem 4 MHz. Program tak konfiguruje wyprowadzenia mikrokontrolera w taki sposób, aby sygnał analogowy panujący w punkcie H odczytywany był przez wyprowadzenie GP1 z rozdzielczością 10 bitów. Wyprowadzenie GP2 również jest zdefiniowane jako wejście i jest podłączone poprzez rezystor i przełącznik do masy. Przełącznik ten wymusza zmianę poziomu przerwania na tym wejściu. Gdy nastąpi przerwanie wartość 2000 ustawiana jest jako wartość licznika czasu wprowadzającego sondę w tryb uśpienia.

Stworzona przez: Manel Navarro - Manelelectronik.es - www.Electronik.es
Projekt ten opisuje sondę stanów logicznych, potrafiącą pokazać poziomy logiczne poczynając od poziomów TTL (5v) a na poziomach logicznych sterowników programowalnych kończąc (24v). W sondzie tej zastosowano mikrokontroler PIC 12F683, który potrafi pracować przy niskich napięciach zasilających, w przypadku tego projektu 3vcc, a poza tym posiada wejścia analogowe i wewnętrzny oscylator.
Mikrokontroler jest uzupełniony o stopień wejściowy, dopasowujący sygnały do takich poziomów, jakie może przyjąć mikroprocesor, oraz o stopień wyjściowy, który służy do wizualnego pokazania stanu mierzonego sygnału..
Stopień wejściowy zawiera dzielnik napięcia zbudowany na elementach R3 D5 i D1, jego zadaniem jest ustanowienie stałej wartości napięcia (/ - 2.80) na wejściu mikrokontrolera, co oznacza, że będzie ono w stanie wysokiej impedancji, tzn. bez sygnału wejściowego. Gdy na wejście DATA IN podany zostanie sygnał, spowoduje to zmianę spadku napięcia w punkcie H, a zatem i odczytu.
Stopień wyjściowy wykonany jest z trzech diod LED (żółta = wysoka impedancja, Zielona = Czerwona = logiczne 1 i logiczne 0).
Istnieje wewnętrzny zegar, wprowadzający mikrokontroler po trzech minutach w stan uśpienia, w którym pobór energii jest minimalny i w ten sposób oszczędzana jest bateria. Mirkrokontroler zostanie ponownie uaktywniony gdy naciśnięty zostanie przycisk zezwalający na ponowne odliczanie czasu i dokonywanie pomiarów.
Program mikrokontrolera jest przystosowany do pracy z wewnętrznym zegarem 4 MHz. Program tak konfiguruje wyprowadzenia mikrokontrolera w taki sposób, aby sygnał analogowy panujący w punkcie H odczytywany był przez wyprowadzenie GP1 z rozdzielczością 10 bitów. Wyprowadzenie GP2 również jest zdefiniowane jako wejście i jest podłączone poprzez rezystor i przełącznik do masy. Przełącznik ten wymusza zmianę poziomu przerwania na tym wejściu. Gdy nastąpi przerwanie wartość 2000 ustawiana jest jako wartość licznika czasu wprowadzającego sondę w tryb uśpienia.
Fajne? Ranking DIY