Klawiatury są powszechnie używane w systemach opartych na mikrokontrolerach. Klawisze ułożone są w kolumny i wiersze, tak by mogły być podłączone do procesora za pomocą jak najmniejszej ilości pinów I/O. Dla przykładu 12-przyciskowa klawiatura w ułożeniu 4x3 może zostać podłączona za pomocą 7 przewodów.
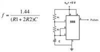
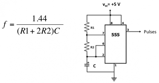
Autor przedstawia rozwiązanie pozwalające na podłączenie klawiatury za pomocą tylko 2 przewodów: jednego dla sygnalizacji wciśniętego przycisku i drugiego informującego procesor o tym który przycisk został wciśnięty. Układ oparty jest na timerze ne555 w konfiguracji astabilnego multivibratora. Układ opiera się na prostej zasadzie. Wyjściowa częstotliwość timera jest determinowana przez 2 rezystory i kondensator, zgodnie z rysunkiem.
Przy stałej wartości R1 oraz C częstotliwość ta może być zmieniana poprzez zmianę R2. Każdy klawisz po wciśnięciu podłącza inną wartość rezystora R2 i w konsekwencji zmienia częstotliwość generowaną przez układ. Mikrokontroler odczytuje tą częstotliwość i przypisuje odpowiedni klawisz.
żródło: http://embedded-lab.com/blog/?p=1812
Fajne? Ranking DIY
