logo elektroda
logo elektroda
X
logo elektroda
Adblock/uBlockOrigin/AdGuard mogą powodować znikanie niektórych postów z powodu nowej reguły.

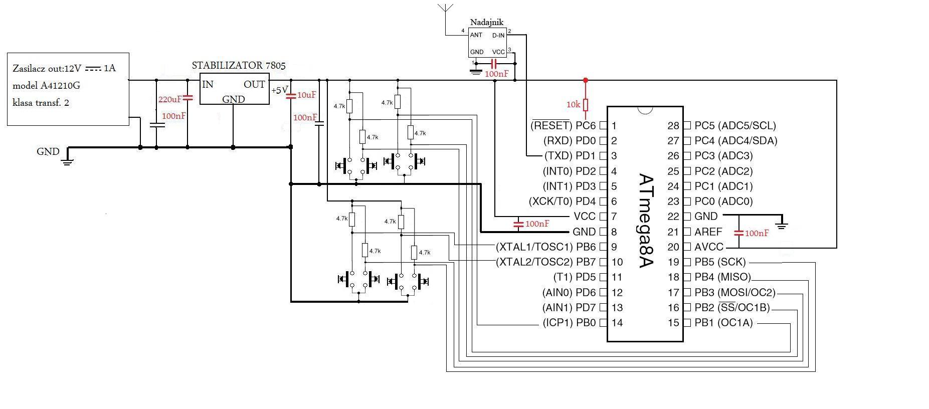
Schemat - prośba o sprawdzenie poprawności.

xardas8891 23 Lut 2011 09:38 1885 14
  • #1 9190856
    xardas8891
    Poziom 12  
    Zwracam się z uprzejmą prośbą o sprawdzenie poniższego schematu. Wydaje mi się że powinien być prawidłowy, ale wolał bym się skonsultować z wami;) Z góry dzięki :D
    Schemat - prośba o sprawdzenie poprawności.
  • #2 9190918
    mirekk36
    Poziom 42  
    xardas8891 napisał:
    Wydaje mi się że powinien być prawidłowy,....


    No niestety tylko ci się wydaje :(

    Po pierwsze to warto nauczyć się jak najszybciej rysować schematy np chociażby w Eagle. Zajęłoby ci to mniej czasu niż malowanie w Panicie .

    Po drugie, to masz w ogóle pominięte filtrowanie zasilania, szkolny błąd a będzie cię jak to zwykle bywa drogo kosztował, przynajmniej jeśli chodzi o czas później szukania błędów w działaniu całości (prawidłowe filtrowanie to PARA KONDENSATORÓW przy K A Ż D Y M układzie scalonym. Pamiętaj tylko, że stabilizator czy twój nadajnik to też układy scalone ;) .... a para kondków to: np jakiś elektrolit o pojemności od 10uF do 47uF oraz 100nF !!!! ..... Tyle że trzeba je umieszczać na PCB jak najbliżej nóg zasilania każdego układu. Jak o tym zapomnisz na PCB to bez sensu będzie nawet ich dodanie na schemacie bo nie rozwiąże to problemów. Jedynie na wejściu stabilizatora 7805 elektrolit z tej pray może być większy np 100uF. Zapamiętaj - oszczędzanie na tych kondensatorach nigdy nie popłaca ;) a te 220nF przy 7805 wyrzuć albo zamień właśnie na 100nF )

    Po trzecie daj sobie spokój z tymi rezystorami przy słiczach - można równie dobrze użyć tych programowo włączanych w procesorze (programowe podciąganie do VCC przez wystawienie stanu wysokiego na port gdy jest on wejściem)

    Po czwarte - podciągnij rezystorem 10K pin RESET do VCC.
  • #3 9190948
    hotdog
    Poziom 26  
    1. kondensatory przed i za stabilizatorem (przed ~220uF, za ~10uF).
    2. 100nF przed stabilizatorem i za stabilizatorem, + 2 dla atmegi (AVCC-GND i VCC-GND), jeden dla modułu radiowego też można dać, chociaż pewnie ma na pokładzie.
    3. dobrze jest zrobić podciąg na Resecie ok 4,7k + 100nF (chociaż nie jest to konieczne)
    4. masz kropkę za dużo po drodze z TXD do nadajnika (zwracie z VCC)
    5. Pamiętaj, że w sumie to bez różnicy do których pinów podłączasz przyciski, więc a etapie prowadzenia ścieżek sobie możesz po zamieniać te piny.

    Dodano po 12 [minuty]:

    spóźniłem się :)

    mirekk36 napisał:

    Po trzecie daj sobie spokój z tymi rezystorami przy słiczach - można równie dobrze użyć tych programowo włączanych w procesorze (programowe podciąganie do VCC przez wystawienie stanu wysokiego na port gdy jest on wejściem)


    Nie do końca się tutaj zgodzę. Wewnętrzne podciągi mają, z tego co pamiętam, około 50k. Jeżeli urządzenie będzie pracować w okolicy jakichś styczników itp, to jest realne prawdopodobieństwo, że zakłócenia spowodują odczytanie błędnych stanów przycisku.
  • #4 9191133
    mirekk36
    Poziom 42  
    hotdog napisał:

    mirekk36 napisał:

    Po trzecie daj sobie spokój z tymi rezystorami przy słiczach - można równie dobrze użyć tych programowo włączanych w procesorze (programowe podciąganie do VCC przez wystawienie stanu wysokiego na port gdy jest on wejściem)


    Nie do końca się tutaj zgodzę. Wewnętrzne podciągi mają, z tego co pamiętam, około 50k. Jeżeli urządzenie będzie pracować w okolicy jakichś styczników itp, to jest realne prawdopodobieństwo, że zakłócenia spowodują odczytanie błędnych stanów przycisku.


    Oczywiście każdy może mieć swoje zdanie, ale wg mnie zakłócenia bez rezystorów zewnętrznych to mogą się pojawić może ... dopiero wtedy... gdyby układ miał pracować w jakiejś hali maszyn z silnikami 3-fazowymi, falownikami, w rozdzielni energetycznej i tamtejszymi stycznikami .... ale nie w takich typowych układach i z przekaźnikami na pokładzie.
  • #5 9191155
    hotdog
    Poziom 26  
    Wspominam o tym, bo sam tego doświadczyłem, i tak jak piszesz, w "typowym" otoczeniu nie powinno być problemu. Problem można też rozwiązać w sofcie.
  • #7 9195533
    hotdog
    Poziom 26  
    kondensatory podłączasz między VCC a GND (równolegle) :)
  • #8 9195598
    waskinos
    Poziom 12  
    równolegle chyba bedzie najlepiej :)
  • #10 9195962
    mirekk36
    Poziom 42  
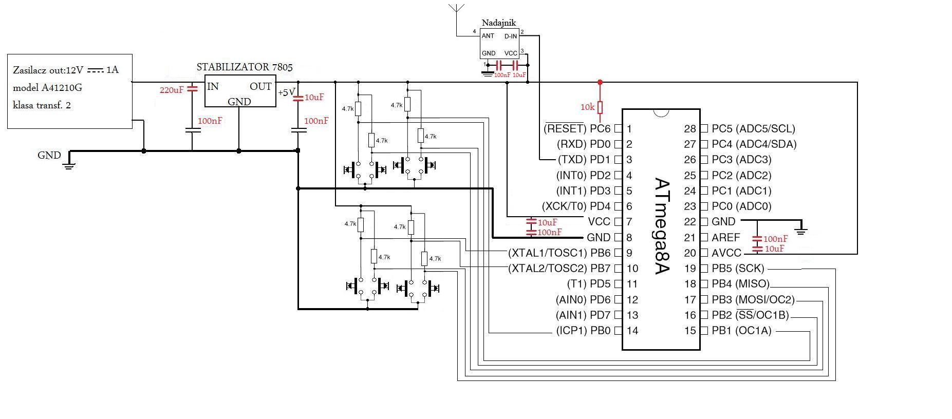
    Czy ty rozumiesz co to jest para kondensatorów ? bo widzę że coś nie za bardzo, bo nadal masz po jednym kondensatorze jeśli chodzi o filtrowanie.

    A co równoległego podłączenia to rozumiem, że tylko przy procku ma wg ciebie takie być ? ;) a przy stabilizatorze to już może być szeregowo tak?

    Poza tym radziłbym ci żebyś wywalił te rezystory od tych klawiszy to już łatwiej chociaż byłoby ci malować ten schemat, tym bardziej, że tle ci się przydadzą co zeszłoroczny śnieg w tym układzie.
  • #12 9196225
    mirekk36
    Poziom 42  
    O matko ;) panie kolego dokładnie tak jak przeczytałeś niestety bzdurki o tych rezystorach i prądzie albo to źle zrozumiałeś a teraz kurczowo się tego trzymasz, to tak samo właśnie poprawiłeś kondensatory o których wspominałem. Teraz nie dałeś ich w szereg zasilania ale za to w szereg z innymi kondensatorami ;) ..... zamiast równolegle w zasilaniu.

    eeeeh czy tak trudno znaleźć pierwszy lepszy schemat na elektrodzie z prockiem i stabilizatorem i podpatrzeć jak się rysuje schematy i włącza kondensatory itp .... polecam
  • #14 9196394
    mirekk36
    Poziom 42  
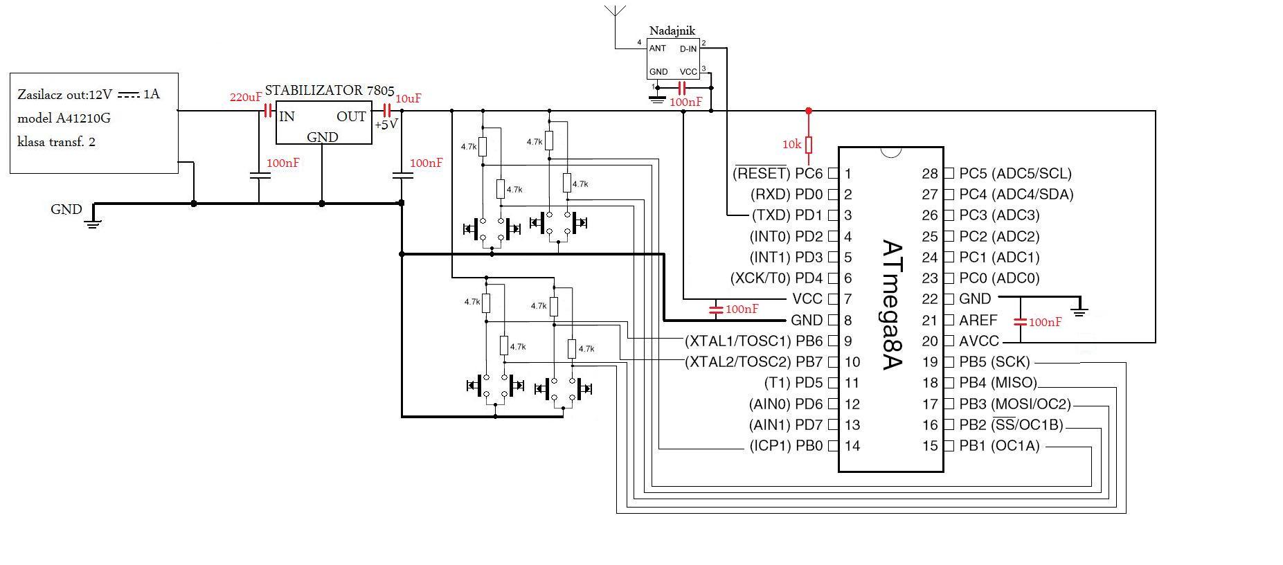
    No teraz jeśli się wszyscy umówimy, że ten rysunek, piękną malowankę uznamy za schemat to tak, teraz już kondensatory są ok ;) Nie gniewaj się, że tak piszę o tym schemacie, bo może to zmobilizuje cię do pobrania darmowej wersji programu Eagle ze stronki cadsoft.de i może zaczniesz w końcu tworzyć schematy a nie malowanki, czego ci życzę. Wbrew pozorom to nie takie trudne.

    Ale co najważniejsze - to tobie gigantycznie ułatwi życie a nie tylko tym, którym chcesz to pokazać. Bo nanoszenie zmian na schemacie w takim programie jak np Eagle to 2-3 sekundy a zabawa w Pancie to zgrozo-masakra czasowa ;)

    Kolejność kondensatorów nie ma znaczenia ani na schemacie ani na PCB. Przy okazji zapamiętaj, że schemat nie jest odzwierciedleniem ułożenia elementów na PCB.
  • #15 9196447
    xardas8891
    Poziom 12  
    Wielkie dzięki;) Ja się wcale nie gniewam po prostu wysłuchuje rad doświadczonych kolegów ja dopiero od 2 tygodni czytam/studiuje/uczę się sam dla siebie mikrokontrolerów i każda informacja jest dla mnie na wagę złota.... Jeszcze raz dziękuje za pomoc i zainteresowanie...
REKLAMA