witam,
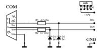
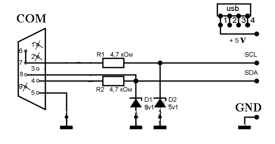
czy ktoś ma jakieś doświadczenia związane z resetowaniem, programowaniem chipów opartych na kryptochipie S3CC921? Reseter/programator jest bardzo prosty do zrobienia, to w zasadzie wtyczka RS232 , 2 rezystory i wtyczka USB do zasilania, z drugiej strony 4 krokodylki. Mam takie cuś ale jak na razie udaje mi się tylko obsługiwać chipy od CLP300.
EDIT:
wiem już jak programować chipy, niestety trafiłem na 2 chipy ML-1910 wypompowane do zera, ich już niestety nie można ruszyć. Ktoś chętny potestować z chipami, które nie są do końca zużyte?
czy ktoś ma jakieś doświadczenia związane z resetowaniem, programowaniem chipów opartych na kryptochipie S3CC921? Reseter/programator jest bardzo prosty do zrobienia, to w zasadzie wtyczka RS232 , 2 rezystory i wtyczka USB do zasilania, z drugiej strony 4 krokodylki. Mam takie cuś ale jak na razie udaje mi się tylko obsługiwać chipy od CLP300.
EDIT:
wiem już jak programować chipy, niestety trafiłem na 2 chipy ML-1910 wypompowane do zera, ich już niestety nie można ruszyć. Ktoś chętny potestować z chipami, które nie są do końca zużyte?
