logo elektroda
logo elektroda
X
logo elektroda
Adblock/uBlockOrigin/AdGuard mogą powodować znikanie niektórych postów z powodu nowej reguły.

Szukam schematu Skuter Lexmoto Tommy 125cc

mobius121 25 Lut 2011 01:24 4157 2
  • #1 9200610
    mobius121
    Poziom 17  
    Witam potrzebny schemat elektryki do tego skutera. Jeżeli pomyliłem forum to przepraszam i proszę o przeniesienie Szukam schematu Skuter Lexmoto Tommy 125cc
  • #2 9604639
    mobius121
    Poziom 17  
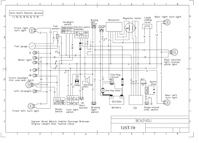
    znalazłem sc Szukam schematu Skuter Lexmoto Tommy 125cc hemat.

    Pomimo innego opisu to jest Tommy 125
  • #3 9604641
    Błażej
    VIP Zasłużony dla elektroda
    To go wklej.
REKLAMA