logo elektroda
logo elektroda
X
logo elektroda
REKLAMA
REKLAMA
Adblock/uBlockOrigin/AdGuard mogą powodować znikanie niektórych postów z powodu nowej reguły.

[ATmega32][C] Zamiana tranzystorów PNP na NPN

mgiro 26 Lut 2011 11:26 3229 8
REKLAMA
  • #1 9205935
    mgiro
    Poziom 22  
    Witam.
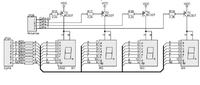
    Chciałem się upewnić, czy zamiana tranzystorów PNP (T2-T5) na NPN Nie spowoduje pogorszenia pracy układu. Kolektor tranzystora NPN byłby podłączony do VCC, emiter do wyprowadzenie 3 i 8 wyświetlacza. Wówczas wyzwalanie odpowiedniego wyświetlacza byłoby wykonane po podaniu wysokiego poziomu na bazę tranzystora.
    Układ:
    [ATmega32][C] Zamiana tranzystorów PNP na NPN
    Wszystkie układy tego typu zawsze są sterowane przez tranzystory PNP. Zawsze zastanawiało mnie, czy istnieje możliwość zamiany.
  • REKLAMA
  • #2 9205974
    tmf
    VIP Zasłużony dla elektroda
    Nie do końca to zadziała. Dla sterowania tranzystora ważny jest prąd bazy, a ten pośrednio zależy od napięcia BE. Jeśli E tranzystora NPN podłączysz pod wyświetlacz, to jego potencjał względem masy podniesie się o ok. 1,5V. W efekcie potencjał BE o tyle się zmniejszy. Efektem tego będzie trudniejsze wysterowanie tranzystora - będziesz musiał użyć tranzystora o znacznie większym h21e.
  • REKLAMA
  • #3 9206609
    janbernat
    Poziom 38  
    Chyba więcej niż 1.5V.
    Jeszcze są oporniki w szereg.
  • REKLAMA
  • #4 9206860
    mgiro
    Poziom 22  
    Bo chciałbym kolumny sterować poprzez rejestr 74HC595. Podanie zera logicznego na wybraną kolumnę powoduje bardzo słabe świecenie wyświetlacza. Zmniejszałem rezystory R16...R19 z 2,2k do 100 ohm i to nie pomagało.

    A np. bazę tranzystora PNP połączyć z kolektorem tranzystora NPN byłoby poprawnym rozwiązaniem. Wówczas mógłbym strerować poprzez podanie wysokiego poziomu??
  • #5 9206991
    tmf
    VIP Zasłużony dla elektroda
    Ale ty rejestrem sterujesz segmenty, czy wyświetlacze? Powinieneś segmenty. Do sterowania wyświetlaczem należy użyć tranzystora PNP. Z 595 nie za bardzo da się sterować wyświetlaczem, bo ma za małą wydajność prądową. Stąd wykorzystuje się go do sterowania segmentami.
  • REKLAMA
  • #6 9207112
    mgiro
    Poziom 22  
    Muszę sterować wyświetlacze. Bo będzie ich dosyć dużo. Wiec trzeba użyć PNP połączony z NPN??
  • #7 9207116
    Fredy
    Poziom 27  
    mgiro napisał:

    A np. bazę tranzystora PNP połączyć z kolektorem tranzystora NPN byłoby poprawnym rozwiązaniem. Wówczas mógłbym strerować poprzez podanie wysokiego poziomu??


    możesz tak zrobić, tylko koniecznie przez rezystor np 10K.
    Czyli sterujesz poprzez rezystor np 10k bazę tranzystora NPN, emiter jego na mase, kolekor poprzez rezystor 2k do bazy PNP, emiter PNP na zasilanie a kolektor do wyświetlacza.
    To będzie działać tylko nie wiem po co tyle kombinacji?
    Przecież możesz zanegować wyjścia w procesorze i sterować poprzez ten rejestr jeśli już chcesz - potem dołaczasz się bazy tranzystora PNP przez rezystor np 2K który masz na schemacie.
  • #8 9207276
    mgiro
    Poziom 22  
    No właśnie próbowałem tak bez kombinacji. Gdy chciałem np. zapalić pierwszy wyświetlacz, to wysyłałem przez SPI 0b11111110, ale świecił mi bardzo słabo. Niektóre segmenty w ogóle nie świeciły. Więc zmniejszyłem rezystory na bazach, ale to tez nie pomogło. HC595 ma wydajność 20mA na wyprowadzeniu, a ATmega 40mA. To chyba z tego wynika takie niepoprawne działanie.
  • #9 9217302
    janbernat
    Poziom 38  
    Narysuj sobie jeden segment jako LED, tranzystor i opornik.
    Jak tranzystor PNP będzie miał bazę na potencjale niższym niż emiter to przez ten LED popłynie prąd.
    Iled=(Vcc-Vled-Vnas)/R20.
    Potem narysuj sobie Taki układ z tranzystorem NPN- oczywiście odwrotnie włączonym.
    I przeanalizuj jaki powinien być potencjał na bazie aby to działało- przy jednym włączonym segmencie albo wszystkich.
    Nie wiem skąd ten upór aby "na górze" były NPN a nie PNP.
    Miejsce NPN jest "na dole" zasilania a PNP "na górze".
    Ceny NPN i PNP są takie same- po kilka-kilkadziesiąt groszy.
REKLAMA