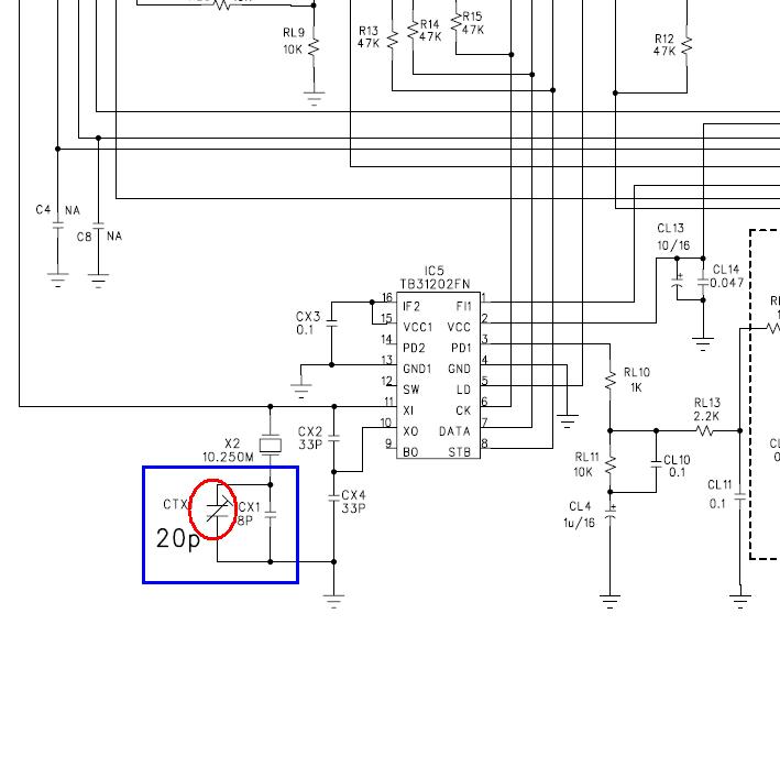
Witam, mam problem z dostrojeniem mojej Cobry 19 Ultra III. Po sprawdzeniu jej za pomocą częstościomierza stwierdziłem, że odchylenie wynosi 600 Hz. Kręcenie trymerem znajdującym się przy kwarcu pomaga w małym zakresie - ok. 100 Hz. Wiem, że odbiorniki w CB chodzą szeroko i takie odstrojenie nie ma znaczenia, ale chciałbym mieć nadajnik w kanale. Czy istnieje jakiś sposób na lepsze dostrojenie radia? Proszę o pomoc.
Pozdrawiam.
Popraw Tytuł tematu - nie używamy słowa "problem" .
Regulamin pkt 11,1 . [SP5ANJ]
Pozdrawiam.
Popraw Tytuł tematu - nie używamy słowa "problem" .
Regulamin pkt 11,1 . [SP5ANJ]
