logo elektroda
logo elektroda
X
logo elektroda
REKLAMA
REKLAMA
Adblock/uBlockOrigin/AdGuard mogą powodować znikanie niektórych postów z powodu nowej reguły.

Działo magnetyczne - schemat

Gordios 26 Lut 2011 21:35 9076 2
REKLAMA
  • Działo magnetyczne - schemat

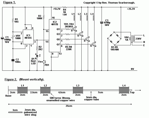
    Na rysunku 1 pokazano miniaturowe działo magnetyczne. Gdy jest ono optymalnie wyregulowane to strzela niewielkimi pociskami na wysokość 1,5m lub na odległość 2,5m.
    Wtórne uzwojenie transformatora T1 daje napięcie 18V i prąd 1A. Po wyprostowaniu i wygładzeniu otrzymuje się napięcie 25,2V dla elektromagnesów L1 – L4. Rezystor R4 obniża napięcie do poziomu 12V, co jest wystarczające dla zasilania IC1 i IC2.
    Elektromagnesy nawinięte są na rurze miedzianej o długości 25cm i średnicy 3mm. Każdy z elektromagnesów to 500 zwojów emaliowanego przewodu 30 swg. Elektromagnesy powinny być nawijane na taśmie klejącej nawiniętej na rurze nieprzylepną stroną w celu umożliwienia przesuwania ich. Pocisk jest odcinkiem drutu ocynkowanego o długości 3 cm i średnicy 2 mm. Powinien on swobodnie poruszać się w rurze.
    Najbardziej krytyczne dla efektywności działa jest ustawienie VR1 i położenie elektromagnesów L1 – L4 na rurze miedzianej (pokazane odległości SA przykładowe). Najpierw odłącza się L2 - L4. Następnie regulując VR1 doprowadza się do znalezienia najlepszego położenia L1 (wkładamy pocisk do rury aby zaobserwować jak daleko się przemieści). Następnie powtarzamy ta czynność dla L2 (pocisk powinien opuścić rurę). Powtarza się to samo dla L3 i L4. Elektromagnesy L3 i L4 znacząco zwiększają zasięg działa.

    Oryginalny artykuł znajduje się na http://www.diy-electronic-projects.com/p227-Magnetic-Gun

    Fajne? Ranking DIY
    O autorze
    Gordios
    Poziom 18  
    Offline 
    Gordios napisał 395 postów o ocenie 269. Jest z nami od 2010 roku.
  • REKLAMA
  • #2 9230264
    R4f4l
    Poziom 12  
    A nie lepiej wykonać lufę z plastikowej rurki?? Miedź to przewodnik, więc w rurce miedzianej będzie się indukował prąd wytwarzający poje magnetyczne spowalniające pocisk.
  • #3 9237317
    siejacy_zamet
    Poziom 12  
    Z tego co wiem, teflon ma niski współczynnik tarcia z metalem, więc rurka z gładkiego teflonu byłaby bardzo na miejscu.
    Kolega do swojego coil guna użył rurki szklanej, a jako pocisków - gwoździ z uciętym łbem. Nie wiem jaki współczynnik tarcia jest między szkłem a stalą, ale mówił, że efekty były bardziej niż zadowalające.
REKLAMA