Witam.
Od tygodnia przekopuje zawartość elektrody, w poszukiwaniu schematu - projektu, efektu który nie daje mi spać po nocach, ponieważ bardzo mi się podoba:)
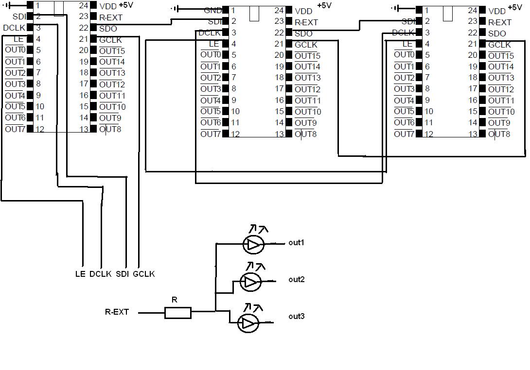
Zauważyłem na tej taśmie że co kilka diod jest jakiś układ scalony.
Miał ktoś styczność z takim cudem:)
Pozdrawiam:)
Od tygodnia przekopuje zawartość elektrody, w poszukiwaniu schematu - projektu, efektu który nie daje mi spać po nocach, ponieważ bardzo mi się podoba:)
Zauważyłem na tej taśmie że co kilka diod jest jakiś układ scalony.
Miał ktoś styczność z takim cudem:)
Pozdrawiam:)
