logo elektroda
logo elektroda
X
logo elektroda
REKLAMA
REKLAMA
Adblock/uBlockOrigin/AdGuard mogą powodować znikanie niektórych postów z powodu nowej reguły.

Analogowy miernik pojemności 1 pF - 10uF.

marek_34 03 Mar 2011 17:24 8975 2
REKLAMA
  • Analogowy miernik pojemności 1 pF - 10uF.


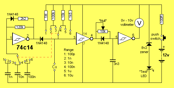
    Na stronie przedstawiony jest prosty układ do pomiaru pojemności kondensatorów. Każdy z elektroników spotkał się z problemem identyfikacji kondensatora, o zmazanych bądź nieczytelnych parametrach. Przedstawione urządzenie jest bardzo proste w konstrukcji. Możemy do niego podłączyć jakikolwiek woltomierz analogowy o zakresie 10 V. Autor pisze, że dokładność przyrządu jest zadowalająca w całej skali, jakkolwiek zależy ona od tolerancji użytych do budowy elementów.
    Pomiar w zakresie od pF do µF wymaga użycia 6 zmiennych zakresów, ze względu na bardzo dużą rozpiętość (wartości milion razy większe). Przełączanie zostało zrealizowane na przełączniku obrotowym, załączającym odpowiednie wartości elementów dla każdej ze skal. Pomiar polega na umieszczeniu kondensatora w gnieździe i naciśnięciu przycisku. Nie znając wartości elementu możemy zacząć pomiar od dowolnej skali, ponieważ wskazania będą prawidłowe jedynie w jednym wypadku, a w innych wskazania będą osiągały maksimum, bądź minimum. Przyrząd został zrealizowany na układzie 74c14 oraz kilku elementach dyskretnych. Na stronie dostępna jest skala wskazująca odpowiednie pojemności, do wykorzystania w analogowym woltomierzu.

    Schemat pobrany ze strony źródłowej:
    Analogowy miernik pojemności 1 pF - 10uF.

    Źródło: http://www.talkingelectronics.com/projects/CapacitanceMeter/CapMeter.html

    Fajne? Ranking DIY
    O autorze
    marek_34
    Poziom 18  
    Offline 
    marek_34 napisał 332 postów o ocenie 271, pomógł 6 razy. Mieszka w mieście Katowice. Jest z nami od 2006 roku.
  • REKLAMA
  • #2 9260326
    manekinen
    Poziom 29  
    To samo już od daaawna oferuje jabel J-003. Kiedyś to zbudowałem i działało całkiem przyzwoicie, dokładność odczytów zależy od dokładności wykonania skali.
  • #3 9261126
    manekinen
    Poziom 29  
    Oj, nie wiem jakim cudem przeoczyłem fragment z woltomierzem... zasugerowałem się tą skalą. Układ faktycznie ciekawy. A więc dokładność zależy od jakości i tolerancji zastosowanych elementów RC.
REKLAMA