logo elektroda
logo elektroda
X
logo elektroda
REKLAMA
REKLAMA
Adblock/uBlockOrigin/AdGuard mogą powodować znikanie niektórych postów z powodu nowej reguły.

President Jackson 2 brak modulacji FM,USB,LSB

skoczek2000 09 Mar 2011 16:14 4713 21
REKLAMA
  • #1 9255011
    skoczek2000
    Poziom 11  
    Witam, posiadam radio CB President Jackson 2 i mam problem. Nie ma modulacji
    W FM, LSB i USB. Radio działa tylko w AM, a reszta nie działa.
    Czy ktoś się spotkał z takim problemem, jeśli tak to proszę o pomoc. Doradźcie co może być przyczyną tej niesprawności.
  • REKLAMA
  • #2 9257638
    PLEXI
    Poziom 24  
    Jaki standard kraju masz wybrany?
    Byćmoże radio samo się przestawiło lub nieświadomie przestawiłeś na taki standard gdzie dozwolone są tylko AM.
    Napisz czy działa chociaż RX na tych modulacjach , czy tylko na AM.
  • #3 9258232
    skoczek2000
    Poziom 11  
    Witam, jeżeli chodzi o standard to radio mam rozblokowane i jak je włączam to na wyświetlaczu pojawia się symbol RU.
    A RX działa wszędzie, tylko nie mam modulacji w FM, LSB, USB. Gdy wciskam nośną to normalnie działa mi RX i wychyla się wskaźnik, tylko nie ma głosu.
    Sprawdzałem moc na reflektometrze i jest ok, na wstęgach mam 25W a w FM 10W.
  • #4 9259606
    PLEXI
    Poziom 24  
    Kolego bez modulacji nie ma mnadawania na SSB więc jak zmierzyłeś moc nadajnika?
    Napisałeś A RX działa wszędzie, tylko nie mam modulacji w FM, LSB, USB. Gdy wciskam nośną to normalnie działa mi RX i wychyla się wskaźnik, tylko nie ma głosu
    To jak mamy to rozumieć?
    skręć mic gain na minimum i wtedy naciśnij Ptt na SSB , żadnej mocy wtedy z radia nie powinno być.

    Przestawiałeś w środku potencjometry od mocy ?
    Zmniejsz moc na do conajmniej 8W.
  • #5 9260930
    skoczek2000
    Poziom 11  
    Zmierzyłem moc reflektometrem bo nadawanie jest, tylko nie ma głosu.
    Przy nadawaniu na wstęgach powinien drżeć wskaźnik a u mnie wychyla się na maksimum i stoi bez ruchu czy mic gani jest skręcony czy nie.
    A w radiu nie grzebałem bo się na tym nie znam tylko kupiłem rozlokowane może dla tego ma taką moc. Próbowałem połączyć się ze znajomymi w FM i na wstęgach jest tylko sama nośna nikt mnie nie słyszy a w AM wszystko działa.

    Dodano po 5 [minuty]:

    Przepraszam jak coś źle napisałem ale nie wiem jak to inaczej wytłumaczyć.
  • REKLAMA
  • #6 9262615
    cbmajster
    Poziom 2  
    Nie kombinuj tylko wysyłaj do Czestochowy
  • #7 9263810
    Konto nie istnieje
    Poziom 1  
  • #8 9265802
    PLEXI
    Poziom 24  
    Kolego poszukaj schematu jacksona , jeśli sie znasz na elektronice to prześledź tor modulatora FM i SSB , to da tobie rozwiązanie.
  • #9 9266108
    SP8JZ
    Poziom 33  
    Powiem tak: ja tego radia na stole jeszcze nie miałem, więc się nie wypowiadam w kwestiach technicznych.
    Ale kolego Autor chyba wypadałoby wylać kawę na ławę.
    Albo bawimy się w kotka i myszkę, albo naprawiamy radio.
    Więc czekamy na odpowiedź czy urządzenie jest po ślubie za okazjonalną kasę ?
  • REKLAMA
  • #10 9266312
    radio-service
    Poziom 35  
    Cytat:
    Sprawdzałem moc na reflektometrze i jest ok, na wstęgach mam 25W a w FM 10W.


    Bez modulacji jest to niemożliwe . Tak więc autor postu albo coś źle mierzy , albo nas kituje .
  • #11 9266342
    SP8JZ
    Poziom 33  
    Może zaciął się roger-beep tone idzie z proca, gdzie nie spojrzeć wszędzie bufory Panowie łapiecie się cokolwiek w tym gąszczu buforów? I co to jest na 7-seg LED multipleksery, co to jest? Patrzę na ten schemat radio-service co jak co, ale najbardziej podoba mi się tym radyjku enigmatyczny kwadrat ASC. Skąd ja to znam heh (szczypce z bocznym cięciem :D).
    radio-service napisał:
    Bez modulacji jest to niemożliwe . Tak więc autor postu albo coś źle mierzy , albo nas kituje .
    Wszystko możliwe dopóki nie wyjaśni się sprawa historii tego sprzętu.
  • REKLAMA
  • #12 9266423
    SP5ANJ
    Spoczywaj w Pokoju
    Witam.
    skoczek2000 napisał:
    Zmierzyłem moc reflektometrem bo nadawanie jest, tylko nie ma głosu.

    Cytat:
    Przy nadawaniu na wstęgach powinien drżeć wskaźnik a u mnie wychyla się na maksimum i stoi bez ruchu

    Cytat:
    ... na wstęgach jest tylko sama nośna nikt mnie nie słyszy

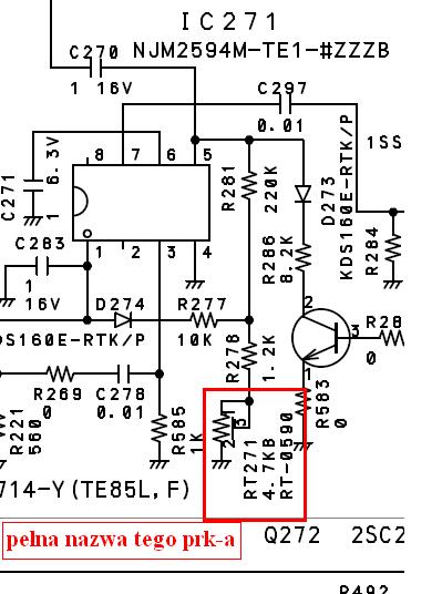
    Jedyne podejrzenie to, że masz "rozrównoważony" modulator SSB.

    Na czerwono pokazałem - co i jak - .

    President Jackson 2 brak modulacji FM,USB,LSB

    Z powodzeniem możesz kręcić tym prk-iem do uzyskania "zerowej" mocy przy włączonym nadawaniu na SSB (USB, LSB), przy skręconym do minimum mikrofonie (Mic gain) i oczywiście przy obciążonym wyjściu z radia (sztuczne obciążenie lub antena) i podłączonym reflektometrem abyś zobaczył jak ta moc maleje.

    Stroić tym prk na najmniejsze wskazania mocy.

    Pełna nazwa tego prk-a :

    President Jackson 2 brak modulacji FM,USB,LSB



    Pozdrawiam.
  • #13 9266460
    radio-service
    Poziom 35  
    Wystarczy wiedzieć czym jest NJM2594 i wnioski nasuwają się same . Dodatkowo w przypadku SP5ANJ , wieloletnie doświadczenie i doskonała znajomość zagadnień z tym związanych :) .
  • #14 9266473
    SP5ANJ
    Spoczywaj w Pokoju
    Panowie jest mi miło, ale się zawstydzam. :D

    Ja tylko napisałem, że prawdopodobnie (przy takich objawach) winowajcą będzie modulator SSB.

    Technika SSB jest całkiem prostą techniką.

    Przechodzimy do tematu.


    Pozdrawiam.
  • #15 9267315
    Konto nie istnieje
    Poziom 1  
  • #16 9268113
    skoczek2000
    Poziom 11  
    Koledzy, to radio kupiłem okazjonalnie z Allegro, na elektronice trochę się znam. Na początku wydawało się wszystko ok, dopóki nie wszedłem na wstęgi i okazało się, że modulacja nie działa. Z tego wynika, że zostałem zrobiony w balona i myślę czy sugerując się sugestiami niektórych nie oddać radia jednak do serwisu, bo nie chciałbym więcej zrobić szkody niż pożytku grzebiąc w nim sam.
  • #17 9268482
    sp sport
    Poziom 15  
    Novile napisał:
    SP8JZ napisał:
    Powiem tak: ja tego radia na stole jeszcze nie miałem, więc się nie wypowiadam w kwestiach technicznych.
    Ale kolego Autor chyba wypadałoby wylać kawę na ławę.
    Albo bawimy się w kotka i myszkę, albo naprawiamy radio.
    Więc czekamy na odpowiedź czy urządzenie jest po ślubie za okazjonalną kasę ?
    To radio można zobaczyć np.tutaj


    http://allegro.pl/president-jackson-uszkodzony-i1486712093.html

    A kolega "szczęśliwy nabywca "tego cudu techniki gdyby znał się na elektronice i schematach to do dziś napisał by choć jednego posta.


    Autor tematu ma jacksona 2 :)
  • #18 9269067
    skoczek2000
    Poziom 11  
    Kolego po co się powtarzasz postami innych kolegów przeczytaj dobrze to co napisałem.
  • #19 9286668
    skoczek2000
    Poziom 11  
    Witam kolegów po krótkiej przerwie.
    Chciałem napisać, że z radiem jest wszystko w porządku i działa bez zarzutów. Po wizycie w serwisie okazało się, że przyczyną była uszkodzona antena.
    Dziękuję wszystkim za rady i pozdrawiam.
  • #20 9286760
    ginger78
    Poziom 21  
    Co to było za uszkodzenie? Jak to jest możliwe, że uszkodzona antena pracuje tylko w modulacji AM, a w SSB i FM już nie?
  • #21 9287657
    Konto nie istnieje
    Poziom 1  
  • #22 9287682
    SP8JZ
    Poziom 33  
    Przyznam się szczerze, że przejrzałem schemat na okoliczność zabezpieczenia RD70HHF, ale nic takiego tutaj nie widzę i nie widziałem wcześniej.
    Gdyby sygnał SWR/CALL był w jakiś sposób zwracany do CPU/konstrukcji, to mógłbym się z tym zgodzić, ale on jest zwracany tylko na wskaźnik wfs(swr).
REKLAMA