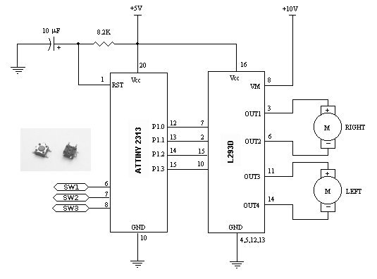
Witam mam zamiar zbudować pojazd sterowany przyciskami. W zależności od tego, który przycisk jest wciśnięty w tą stronę jedzie. Moje pytanie czy elementy podłączone według schematu poniżej i odpowiednio zaprogramowany procek zrealizują to? Jak podłączyć przyciski do mikroprocesora (typu jak na zdjęciu). Załączam także algorytm programu jaki chciałbym napisać do obsługi tego.
