Witam:)
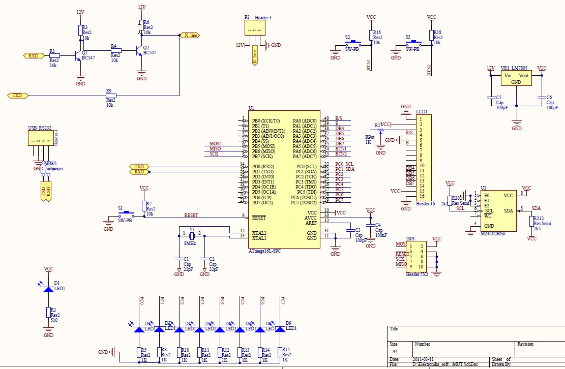
Próbuję się skomunikowac z ECU samochodu za pomocą ATmegi i takiego interfejsu:
Logika samocgodu oczywiscie 0-12V, Atmega zaislana 5V i kwarc 8MHz
Ten interfejs działa z autem bez problemu na przejściówce USB-RS232 na układzie FTDI 232R.
Jednak z avrkiem nie bardzo. Interfejs Podłączony do TXD I RXD Atmegi (PD0 i PD1). Jeśli TXD ustawie jako wyjście i dam "1" to na wyjściu interfejsu (linia k) jest 6.5V, a powinno być 12...
Z kolei jeśli linię K do 12V podłącze, na RXD powinno być 5V, a jest ok 0.3V
Nie bardzo wiem o co chodzi. BIT w rejestrze SFIOR PUD ustawiony na 0,
Czy macie jakiś pomysł? Prawdę mówiac nie mam pojecia czemu to nie dizłą, szczególnie że z przejściówka USB bez problemu...
Pozdrawiam i z góry dzięki za pomoc
Próbuję się skomunikowac z ECU samochodu za pomocą ATmegi i takiego interfejsu:
Logika samocgodu oczywiscie 0-12V, Atmega zaislana 5V i kwarc 8MHz
Ten interfejs działa z autem bez problemu na przejściówce USB-RS232 na układzie FTDI 232R.
Jednak z avrkiem nie bardzo. Interfejs Podłączony do TXD I RXD Atmegi (PD0 i PD1). Jeśli TXD ustawie jako wyjście i dam "1" to na wyjściu interfejsu (linia k) jest 6.5V, a powinno być 12...
Z kolei jeśli linię K do 12V podłącze, na RXD powinno być 5V, a jest ok 0.3V
Nie bardzo wiem o co chodzi. BIT w rejestrze SFIOR PUD ustawiony na 0,
Czy macie jakiś pomysł? Prawdę mówiac nie mam pojecia czemu to nie dizłą, szczególnie że z przejściówka USB bez problemu...
Pozdrawiam i z góry dzięki za pomoc