Witam.
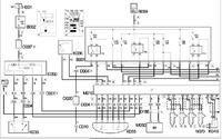
Schemat Kol. <zeimp> jest dobry, ale nie kompletny, a brak opisu elementów może znacznie utrudnić orientacje.
Na stronie
https://www.elektroda.pl/rtvforum/topic553082.html#2857413 są załączone "rysunki" w niedozwolonym dla tego forum rozszerzeniu *.prn (tj. plik zawierający instrukcje wydruku, zwykle tworzony przez sterownik drukarki), który można edytować notatnikiem - i tyle.
W załączeniu schemat sterowania silnikiem Fiat Ducato 2.8 JTD, wraz z opisem elementów. (plik .doc).