logo elektroda
logo elektroda
X
logo elektroda
REKLAMA
REKLAMA
Adblock/uBlockOrigin/AdGuard mogą powodować znikanie niektórych postów z powodu nowej reguły.

płyta grzewcza, Schott(Amica), jak podpiąć?

Lutownik 12 Mar 2011 19:44 12723 8
REKLAMA
  • #1 9268563
    Lutownik
    Poziom 9  
    Witam!!!
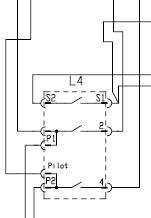
    Mam wielką nadzieję że zdoła mi ktoś pomóc z podpięciem płyty ceramicznej firmy Schott Ceran producenta (Amica), do piekarnika firmy Ariston.
    Płyta grzeje tylko na maksymalnej mocy(brak regulacji temp.) Nie da się gotować.
    Każde pole grzeje tylko na 6 poziomie max temp., a na innych wyłącza się z wyjątkiem 2 pól które mają opcję mieszania(małe, duże i owalne pole) załączają się na poziomie 1.
    Np. lewy dolny palnik na 1 poziomie grzeje zewnętrzny ring, na 6 poziomie grzeja się wszystkie max temp. we wszystkich przypadkach (zawsze grzeje maksymalnie).
    Nie świecą się kontrolki informujące o gorącym blacie.
    Załączam zdjęcia do dokładniejszego wglądu bo bez nich ani rusz.

    Dodam ze piekarnik chodzi na 400V, myślę ze to ważne, natomiast nie wiem ile ma płyta i czy da się ją przełączyć lub piekarnik.

    płyta grzewcza, Schott(Amica), jak podpiąć? płyta grzewcza, Schott(Amica), jak podpiąć? płyta grzewcza, Schott(Amica), jak podpiąć? płyta grzewcza, Schott(Amica), jak podpiąć? płyta grzewcza, Schott(Amica), jak podpiąć? płyta grzewcza, Schott(Amica), jak podpiąć? płyta grzewcza, Schott(Amica), jak podpiąć? płyta grzewcza, Schott(Amica), jak podpiąć? płyta grzewcza, Schott(Amica), jak podpiąć? płyta grzewcza, Schott(Amica), jak podpiąć?

    Z góry dzięki!!!
    Michał Młynarczyk
  • REKLAMA
  • #3 9268900
    eeban
    Specjalista AGD
    podaj model piekarnika aristona !!!
  • REKLAMA
  • Pomocny post
    #4 9268929
    Konto nie istnieje
    Poziom 1  
  • #6 9272294
    Konto nie istnieje
    Poziom 1  
  • REKLAMA
  • #7 9276998
    shavel
    Poziom 12  
    Witam zgodzę się z kolegą,że na przełącznikach tego nie wykombinujesz, ale tak jak kolega wyżej pisze da radę przerobić piekarnik w ten sposób aby płyta działała, choć jest troszkę grzebania. Pozdrawiam
  • REKLAMA
  • #8 9761918
    edek100
    Poziom 11  
    czy ze zwykłej płyty mogą być przełączniki by sterowały płytą ceramiczną?
  • #9 10559688
    Lutownik
    Poziom 9  
    Witam ponownie!!!
    Szmat czasu minęło od mojego pierwszego postu, ale wreszcie znalazłem trochę grosza i kupiłem te dawkowniki energii 2 normalne i 2 z opcja mieszania czy coś takiego z resztą wiecie o co biega. A odezwałem się bo przydała by mi się jeszcze jakaś wasza rada a mianowicie zastanawiając się jak kolega wyżej pisał- że będę miał trochę grzebaniny w kablach to myślę że łatwiej by było postawić całą instalacje od nowa niż ją przerabiać prawda? Czyli grubo to ogarniając postawić instalacje i doprowadzić prąd do dawkowników a od nich do płyty czy takie założenie się zgadza?
REKLAMA