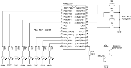
Witam mam takie małe pytanko odnośnie wejść uC, a więc ustawiając sobie w uC atmega8 linie danych jako wejście zawsze miałem je podpięte do masy czyli GND, a co by się stało jak bym podłączył do VCC. Czyli na zdjęciu widać 4 przyciski switch które są podpięte do GND i moje pytanie brzmi czy można zamiast GND podłączyć je do VCC (5V)? Może to pytanie wydawać się troche głupie ale zawsze podłączałem do GND, bo tak się nauczyłem z pewnego kursu.

