logo elektroda
logo elektroda
X
logo elektroda
REKLAMA
REKLAMA
Adblock/uBlockOrigin/AdGuard mogą powodować znikanie niektórych postów z powodu nowej reguły.

podłaczenie toru światłowodowego do procesora sygnałowego

lego86 17 Mar 2011 17:58 1331 1
REKLAMA
  • #1 9288072
    lego86
    Poziom 2  
    Witam,
    potrzebuje podłączyć do procesora sygnałowego TMS320F28335 sześc torów światłowodowych wykonanych na elemencie HFBR-15Xx aby istniała możliwość sterownia zaworami falownika napięcia MSI. Moje pytanie brzmi jak prawidłowo powinno wyglądać to podłączenie? czy sugestia znajdująca sie w karcie katalogowej elementu HFBR jest poprawna (str.5)? ewentualnie czy wystarczy do pełni sterowania sam uklad bramki logicznej NAND połączonej szeregowo z rezystorem ograniczającym prąd? Prosze o sugestie i opinie na ten temat :)
    Pozdrawiam
  • REKLAMA
  • #2 9752789
    lego86
    Poziom 2  
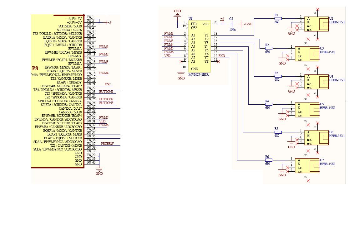
    Witam poniżej przedstawiam przykładowe podłączenie tych torów do procesora TMS320F28335

    podłaczenie toru światłowodowego do procesora sygnałowego
REKLAMA