Witam. Zbudowałem sobie znany od dawna tutaj zasilacz z tematu:
https://www.elektroda.pl/rtvforum/topic402613.html
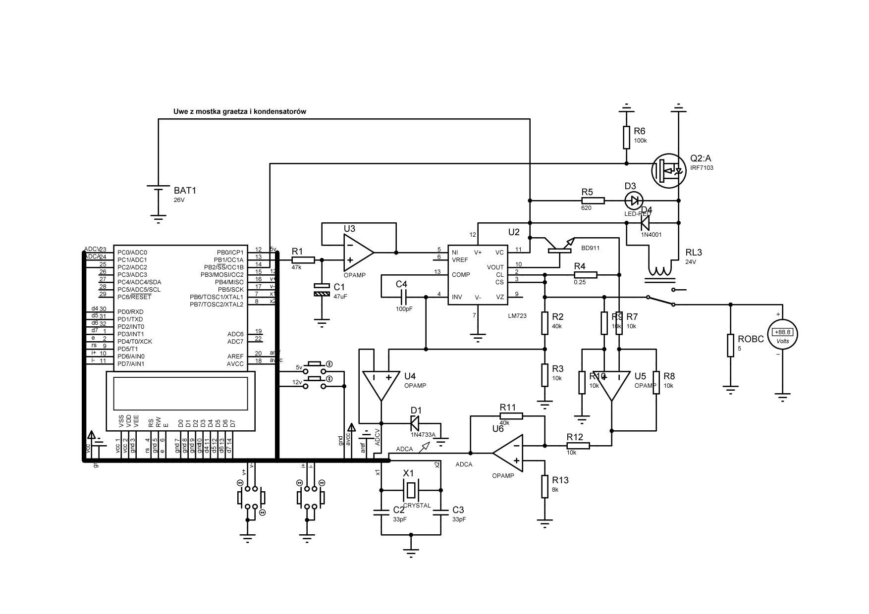
Do niego zbudowałem miernik oparty o układ atmega8. Pisze program do tego układu w języku C Jednak mój problem polega na tym że chciałbym wyświetlać na nim oprócz wartości prądu pobieranego przez obciążenie także wartość nastawionego ograniczenia prądowego (oby było ono znane gdy niema podłączonego obciążenia). Wpadłem na pomysł aby wykonać to tak:
Zamiast potencjometru mono do regulacji prądu dać potencjometr stereo i drugą jego część wykorzystać właśnie do pomiaru ograniczenia.
Do skrajnych jego wyprowadzeń podałem napięcie +5 i GND a środek podłączyłem do wejścia ADC Atmegi8.
Wartość ograniczenia wyliczam z:
Problem w tym że wyświetlana wartość tylko do ok 0.6A pokrywa się z wartością pobieranego przez obciążenie prądu. Następnie błąd zaczyna rosnąć do wartości ok 150mAa, aby "pod koniec" potencjometru znowu wrócić do wartości równej aktualnie pobieranemu prądowi. Może koledzy by doradzili w jaki sposób zlikwidować ten błąd????Myślę że może sposób wyliczania wartości szwankuje i dlatego ten błąd jest taki dziwny (nie liniowy)????? Z góry dziękuje za odpowiedź
https://www.elektroda.pl/rtvforum/topic402613.html
Do niego zbudowałem miernik oparty o układ atmega8. Pisze program do tego układu w języku C Jednak mój problem polega na tym że chciałbym wyświetlać na nim oprócz wartości prądu pobieranego przez obciążenie także wartość nastawionego ograniczenia prądowego (oby było ono znane gdy niema podłączonego obciążenia). Wpadłem na pomysł aby wykonać to tak:
Zamiast potencjometru mono do regulacji prądu dać potencjometr stereo i drugą jego część wykorzystać właśnie do pomiaru ograniczenia.
Do skrajnych jego wyprowadzeń podałem napięcie +5 i GND a środek podłączyłem do wejścia ADC Atmegi8.
Wartość ograniczenia wyliczam z:
Kod: C / C++
Problem w tym że wyświetlana wartość tylko do ok 0.6A pokrywa się z wartością pobieranego przez obciążenie prądu. Następnie błąd zaczyna rosnąć do wartości ok 150mAa, aby "pod koniec" potencjometru znowu wrócić do wartości równej aktualnie pobieranemu prądowi. Może koledzy by doradzili w jaki sposób zlikwidować ten błąd????Myślę że może sposób wyliczania wartości szwankuje i dlatego ten błąd jest taki dziwny (nie liniowy)????? Z góry dziękuje za odpowiedź
