logo elektroda
logo elektroda
X
logo elektroda
REKLAMA
REKLAMA
Adblock/uBlockOrigin/AdGuard mogą powodować znikanie niektórych postów z powodu nowej reguły.

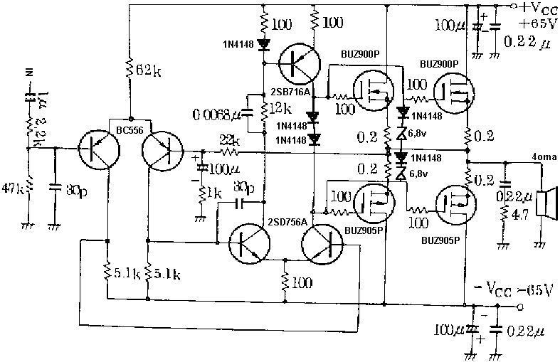
Wzmacniacz MOSFET 200 W na BUZ900P

marek_34 31 Mar 2011 13:20 8828 8
REKLAMA
  • Wzmacniacz MOSFET 200 W na BUZ900P

    Wzmacniacz przedstawiony na stronie nadaje się do wykorzystania w wielu aplikacjach, takich jak wzmacniacz gitarowy, mikrofonowy, wzmacniacz kina domowego. Wielu ludzi preferuje wzmacniacze wykonane na tranzystorach Mosfet, między innymi dzięki ich "legendarnej sile". Moc wzmacniacza wynosi 200 W przy obciążeniu 4 Ω. Cechuje go dobry zakres przenoszenia 20 Hz - 80 kHz. Zniekształcenia są mniejsze niż 0,1 % przy maksymalnej mocy a stosunek sygnał/szum jest lepszy niż -100 dB.

    Osiągi prototypu:
    - moc wyjściowa (RMS): 140 W/8 Ω , 200 W/4 Ω
    - pasmo przenoszenia: 20 Hz - 80 kHz/-1 dB
    - czułość wejściowa: 830 mV dla 200 W/4 Ω
    - zniekształcenia: <0.1% (20 Hz - 20 kHz)
    - stosunek sygnał / szum: > 102 dB (wzmacniacz odciążony), 105 dB obciążony 200 W/ 4 Ω

    Schemat zaczerpnięty ze strony źródłowej:
    Wzmacniacz MOSFET 200 W na BUZ900P

    Radiator wykonany z anodowanego aluminium z żebrami po jednej stronie. Jego długość to 300 mm, jest chłodzony wentylatorem 80 mm 24 V. Działa on ciągle, a radiator pozostaje zimny (lub lekko cieplejszy od otoczenia).

    Źródło: http://www.electronics-diy.com/electronic_schematic.php?id=1015
    O autorze
    marek_34
    Poziom 18  
    Offline 
    marek_34 napisał 332 postów o ocenie 271, pomógł 6 razy. Mieszka w mieście Katowice. Jest z nami od 2006 roku.
  • REKLAMA
  • #2 9346117
    radek310
    Poziom 15  
    Witam. Układ całkiem zgrabny lecz drogi do wykonania. Tranzystory końcowe zniechęcają swoją cena. Czy znacie jakieś dobre zamienniki odpowiadające parametrami do tych BUZ900P i BUZ905P?
  • REKLAMA
  • #3 9347154
    mkpl
    Poziom 37  
    Schemat do bani brak stabilizacji napięcia stopni różnicowych, brak źródła prądowego w zasilaniu stopni różnicowych i brak regulacji prądu spoczynkowego.

    Jest wiele lepszych schematów niż ten..
  • #4 9348639
    SatServ
    Poziom 15  
    mkpl napisał:
    Schemat do bani brak stabilizacji napięcia stopni różnicowych, brak źródła prądowego w zasilaniu stopni różnicowych i brak regulacji prądu spoczynkowego.

    Jest wiele lepszych schematów niż ten..


    To fakt, ale spójrz na parametry!, że nie wspomnę o prostocie.
    Pzdr.
  • REKLAMA
  • #5 9348709
    Tranzystor_1992
    Poziom 16  
    Szczerze mówiąc nie bardzo jest się czym podniecać ;) Bywają lepsze wzmacniacze, o większej prostocie i lepszych parametrach ;) A tak w ogóle to po co Ci wentylator, jeśli radiator jest zimny :?: Wprowadza to dodatkowe szumy jeśli jest dołączony do tego samego źródła zasilania co wzmacniacz i ciągle buczy... Użycie wentylatora jest tutaj w zasadzie nieuzasadnione. Poza tym lepiej dać większy radiator, niż wentylator, przynajmniej jeśli chodzi o technikę audio ;)

    Pozdrawiam ;)
  • #6 9349003
    filo301
    Poziom 12  
    Regulację prądu spoczynkowego można łatwo dodać wystarczy tranzystor i potencjometr zamiast tych dwóch diod.
  • REKLAMA
  • #7 9350892
    SatServ
    Poziom 15  
    Tu "wszystko" można w łatwy sposób rozbudować, tylko chyba nie o to chodziło autorowi wzmacniacza(projektu).
    Mnie spodobał się stosunek parametry/prostota:)
  • #8 9354292
    Paolo1976
    Poziom 24  
    Tranzystor_1992 napisał:
    ...A tak w ogóle to po co Ci wentylator, jeśli radiator jest zimny :?: Wprowadza to dodatkowe szumy jeśli jest dołączony do tego samego źródła zasilania co wzmacniacz i ciągle buczy... Użycie wentylatora jest tutaj w zasadzie nieuzasadnione.



    To nie jest projekt autora. Kolega marek_34 opisuje konstrukcję ze strony - źródło: http://www.electronics-diy.com/electronic_schematic.php?id=1015
  • #9 9430664
    Konto nie istnieje
    Konto nie istnieje  
REKLAMA