logo elektroda
logo elektroda
X
logo elektroda
REKLAMA
REKLAMA
Adblock/uBlockOrigin/AdGuard mogą powodować znikanie niektórych postów z powodu nowej reguły.

Midland 200 - Dziwne zachowanie wyświetlacza

pyton 07 Kwi 2011 14:12 6331 36
REKLAMA
  • #1 9371255
    pyton
    Poziom 21  
    Witam

    Przy max rozkręconym SQ delikatny szmer z głośnika.
    LCD nie wyświetla kanałów przy nasłuchu (nic nie wyświetla)
    Przy nadawaniu wyświetla się kanał.

    Schemat:
    http://www.alan.pl/radiokomunikacja/media/down/materialy/midland_200_new.pdf

    Jeszcze nie wiem czy nadaje (dopiero załatwiłem drugie radio do sprawdzenia)

    Potrzebuje jakiś punkt zaczepienia.
    Powiedzcie mi co mogę sprawdzić, akurat w tej dziedzinie jestem raczkujący... więc prosił bym w miarę o proste tłumaczenie.

    (Nie oddam do serwisu choćbym nawet miał dobić radio do końca - chce się czegoś nauczyć na ten temat)


    -----------------------------------

    Przy napięciu zasilania radia 13,2V radio nic nie wyświetla gdy zasilanie zwiększę do 14,2V radyjko zaczyna działać normalnie czyli na "LCD" już wyświetlają się kanały i da się je zmieniać. Dziwne bo przed tym działało nawet na zasilaniu akumulatora... ~12V.

    Na syntezie VDD ~6,78V
  • REKLAMA
  • #2 9372184
    kriss51
    VIP Zasłużony dla elektroda
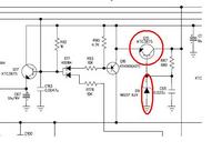
    Zobacz tranzystor Q15 oraz diodę zenera D15. Na tych elementach zrealizowany jest stabilizator. Na kolektorze tego tranzystora powinno być napięcie zasilania na emiterze około 8,5V. Te 8,5V powinno być nawet przy zasilaniu np. 10V.
  • REKLAMA
  • Pomocny post
    #3 9373877
    gregorio27
    Poziom 31  
    Kriss
    Cytat:
    Na tych elementach zrealizowany jest stabilizator.
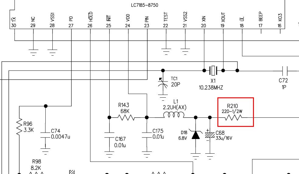
    :?:Trochę pomyśl bo nie widzę związku. D18, R210 lub D5, R94
  • Pomocny post
    #4 9374007
    SP5ANJ
    Spoczywaj w Pokoju
    Witam.
    pyton napisał:
    (Nie oddam do serwisu choćbym nawet miał dobić radio do końca - chce się czegoś nauczyć na ten temat)

    Ukłon dla zdeterminowanego. :D

    Cytat:
    Przy napięciu zasilania radia 13,2V radio nic nie wyświetla gdy zasilanie zwiększę do 14,2V radyjko zaczyna działać normalnie czyli na "LCD" już wyświetlają się kanały i da się je zmieniać.

    Jak podpowiedział gregorio27 sprawdź :

    Midland 200 - Dziwne zachowanie wyświetlacza

    Cytat:
    Na syntezie VDD ~6,78V

    Całkiem prawidłowo :

    Midland 200 - Dziwne zachowanie wyświetlacza

    Oczywiście nie zaszkodzi sprawdzić :

    Midland 200 - Dziwne zachowanie wyświetlacza

    Czy aby to radio nie było podłączone "odwrotnie" +/- zasilania. ???


    Pozdrawiam.
  • #5 9374100
    pyton
    Poziom 21  
    Witam

    Wczoraj jeszcze sprawdzić mi się udało (jeszcze przed waszymi postami, ale zapomniałem dopisać):

    +++++++++++++++++++++++++++++++++++++++++

    D5, R94: (Tu jest chyba coś nie tak, tylko co i czemu?)

    Przy napięciu zasilania:
    A) 13.2V na Katodzie ~8,6V (troszkę chyba za dużo...? powinno być chyba napięcie Diody czyli ~8,2?)
    B) 14.2V na katodzie ~7,8V (tu znów troszkę mało?)

    Przed rezystorem R94 napięcie zasilania, odpowiednio A lub B

    +++++++++++++++++++++++++++++++++++++++++

    D18, R210: (wydaje mi się że OK) - To jest chyba także podtrzymanie pamięci?

    Przy napięciu zasilania:
    A) 13.2V na Katodzie ~6,8V
    B) 14.2V na katodzie ~6,8V

    Przed rezystorem R210 napięcie zasilania, odpowiednio A lub B

    -----------------------------------------------------

    Q15 oraz diodę zenera D15 - nie zdążyłem sprawdzić wczoraj, postaram się dziś... zaraz po pracy.


    Radyjko nie było podłączone odwrotnie zepsuło się w trakcie używania w autku.

    Nie udało się sprawdzić na drugim CB czy nadaje lub odbiera... niestety ale drugie ma uszkodzona antenę a nie posiadam antenki do ręczniaka... tak że jak na razie czekam aż brat odzyska swoje radyjko to sprawdzę.


    Pozdrawiam i dziękuje za zainteresowanie Mateusz
  • #6 9374368
    gregorio27
    Poziom 31  
    Cytat:
    Nie udało się sprawdzić na drugim CB czy nadaje lub odbiera... niestety ale drugie ma uszkodzona antenę a nie posiadam antenki do ręczniaka... tak że jak na razie czekam aż brat odzyska swoje radyjko to sprawdzę.
    Do tego antena nie jest Ci potrzebna -:) Wymień tą D5 i ewentualnie R94, nie zaszkodzi sprawdzić Q27,28. To zachowanie diody mnie nie dziwi, ponieważ widziałem już dziwniejsze rzeczy w radiach o czym nie raz pisałem. Ot taki urok sprzętu w.cz.
  • #7 9374389
    SP8JZ
    Poziom 33  
    pyton napisał:
    A) 13.2V na Katodzie ~8,6V (troszkę chyba za dużo...? powinno być chyba napięcie Diody czyli ~8,2?)
    B) 14.2V na katodzie ~7,8V (tu znów troszkę mało?)
    Przed rezystorem R94 napięcie zasilania, odpowiednio A lub B
    Dlatego, że oba pomiary mają być robione na tym samym kanale.
    pyton napisał:
    troszkę chyba za dużo...(...)tu znów troszkę mało?
    Napięcie DZ5 jest zależne od liczbuy zapalonych segmentów.

    Zastanawiające są objawy, jakie kolega podaje: tutaj coś świeci przy nadawaniu, a przy odbiorze gaśnie. Czy aby na pewno ?
    Nie lepiej zmierzyć wysterowanie od strony syntezy ? O przełączniku EU/PL to też nikt nie wspomniał.
  • #8 9374464
    pyton
    Poziom 21  
    gregorio27 <- jak sprawdzić bez anteny?



    Cytat:
    Zastanawiające są objawy, jakie kolega podaje: tutaj coś świeci przy nadawaniu, a przy odbiorze gaśnie. Czy aby na pewno ?


    Dokładnie tak jest. Po zwiększeniu napięcia do 14,2V wszystko działa poprawnie.
    Przy napięciu 13,2V na odbiorze nie świeci LCD przy nadawaniu wyświetla się kanał.

    (nie licząc tego ze nie wiem jak bez SWR i innego CB sprawdzić czy nadaje / odbiera)

    Cytat:
    Napięcie DZ5 jest zależne od liczbuy zapalonych segmentów.

    Faktycznie... na to nie wpadłem...

    Cytat:
    Nie lepiej zmierzyć wysterowanie od strony syntezy ?


    Tu się zaczynają schodki...

    Czy chodzi o pin 23? czy tam nie idzie przez przypadek sygnał w.cz? bo jeśli tak to raczej pomiar zwykłym multimetrem odpada... a inny sprzęt pomiarowy jak się uda będzie w następnym tygodniu...
  • #9 9374499
    SP8JZ
    Poziom 33  
    Multimetr, zakres 20V AC, 8 i 9 i/lub 8 lub 9 noga LC7185.
    Jeśli syntezer działa prawidłowo, to woltomierz pokaże ok. 3,0-3,8V AC nap. skutecznego.
    Mierzoną nogę syntezera trzeba podciągnąć do plusa zasilania (24 noga LC7185) rezystorem 1kΩ

    Midland 200 - Dziwne zachowanie wyświetlacza

    Jeśli woltomierz pokaże zero, to trzeba szukać usterki po stronie syntezera
  • #10 9374895
    gregorio27
    Poziom 31  
    Heh a może coś koło kwarcu lub zrywanie VCO i LC7185 się czasem dziwnie zachowuje. Marcin nawiązuję do tego co masz na PW.
  • REKLAMA
  • #11 9374901
    SP8JZ
    Poziom 33  
    Zagwozdka jest przednia
  • #12 9374915
    pyton
    Poziom 21  
    Chłopaki dzięki za zainteresowanie... sam na pewno sobie z tym nie poradzę... ale z waszą pomocą myślę że uda się naprawić to radyjko.

    Przy okazji coś się poduczę.

    Jak tylko wrócę do domku to się za to biorę.

    Pozdrawiam.

    -------------------------------------

    EDIT:

    Złożyłem do kupy tak jak na załączonym obrazku na nóżkach D1, D2 odpowiednio dla zasilania:

    A) 13.2V: D1 ~2,76V D2 ~2,84
    B) 14.2V: D1 ~3,18V D2 ~3,16

    ----------------------------------------

    D15 i Q15

    Przy napięciu zasilania:
    A) 13.2V na Katodzie 3,9V
    B) 14.2V na Katodzie 4,2V


    Na Emiterze Q15 wacha się 3,53 -3,72

    Nie powinno na emiterze być coś w okolicach 7,5V?

    Jak dobrze pamiętam to Uwy= Wdz - 0,7V ?

    Pozdrawiam Mateusz
  • #13 9385413
    pyton
    Poziom 21  
    Witam

    Wiem że pisze post pod postem... ale robię to tylko dla tego że jak się edytuje post jest on dalej oznaczony jako przeczytany...

    Wymieniłem D15 efekt taki sam.... jak poprzednio....

    Miałbym prośbę...

    Czy moglibyście opisywać mi dlaczego np. D15 jest uszkodzone?
    Dlaczego tak sadzicie? Wiem że szukanie usterek to sztuka.... ale może coś się nauczę...

    Pozdrawiam
  • #14 9385570
    SP8JZ
    Poziom 33  
    Odnośnie tych pomiarów - wskaż które pomiary są robione przy niedziałającym wyświetlaczu :?:
    (czytam ten post na bieżąco. Nie odpisuję tylko dlatego, że nie wiem które pomiary są które)

    Jeśli chodzi o Q15, to rozpatrujemy teraz 2 sytuacje:
    1. Uszkodzenie Q15/D15/R87/elektrolity przy D15 (często nie ma ich na schemacie, bo producenci wstawiają je "na pająka")
    2. Uszkodzenie po stronie przełącznika PTT i całej reszty

    W drugim przypadku naprawa bez znajomości podstaw elektroniki może doprowadzić do zniszczenia radia
    Dlatego też mógłbym polecić zlikwidowanie stabilizatora Q15/D15 i zastąpienie go 7808 ale tylko osobie, która wie jak to zrobić
  • #15 9386045
    pyton
    Poziom 21  
    Wszystkie pomiary przy 13,2V <- nie działa wyświetlacz, (pomiar A)
    Przy 14,2 < - Wyświetlacz działa, (pomiar B)


    Cytat:
    Dlatego też mógłbym polecić zlikwidowanie stabilizatora Q15/D15 i zastąpienie go 7808 ale tylko osobie, która wie jak to zrobić


    Zlikwidować diodę tranzystor i rezystor Q15/D15/R87 <- wstawić LM7808, In w miejsce kolektora, Out w miejsce emitera, GND w miejsce anody diody D15

    W miejsce R87 można by dać mostek...

    Jeśli chodzi o przełącznik PTT który jest w gruszce to wydaje się być ok. Oczywiście po pomiarze miernikiem.

    PTT - Push To Talk?
  • #16 9386455
    kriss51
    VIP Zasłużony dla elektroda
    Od razu napisałem że trzeba sprawdzić Q15 oraz D15. Dziwi mnie tylko że kolega gregorio27 mnie znegował. Znam te usterki na pamięć. Jeśli chodzi o zamianę Q15 na stabilizator to stabilizator ma 3 nogi patrząc od przodu z lewej strony ma wejście czyli wg. schematu odpowiednik kolektora i tam powinno być praktycznie napięcie zasilania całego radia. Środkowa noga powinno być podłączona bezpośrednio do masy, a prawa noga to wyjście- na schemacie odpowiednik emitera i tam powinno być 8V, ale czy tak trudno zmienić tranzystor lub diodę, albo to i to naraz. Przy pomiarach powinno wyglądać to tak:
    Na kolektorze powinno być napięcie zasilania. Po wylutowaniu Q15 na diodzie D15 powinno być około 8V. Teraz jeśli to się zgadza, a na emiterze nie ma około 8V to wymienić tranzystor i radio ożyje. Można wstawić nawet BD135 tylko trzeba zwrócić uwagę na piny czy pasują czyli trzeba wlutować bazę do bazy, emiter do emitera, kolektor do kolektora.
  • #17 9388978
    pyton
    Poziom 21  
    A czy ten Q15 to może być dowolny NPN???

    Np: bc548
  • #18 9389084
    SP8JZ
    Poziom 33  
    Może być, ale najpierw trzeba się upewnić, że nie ma uszkodzenia od strony wyjścia, które mogło uwalić stabilizator Q15
  • #19 9389177
    pyton
    Poziom 21  
    Cytat:
    Na kolektorze powinno być napięcie zasilania. Po wylutowaniu Q15 na diodzie D15 powinno być około 8V. Teraz jeśli to się zgadza, a na emiterze nie ma około 8V to wymienić tranzystor i radio ożyje. Można wstawić nawet BD135 tylko trzeba zwrócić uwagę na piny czy pasują czyli trzeba wlutować bazę do bazy, emiter do emitera, kolektor do kolektora.


    Po wylutowaniu Q15 na emiterze powinno być chyba 0V - tak mam.

    Cytat:
    Może być, ale najpierw trzeba się upewnić, że nie ma uszkodzenia od strony wyjścia, które mogło uwalić stabilizator Q15


    Między masą a emiterem nie ma zwarcia, rezystancja 844 Ohm

    --------------------

    Skoro może być dowolny NPN to niech mi ktoś zdradzi jak się odczytuje Tranzystory SMD?

    Przykładowo: 3Gp 28, A7p 13, 2XY
  • #20 9389338
    SP8JZ
    Poziom 33  
    pyton napisał:
    Po wylutowaniu Q15
    Zmierzyć napięcie na D15 oraz rezystancję R87
  • #21 9389432
    gregorio27
    Poziom 31  
    Cytat:
    Skoro może być dowolny NPN to niech mi ktoś zdradzi jak się odczytuje Tranzystory SMD?
    Wysil szare komórki: www.google.pl "smd code book".
    Wróćmy jeszcze do punktu wyjścia : Jaki to nr. kanału wyświetla Ci się przy TX? i czy działały diody RX i TX. Mam pewne podejrzenia a Q15 to tak "przy okazji" pewno poleciał podczas kombinacji?
  • #22 9390114
    pyton
    Poziom 21  
    Witam

    Wyświetlał się kanał 9 RX i TX działały normalnie.

    Tak jak pisałem przy napięciu 14,2V radio pracowało normalnie kanały się świeciły, można było je zmienić. Z głośnika słychać cichutki szmer.

    Przy 13,2V Podczas nadawania wyświetlał się 9 gdy napięcie podniosłem o 1V tj. 14,2V i zmieniłem kanał a potem z powrotem obniżyłem napięcie do 13,2V kanał pozostawał w pamięci i teoretycznie można było nadawać na innym, tym kanale na jaki zmieniłem.

    -------------------------------------------------------------

    Cytat:
    Mam pewne podejrzenia a Q15 to tak "przy okazji" pewno poleciał podczas kombinacji?


    Nie rozumiem co masz na myśli?

    Pisałem że radyjko zamilkło podczas jazdy, tak samo od siebie.

    Pozdrawiam

    =======================
    Cytat:
    Wysil szare komórki: www.google.pl "smd code book".


    Dzięki akurat chyba miałem pecha bo trafiłem na tematy na elektrodzie w których linki były nie aktualne.

    ------------------------------
    Wracając do SMD przykładowo:

    A7p >>> BFG310W/XR >> npn RF ft 14 GHz 6V 60mW

    A7p 13 Chodzi mi konkretnie co oznaczają te cyferki na końcu? (13)
    ------------------------------
    3Gp >>> BC857C

    3Gp 28 Znów te cyferki... (28)
  • #23 9390370
    kriss51
    VIP Zasłużony dla elektroda
    Gdybyś miał gdzieś zwarcie to przy zasilaniu 14V radio by nie działało prawidłowo. Napisałeś że na emiterze masz około 3V, a powinno być około 8V więc bez zbędnej dyskusji wstaw jakiś NPN o prądzie kolektora około 200mA może być więcej oczywiście. Z tym że na wejściu czyli na kolektorze musi być napięcie zasilania czyli około 13V, zaś na bazie około 8V. Jak to ok. to wymiana tranzystora wskrzesi radio oczywiście jak dobrze wstawisz tranzystor i będzie sprawny.
  • #24 9392528
    pyton
    Poziom 21  
    Witam

    Po przegrzebaniu stosu złomu elektronicznego wreszcie znalazłem zastępce Q15: (BC817)

    Zasilanie wróciło do normy... Kanały działają przy 12V więc jest ok. (nie testowałem ale powinny przy jeszcze mniejszym napięciu.)

    Na Emiterze jest 7,5V czyli tyle ile ma być.

    -------------------------------------------------------

    Jednak ukazały się nowe usterki. Jeszcze nie wyszukałem na elektrodzie odpowiedzi ale zaraz się za to zabieram...

    -------------------------------------------------------

    Cały czas lekko świeci TX (odbiór jest ale strasznie trzeszczy- możliwe ze przez to ze oba radyjka były zbyt blisko)...

    Przy próbie nadawania gaśnie RX i mocniej zaczyna świecić TX lecz idzie sama nośna... przynajmniej tak mi się wydaje bo drugie radyjko zaczyna znacznie mniej szumieć.

    Pozdrawiam

    --------------------------------------------
    EDIT

    Z tego co zdążyłem za uwarzyć to:
    Q16 jest dla TX - nadajnik
    Q17 jest dla RX - odbiornik

    Jednak jeszcze nie wiem co dalej mam robić... wydaje mi się ze należy szukać uszkodzenia po stronie Q16?
  • #25 9392967
    gregorio27
    Poziom 31  
    Sorry Krzysiek odszczekuję tego q15, ale to przez mętne opisy. Do kolegi autora zacznij pisać konkrety i poczytaj trochę literaturę do zaraz zadasz błyskotliwe pytanie jak sprawdzić tranzystor. Coś mi się zaczynają podejrzliwie wyglądać te usterki tak same od siebie. Sprawdź tego Q16 ja Ci się wydaje że uszkodzony, nikt tu tego za Ciebie nie zrobi.
  • #26 9393204
    pyton
    Poziom 21  
    gregorio27 <- wybacz jeśli mój poziom wiedzy ci nie odpowiada... wierzę że Ty mając podkład czysto teoretyczny nie musiałeś zdobywać doświadczenia w temacie naprawy rozmaitego sprzętu bo już wszystko przychodziło ci z łatwością... niestety ale ja jeszcze muszę zdobyć i teorii i praktyki... Teorię sobie poczytam a praktykę jak mam zdobyć? Nie mam żadnego dobrego elektronika który mnie nakieruje odpowiednio...

    Usterki same od siebie.... wiesz.... jakoś nie bawi mnie psucie... no chyba że by mnie to czegoś nauczyło pożytecznego... po za tym widział bym lepiej zainwestowane te 200zł na CB które niby psuje...

    Pytam się was co mam sprawdzić i dlaczego bo jeszcze się w tym gubię...

    Dopiero od ponad tygodnia zacząłem się intensywnie interesować Radiotechniką stąd moje braki... druga sprawa.... w szkole nigdy mnie nie uczyli na temat napraw sprzętu... zawsze wychodzili z założenia ze jak na schemacie jest 2,2KOhm to tyle ma być....

    Więc proszę o wyrozumiałość...

    Sprawdzę to Q16 ale pytam się czy to ma sens... A jak bym wyskoczył z jakimś Q5070? powiedział byś sprawdź???
    Jeśli chodzi o sprzęt jak na razie tylko najprostszy multimetr... ale niebawem będzie wobuloskop... myślę że przyda mi się by zacząć przygodę z radiotechniką.

    Od razu piszę że nie chciałem nikogo urazić a jedynie wytłumaczyć swoja sytuacje.

    Pozdrawiam
  • #27 9393505
    SP8JZ
    Poziom 33  
    Dobrze Ci idzie czytanie schematu ze ścieżek. Pytasz o wyprowadzenia Q smd pytam po co Ci potrzebny datasheet, skoro znalazłeś emiter, kolektor jest podłączony do włącznika ON/OFF i już masz wyprowadzenia w pamięci


    Wstawiasz dla pewności większy tranzystor lub stabilizator scalony zauważ że nie do końca dobrze zrobiłeś, bo wcześniej napisałem, że trzeba wiedzieć jak to zrobić dlatego że najprawdopodobniej uwalenie Q15 nie jest przyczyną, a skutkiem awarii.

    Od Q15 trzeba iść teraz w stronę przełącznika PTT Q16,Q17 i dalej zgodnie ze schematem blokowym.
    Napisz skąd masz naprawdę to radio, bo na początku podejrzany był wyświetlacz, później stabilizator, teraz PTT a teraz jeszcze dochodzą podejrzenia uszkodzeń po stronie odbiorczej

    Zmierz anpięcia DC
    1. Emiter Q17 Tx/Rx
    2 Kolektor Q16 Tx/Rx
  • #28 9393666
    pyton
    Poziom 21  
    SP8JZ <- Pochlebiasz mi tym co napisałeś....

    A prawda jest taka że za nim coś napisze szukam w google... Nie mam problemu z odnalezieniem emitara, bazy czy kolektora (acz kol wiek dziś szukając odpowiedniego tranzystora SMD pomyliłem się kilka razy... [źle odczytałem z stronki w internecie]) ale za nim go przylutowałem musiałem być pewny w 100%.

    Jeśli chodzi o SMD... nie mam z tym styczności dla mnie to powiedzmy nowość... jak widziałem SMD to uciekałem z daleka.... ale wiem ze to istnieje...
    Dlatego zapytałem o oznaczenia tranzystorów... Pewien Pan moderator mi wytłumaczył o co chodzi... wiem że tymi cyferkami/literkami w poprzek mogę się nie interesować.

    Wyprowadzenia pamięci to chyba każdy by znalazł bo muszą być na stałe pod zasilanie.

    Stabilizator to napisał kolega parę postów wyżej... wiem jak go wstawić. Jakoś to nie wydaje się trudne... jeśli się wie jak taki stabilizator działa.

    A zastosowałem mocniejszy tranzystor bo rozmawiałem z panem z elektrody i sam mi podpowiedział o co chodzi... w temacie stabilizatorów.

    Po za tym:
    Cytat:
    wstaw jakiś NPN o prądzie kolektora około 200mA może być więcej oczywiście


    Radio kupiłem osobiście w Mysłowicach, a właściwie wymieniłem za dopłatą bo pierwsze jakie mi wcisnęli padło po 2-3h
    Nikt go nie miał prócz mnie. (przynajmniej plomby były)

    Mam się dalej spowiadać? Dla mnie byliście bardzo pomocni i dużo już wiem... no ale co z tego radio dalej nie działa tak jak powinno.
  • REKLAMA
  • #29 9393814
    SP8JZ
    Poziom 33  
    Jak narazie jesteśmy na poziomie napięć stałych włącz/wyłącz
    pyton napisał:
    Radio kupiłem osobiście w Mysłowicach, a właściwie wymieniłem za dopłatą bo pierwsze jakie mi wcisnęli padło po 2-3h
    Nikt go nie miał prócz mnie

    zrozumiałem tak:
    - kupiłem nowe radio Alan 200, które następnie uszkodziłem i sprzedawca za dopłatą wymienił mi je na nowe sprawne radio Alan 200, bo tak naprawdę całkiem przypadkowo podłączyłem oba radia pod jakieś niepwene źródło zasilania

    (tak całkiem prywatnie - wydaje mi się, że stać Cię na DUŻO DUŻO więcej, tylko - albo Ci się nie chce doskonalić swoich umiejętności, albo nie masz takiej możliwości. Bo chęci masz ponadprzeciętne....tylko ta tygodniowa fascynacja radiotechniką jakoś mi do tego nie za bardzo pasuje. Albo jesteś naprawdę dobry w te klocki, tylko w zupełnie innej specjalizacji. Nie wierzę, że wymieniłeś tranzystor smd pierwszy raz w życiu)
  • #30 9394495
    pyton
    Poziom 21  
    Jeśli napięcie jakie wytwarza moje auto jest niepewne to niech i tak będzie... Pierwsze było: SUNKER QUER 77114 (na elektrodzie nie mają dobrego zdania na temat tego radia)

    Szczerze mówiąc to pierwsze radio nawet nie wiem czy nie było uszkodzone od nowości... Odbiór miałem cały czas... nadawanie? (tego nie wiem czy zawsze było) Specjalnie bylem u kolegi by sprawdzić na SWR... oczywiście brak mocy w nadawaniu.

    Z Alanem jeździłem około 1,5 roku i po takim czasie padł. (radio na stałe w mobilu)

    Jeśli chodzi o wymianę SMD - Robiłem to pierwszy raz... Jeśli chodzi o obudowy TO220 i inne duże, zdążało się... ale tak jak pisałem wyżej sztuka za sztukę.

    Zajmuje się alarmami, monitoringiem, instalacjami elektrycznymi, samochodowymi, sieciami internetowymi - tylko montaż lub proste naprawy.
    Teraz zajmuje się pomiarami instalacji elektrycznych...

    Mam podstawy teoretyczne ale nie mam jeszcze obycia... jak bym takowe miał nie musiał bym zakładać tego tematu, podejrzewam że dałbym sobie radę sam...

    Elektroniką fascynuję się od zawsze robiłem konstrukcje z not katalogowych... i innych schematów ale odkąd radio mi się zepsuło i troszkę poczytałem na temat radiotechniki bardzo mi się to spodobało...

    :...abo Ci się nie chce doskonalić swoich umiejętności, albo nie masz takiej możliwości."

    Powiem szczerze że bardzo krucho z czasem... weekendy w szkole a w tygodniu od 7-8 do 16-19 praca... więc niewiele czasu mam na hobby...
    No nie liczę jeszcze braków w sprzęcie...

    Myślę że wiecie już wszystko na mój temat odnośnie mojej wiedzy i innych aspektów z dziedziny elektroniki...
REKLAMA