cześć
Programator STK200 przestał rozpoznawać atmegę168, kupiłem nową (atmega88) i po ok. pięciu flashowaniach tez "padła".
Tzn mikrokontroler nie padł całkiem, bo LED miga tak jak wcześniej została zaprogramowana, czyli ostatnio wgrany program działa dobrze...
Gdy programator próbuje rozpoznać uC, to bajty identyfikujące przyjmują najczęściej wartości 00, ff, 1f, 7f - w różnych kombinacjach. Więc jakieś dane na tych portach MISO i MOSI się pojawiają.
Do tego niezbyt losowe, bo gdy sprobowałem odczytać flash, to w zależności od zgadywanego taktowania (ustawiałem różne wartości w programatorze) dostawałem dłuższe lub krótsze bloki zer i jedynek. Na taktowaniu 32768Hz odczytany flash wciąż nie przypominał programu:
Nie ustawiałem żadnych fusów blokujących SPI ani RESET, chyba że po pół roku poprawnej pracy programatorowi (układowi albo programowi) coś odbiło i sam ustawił ;]
Ostatnio wgrywany programik zmieniał taktowanie, ale nie trwale:
Wygląda na to, że ISP jest uszkodzony, tylko jak to stwierdzić z całą pewnością? Żeby nie wyrzucić dobrego procka...
Programator będzie raczej dobry, bo jak mowiłem: nową atmegę udało sie ok pięć razy zaprogramować, jakiś attiny też rozpoznaje poprawnie.
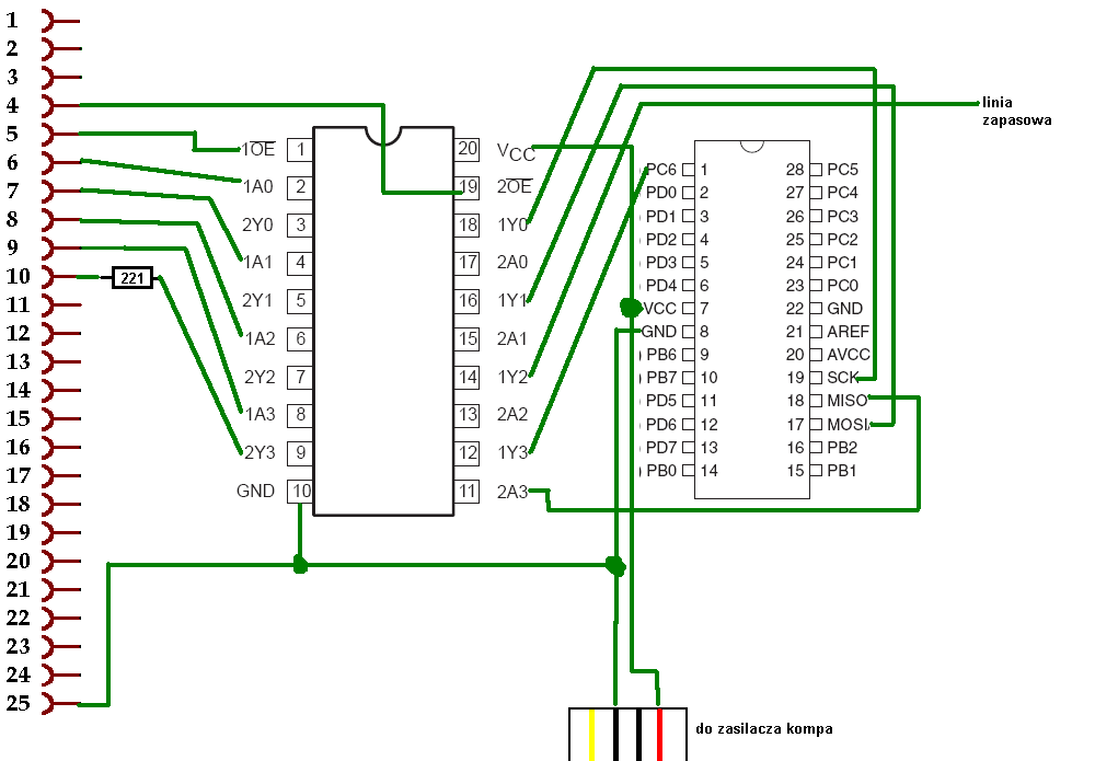
Atmegę sprawdzam na płytce stykowej: jest sam uC, reset podpiety przez rezystor podciagający do +5,10V z kompa, i do tego linia reset z programatora, zasilanie na pin7, masa na pin8, i SCK, MISO, MOSI na portach 17,18,19
Programator STK200 przestał rozpoznawać atmegę168, kupiłem nową (atmega88) i po ok. pięciu flashowaniach tez "padła".
Tzn mikrokontroler nie padł całkiem, bo LED miga tak jak wcześniej została zaprogramowana, czyli ostatnio wgrany program działa dobrze...
Gdy programator próbuje rozpoznać uC, to bajty identyfikujące przyjmują najczęściej wartości 00, ff, 1f, 7f - w różnych kombinacjach. Więc jakieś dane na tych portach MISO i MOSI się pojawiają.
Do tego niezbyt losowe, bo gdy sprobowałem odczytać flash, to w zależności od zgadywanego taktowania (ustawiałem różne wartości w programatorze) dostawałem dłuższe lub krótsze bloki zer i jedynek. Na taktowaniu 32768Hz odczytany flash wciąż nie przypominał programu:
:100000000100008000FF000F00000000FE00FF0064
:100010000000000000E000FF003F000000000000C2
:10002000F800FF000700008000E000FF001F000054
:100030000000F0000000FF00FF000000010000C011
na większym taktowaniu oczywiście są dłuższe bloki 00 i FF
Nie ustawiałem żadnych fusów blokujących SPI ani RESET, chyba że po pół roku poprawnej pracy programatorowi (układowi albo programowi) coś odbiło i sam ustawił ;]
Ostatnio wgrywany programik zmieniał taktowanie, ale nie trwale:
Kod: text
Wygląda na to, że ISP jest uszkodzony, tylko jak to stwierdzić z całą pewnością? Żeby nie wyrzucić dobrego procka...
Programator będzie raczej dobry, bo jak mowiłem: nową atmegę udało sie ok pięć razy zaprogramować, jakiś attiny też rozpoznaje poprawnie.
Atmegę sprawdzam na płytce stykowej: jest sam uC, reset podpiety przez rezystor podciagający do +5,10V z kompa, i do tego linia reset z programatora, zasilanie na pin7, masa na pin8, i SCK, MISO, MOSI na portach 17,18,19
