logo elektroda
logo elektroda
X
logo elektroda
REKLAMA
REKLAMA
Adblock/uBlockOrigin/AdGuard mogą powodować znikanie niektórych postów z powodu nowej reguły.

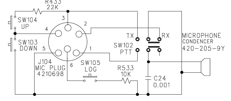
Alan Plus Multi B Itali Wtyk 6 pinowy schemat

czupa58 20 Kwi 2011 07:22 7652 8
REKLAMA
  • #1 9420576
    czupa58
    Poziom 15  
    Witam mam problem, urwał mi się wtyk od mikrofonu jest 6 pionowy, podłączałem według schematu i nie działa pewnie coś namieszałem.

    Alan Plus Multi B Itali Wtyk 6 pinowy schemat]Link[/url]

    Znalazłem jeszcze coś takiego:

    1 - MOD -zółty
    2 - RX -czarny
    3 - TX - czerwony
    4 - Up/Down - niebieski
    5 - GND -biały
    6 - VCC - czarny

    Tylko nie rozumiem, bo u mnie jest tylko jeden czarny kabel, a drugi to taki jak by ekran w czarnej izolacji i nie wiem który czarny to RX a który VCC :?:

    A tak u mnie wygląda sam mikrofon w środku i nie wiem jak to podłączyć do wtyczki :cry:
    Alan Plus Multi B Itali Wtyk 6 pinowy schemat
    Alan Plus Multi B Itali Wtyk 6 pinowy schemat


    Bardzo proszę o zamieszczanie plików graficznych (obrazki) zgodnie z zasadami panującymi na forum:
    Alan Plus Multi B Itali Wtyk 6 pinowy schemat
    /c2h5oh/
  • REKLAMA
  • #2 9420607
    SP8JZ
    Poziom 33  
    Zamień niebieski z czarnym i powinno być oki
    ekrak idzie na masę tam, gdzie zielonwy
  • REKLAMA
  • #3 9420738
    czupa58
    Poziom 15  
    Mógł byś mi to poprawić?

    1 - MOD -zółty
    2 - RX -czarny??
    3 - TX - czerwony
    4 - Up/Down - niebieski??
    5 - GND -biały
    6 - VCC - czarny??
  • REKLAMA
  • #5 9420777
    czupa58
    Poziom 15  
    Tak dokładnie ten.
  • #6 9420822
    SP8JZ
    Poziom 33  
    Dobra muszę zapytać czy w jednym z czarnych kabli pod czarną izolacją jest jeszcze jedna żółta izolacja ?
  • REKLAMA
  • #7 9420848
    czupa58
    Poziom 15  
    Jest ekran który jest zakręcony na zółtym kabelku
    Licząc Kable + jeden ekran jest 6 przewodów
    Alan Plus Multi B Itali Wtyk 6 pinowy schemat
  • Pomocny post
    #8 9420886
    SP8JZ
    Poziom 33  
    Zgodnie z rysunkiem

    Alan Plus Multi B Itali Wtyk 6 pinowy schemat

    1. Mic. - żółty
    2. RX GND - niebieski
    3. TX GND - czerwony > czerwony J8
    4. UP/DN/Lock - czarny J6
    5. GND - oplot > zielony J7/J5
    6. Vcc - biały J4

    Musiałem zapytać, gdyż mam przed sobą 3 identyczne mikrofony, ale różne kable, gdzie:
    1. Twój czarny to fioletowy, a Twój żółty to żółty w czarnej izolacji (z pozoru czarny)
    2. Twój czarny to fioletowy, a Twój żółty to żółty
    3. Kabel taki jak Twój

    Poza tym czerwony masz źle, a żółty luzem

    Kyrie elejson....
  • #9 9422668
    czupa58
    Poziom 15  
    Końcówka zarobiona i Działa:!::!::!::!: :D Wielkie Dzięki SP8JZ Pozdrawiam
REKLAMA