Witam,
mam problem z odczytaniem schematu MANIPULATORA (R2D2).
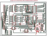
A mianowicie nie wiem co to za element

:
oraz widok na płytce:
Jeżeli nie w tym temacie, jeżeli źle dodałem obrazki to przepraszam, ale jest to mój pierwszy post. PROSZĘ O SZYBKĄ ODPOWIEDŹ
HUBERT
