Rajendra Bhatt opublikował szczegółowy poradnik dla początkujących elektroników, dotyczący używania matryc LED. Matryce LED są także u nas stosunkowo łatwo dostępne. Charakteryzują się różnymi konfiguracjami i rozmiarami - od małych do dosyć dużych. Można też znaleźć matryce dwukolorowe, które w projektach DIY stanowią efektowny element interface'u. Pomimo, że dla doświadczonych elektroników opisane zagadnienia nie są żadną nowością, to zebrane w jednym miejscu w postaci dobrze napisanego poradnika, stanowią doskonałą podstawę dla młodych elektroników.
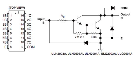
Poradnik sporządzony został w oparciu o matrycę LED 5 x 7 sterowaną mikrokontrolerem z rodziny PIC. Autor bardzo szczegółowo opisał kwestię odświeżania takiej matrycy, multipleksowania, a także wykorzystania jej w projekcie układu Darlingtona ULN2803A.
Na stronie źródłowej znajdują się wszystkie pliki i szczegółowe informacje potrzebne do zabawy z matrycą LED. Poniżej zamieszczam film i parę zdjęć dotyczących projektu zamieszczonego na stronie autora.
Źródło http://embedded-lab.com/blog/?p=2478
Fajne? Ranking DIY
