logo elektroda
logo elektroda
X
logo elektroda
REKLAMA
REKLAMA
Adblock/uBlockOrigin/AdGuard mogą powodować znikanie niektórych postów z powodu nowej reguły.

Mondeo3 klimatyzacja nie załącza się

M-C-S 01 Maj 2011 10:22 2520 8
REKLAMA
  • #1 9456657
    M-C-S
    Poziom 13  
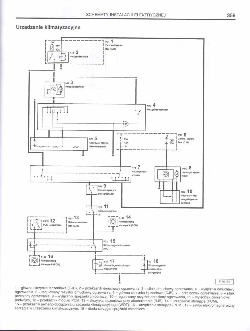
    Witam wszystkich. potrzebuje schematu klimatyzacji manualnej do fm3 2L tdci. Ponieważ po włączeniu klimatyzacji dioda się zapala natomiast nie załącza sprężarki. Układ jest napełniony gazem i brak jest wysterowania przekaźnika masą. Przekaźnik jest sprawny bezpiecznik 7.5A dobry dioda też dobra w skrzynce bezpieczników w komorze silnika. Z góry dzięki za pomoc.
  • REKLAMA
  • Pomocny post
    #2 9456730
    Luska
    Poziom 11  
    Znalazłem tylko takie coś:
    Mondeo3 klimatyzacja nie załącza się
  • #3 9458673
    arek880
    Poziom 10  
    witam, ja mam w sumie podobny problem przy mundku mki II, tzn. właczam klimę ale nie dmucha zimnym powietrzem, klima była nabijana.
  • REKLAMA
  • #4 9459104
    M-C-S
    Poziom 13  
    Po wysterowaniu przekaźnika na krótko sprężarka sie włącza i klima chłodzi natomiast wentylatory sie nie włączają
  • REKLAMA
  • #5 9464497
    Luska
    Poziom 11  
    Jak się nie włączają wentylatory , to prawdopodobnie uszkodzony czujnik ciśnienia klimy (wystarczy zmostkować bodaj pin 1-3 lub 2-4) lub uszkodzona opornica wentylatora.
  • REKLAMA
  • #7 9468812
    M-C-S
    Poziom 13  
    schematy ok ale do klimatyzacji brak schematu. 2002r 2L TDCi 96kW kombi

    Dodano po 4 [minuty]:

    Schematy ok ale do klimatyzacji brak schematu. 2002r 2L TDCi 96kW kombi. I mam pytanie co to jest urządzenie sterujące PCM.

    Dodano po 16 [minuty]:

    Po zwarciu styków nakrótko 2 i 4 sprężarka i wentylator się włączają. Czy to może być wina czujnika ciśnienia? po zwarciu styków 1 i3 brak reakcji.
  • #8 9469732
    decybel91
    Poziom 42  
    mozliwe, kompem sprawdzisz parametry.
  • #9 9474446
    Luska
    Poziom 11  
    PCM to komputer. Co do czujnika, to powinien być ok, ponieważ, po zmostkowaniu na wtyczce pinów powinien ruszyć zarówno kompresor jak i wentylator. Zobacz jeszcze, czy nie masz czasem przepalonego bezpiecznika F82 (pod kierownicą).
REKLAMA