logo elektroda
logo elektroda
X
logo elektroda
REKLAMA
REKLAMA
Adblock/uBlockOrigin/AdGuard mogą powodować znikanie niektórych postów z powodu nowej reguły.

TTi TCB-770 - bardzo cicho

koniu.18 07 Maj 2011 15:12 3334 9
REKLAMA
  • #1 9480796
    koniu.18
    Poziom 14  
    Mam problem z tym radiem. Otóż znajomy podarował mi tą zabawkę ale nadmienił że głośność jest na niskim poziomie. Tak bardzo niskim że nie ma mowy o normalnym użytkowaniu. Powód tego zachowania jest taki że niby przez jakiś czas antena stała na tym CB. Czy to może być przyczyna tej usterki? Proszę o pomoc. Jestem laikiem w tych sprawach.
  • REKLAMA
  • #2 9480859
    doktorek
    Poziom 19  
    Witam..
    Jeśli powodem miało by być rozmagnesowanie głośnika to raczej wątpliwe.
    Ale można to sprawdzić w prosty sposób,podłącz zewnętrzny głośnik i sprawdź.
    A tak na marginesie cicho z niego słychać czy jak nadajesz to ciebie słabo słychać.
    I jeszcze jedno czy układ blokady szumu działa.

    pozdrawiam..
  • REKLAMA
  • #3 9480982
    koniu.18
    Poziom 14  
    Z tym zewnętrznym głośnikiem spróbuję. A czy mnie słychać to nie wiem ponieważ nie jestem w stanie nawet zrozumieć innych użytkowników kanału ( naprawdę bardzo cicho ). A blokady szumu... co gdzie i jak się to włącza? 0_o
  • #4 9481102
    gregorio27
    Poziom 31  
    Cytat:
    A blokady szumu... co gdzie i jak się to włącza?
    W instrukcji napisano, taki problem ściągnąć i poczytać?
  • REKLAMA
  • #5 9481212
    PLEXI
    Poziom 24  
    Pokrętło SQ musisz mieć maksymalnie w lewo, czyli na minimum. Podejrzewam , że być może masz skręconą czułośc odbiornika- czyli pokrętło rf-gain musisz mieć ustawionemaksymalnie w prawo.
    Pokrętło mic-gain , nie ma wpływu na odbiór, ale jeśli dasz je maksymalnie w prawo będziesz miał wtedy maksymalną czułość mikrofonu.
  • REKLAMA
  • #6 9482327
    koniu.18
    Poziom 14  
    Więc tak. Głośnik podłączyłem-głośność taka sama. Zastosowałem się do porad Pana PLEXI i rezultat żaden. Nadal poziom głośności jest znikomy. Dla jasności. Znajomy używał radia w swoim bolidzie. Później żona jeździła autem więc wymontował sprzęt i położył na półce w warsztacie (antena przyczepiona na górnej pokrywie CB). Ponownie zamontował radio i stwierdził opisywany tutaj problem.
  • Pomocny post
    #7 9482778
    gregorio27
    Poziom 31  
    W zimnym wilgotnym garażu i efekt pewnie taki że środek radia najeżony zimnymi lutami jak szczotka do butów, ale najpierw najprostsza i podstawowa sprawa KABEL MIKROFONOWY, WTYCZKA a właściwie ciągłość przewodu RX sprawdzona?
  • #8 9483381
    koniu.18
    Poziom 14  
    Raczej nie w zimnym i wilgotnym garażu. W warsztacie. Jest piecyk do ogrzewania. Kolega jest mechanikiem i dużo czasu tam spędza. Sprawdzę ciągłość przewodu, poprawię wszystkie luty i zobaczę jaki będzie efekt.
  • #9 9483636
    SP5ANJ
    Spoczywaj w Pokoju
    Witam.
    koniu.18 napisał:
    A czy mnie słychać to nie wiem ponieważ nie jestem w stanie nawet zrozumieć innych użytkowników kanału ( naprawdę bardzo cicho ).

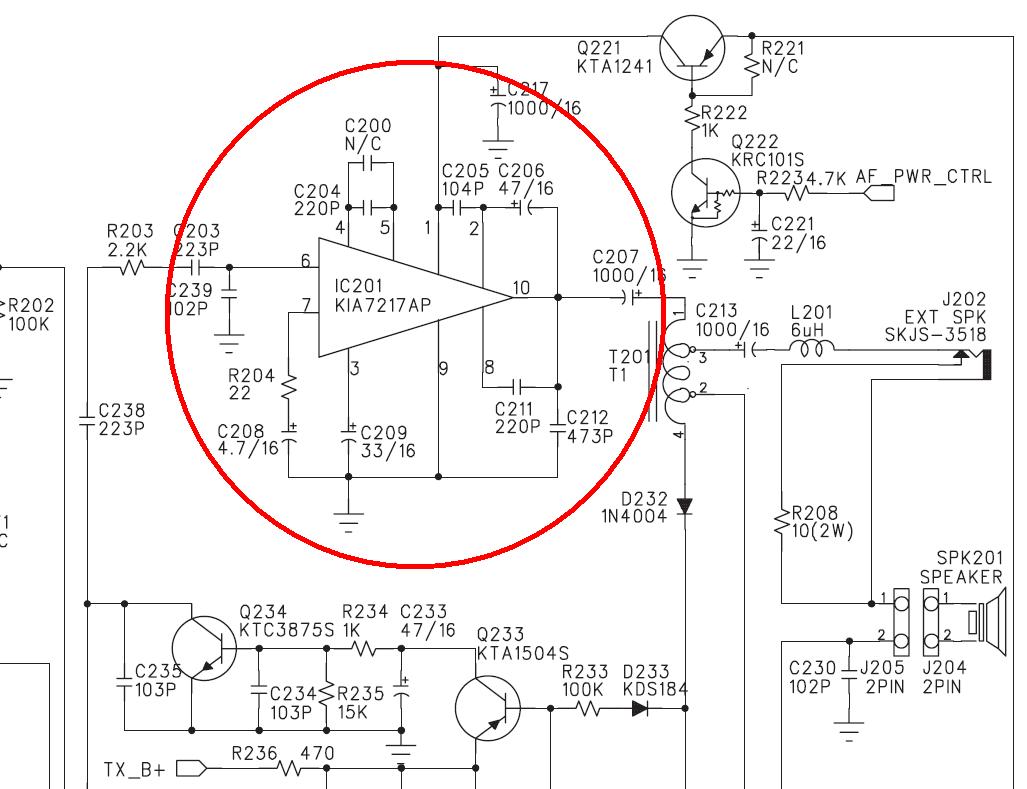
    Jeżeli kabelek do głośnika (RX-a) i sam przełącznik PTT (w mikrofonie) są poprawne to tylko podejrzenie pada na układ scalony m.cz. IC-201 .

    TTi TCB-770 - bardzo cicho

    Cytat:
    Jestem laikiem w tych sprawach.

    Dla sprawdzenia i/lub wymiany IC-201 - proponuję odwiedzić serwis. :cry:


    Pozdrawiam.
  • #10 9483781
    koniu.18
    Poziom 14  
    gregorio27 napisał:
    W zimnym wilgotnym garażu i efekt pewnie taki że środek radia najeżony zimnymi lutami jak szczotka do butów, ale najpierw najprostsza i podstawowa sprawa KABEL MIKROFONOWY, WTYCZKA a właściwie ciągłość przewodu RX sprawdzona?


    Najprostsza i podstawowa sprawa okazała się słuszna. Brak połączenia na dwóch pinach we wtyczce. Teraz wszystko jest ok. Dobrze, że można polegać na ludziach mających o tym pojęcie. Dziękuję za pomoc i zamykam temat. Oczywiście klikam Pomógł ;)
REKLAMA